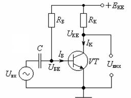
Схема усилителя с общим эмиттером показана на рис. 3.4.
Рисунок 3.4 – Схема усилителя с общим эмиттером |
Далее необходимо объяснить все обозначения на схеме; например,
U вх – входное напряжение, которое необходимо усилить;
U вых – выходное усиленное напряжение;
R б – …..
R к – …..и т.д.






