Рисунок 4.1 – Амплитудная характеристика идеального параметрического стабилизатора напряжения
|
Стабилизаторы напряжения предназ-начены для обеспечения постоянства выходного напряжения при воздействии различных дестабилизирующих факторов: при изменении входного напряжения, при изменении сопротивления нагрузки, при изменении напряжения питания и других факторов.
На рис. 4.1 приведена амплитудная характеристика U вых = f (U вх) идеального стабилизатора напряжения. Из этой характеристики видно, что, начиная с входного напряжения U вх = U 0ст, дальнейший рост входного напряжения не вызывает изменения выходного напряжения U вых, т.е. осуществляется стабилизация.
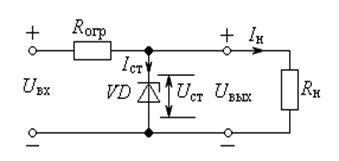
Принципиальная схема параметрического стабилизатора напряжения (рис. 4.2) является делителем входного напряжения U вх с ограничительным резистором R огр в верхнем плече и стабилитроном VD в нижнем.

Рисунок 4.2 – Схема параметрического стабилизатора напряжения
Стабилизация достигается тем, что избыток входного напряжения
|
|
|
(U вх – U ст) гасится на ограничительном резисторе R огр.
Поскольку стабилизатор является делителем напряжения, то при І н << І ст, т.е. при большом сопротивлении нагрузки R н, входное напряжение распределяется между его плечами по закону Кирхгофа, и поэтому выходное напряжение равно
U вых = U вх– І ст R огр. (4.1)
Из (4.1) следует, что единственной возможностью стабилизировать выходное напряжение (U вых = const) является увеличение тока І ст при увеличении входного напряжения U вх > U 0ст.
Тогда идеальная ВАХ VD должна иметь вид, представленный на рис. 4.3, а именно: до какого-то определённого напряжения на стабилитроне (U ст < U 0ст) ток стабилитрона І ст отсутствует. Поэтому, как следует из (4.1), U вых = U вх, т.е. стабилизации нет.
Когда же напряжение на стабилитроне превысит напряжение стабилизации (U ст > U 0ст), то появится ток стабилитрона І ст, который вызовет падение избыточного напряжения І ст R огр на резисторе R огр, из-за чего выходное напряжение U вых останется неизменным.
Стабилитрон, условное обозначение которого приведено на рис. 4.4, имеет ВАХ, близкую к идеальной (рис. 4.5).
|
|
| Рисунок 4.3 – ВАХ идеального элемента стабилизации | Рисунок 4.4 – Стабилитрон: а) условное обозначение; б)полярность обратного напряжения |
Рисунок 4.5 – ВАХ стабилитрона
|
Принцип действия стабилитрона можно пояснить следующим образом. При подаче обратного напряжения в стабилитроне возникает электрический пробой р - n -перехода, вызывающий неограниченный рост обратного тока из-за увеличения концентрации электронов в зоне проводимости.
Из рис. 4.5 видно, что большому изменению тока (І ст max – І ст min) сопутствует незначительное изменение обратного напряжения стабилитрона (U ст max – U ст min), т.е. оно остаётся стабильным. Это явление и используется в стабилизаторах напряжения.
|
|
|
Стабилизатор выполняет свои функции лишь при условии І н << І ст min, т.е. при большом сопротивлении нагрузки R н >> R огр .
Для объяснения принципа действия стабилизатора найдём уравнение линии нагрузки. По закону Кирхгофа входное напряжение U вх распределяется между стабилитроном VD и ограничительным сопротивлением R огр (см. рис. 4.2):
U вх = U ст + І ст R огр, (4.2)
откуда
І ст =
, (4.3)
где U ст – обратное напряжение на стабилитроне, являющееся выходным.
Выражение (4.3) является уравнением линии нагрузки. Поскольку относительно осей координат (U ст, I ст) уравнение (4.3) первой степени, то линией нагрузки является прямая, которая при U вх = U вх1 строится по двум точкам 1 и 2 (рис. 4.6 ).
Точка 1: І ст = 0, из уравнения(4.3) получаем: U ст = U вх1.
Точка 2: U ст = 0, из уравнения (4.3) получаем: I ст =
.

Рисунок 4.6 – Диаграмма работы параметрического стабилизатора напряжения
Стабилизатор работает следующим образом.
Найдём изменение выходного напряжения при изменении входного. Пусть выходное напряжение возросло от U вх1 до U вх2. Тогда линия нагрузки сместится параллельно относительно самой себе (точки 3; 4). Из рис. 4.6 видно, что изменение выходного напряжения
намного меньше изменения входного (
<<
), т.е. выходное напряжение стабильно.
Наличие стабилизации объясняется следующим образом.
Выходное напряжение по закону Кирхгофа равно
U вых = U вх – І ст R огр. (4.4)
При малом входном напряжении
электрический пробой стабилитрона VD не наступает, и поэтому его цепь фактически разорвана (І ст = 0). Поэтому, как видно из формулы (4.4), выходное напряжение повторяет входное (U вх = U ст), т.е. стабилизации нет.
Когда же входное напряжение велико
, стабилитрон VD пробивается. Появляется ток стабилитрона І ст > 0:
І ст =
, (4.5)
создавая падение напряжения І ст R огр на ограничительном резисторе R огр. Чем выше входное напряжение, тем больше ток І ст и, как следствие, больше падение напряжения І ст R огр. Так избыток входного напряжения (U вх – U ст) падает на R огр, оставляя выходное напряжение U вых неизменным, т.е. стабильным.
Эффективность стабилизатора оценивается коэффициентом стабилизации, который равен отношению относительных изменений входного и выходного напряжений:
. (4.6)
Всегда К ст > 1 и чем больше его значение, тем стабильнее выходное напряжение.
Рисунок 4.1 – Амплитудная характеристика идеального параметрического стабилизатора напряжения
Рисунок 4.5 – ВАХ стабилитрона






