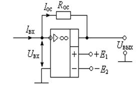
Рисунок 5.1 – Схема приемника тока
|
Приёмник тока, схема которого дана на рис. 5.1, по своим параметрам близок к идеальному и является базовым каскадом большинства устройств на операционных усилителях (ОУ).
Входной сигнал подается на инвертирующий вход. Резистор обратной связи R ос подает напряжение обратной связи из выходной цепи на инвертирующий вход, создавая параллельную отрицательную обратную связь по напряжению. Неинвертирующий вход подключён к нулю (корпусу). Таким образом, входное дифференциальное напряжение операционного усилителя U вх ОУ равно разности потенциалов инвертирующего и неинвертирующего входов. Эта схема подачи входного сигнала наиболее распространена.
Критерием идеального приёмника тока является ничтожно малое входное сопротивление схемы, которое равно
R вх =
. (5.1)
Поясним это соотношение.
Поскольку входное сопротивление собственно ОУ бесконечно велико (R вх ОУ = ∞), то его собственный входной ток ничтожно мал (І вх ОУ = 0). Поэтому входной ток источника сигнала I вхцеликом протекает по цепи R ос, в этом случае:
|
|
|
І вх = І ос. (5.2)
Следовательно, выходное напряжение в каскаде, охваченном цепью R ос, будет равно
U вых = І ос × R ос. (5.3)
Из формул (5.2) и (5.3) получим:
U вых = І вх × R ос. (5.4)
Подставляя (5.4) в (5.1), получаем
R вх =
×R ос. (5.5)
Собственный коэффициент усиления ОУ определяется как отношение
К 0 ОУ =
(5.6)
и равен большому значению: 105…106. Максимальное выходное неискаженное напряжение ОУ на (1-2) В меньше напряжения питания |+ E 1| = |– E 2|.
Из выражений (5.5) и (5.6) получим формулу:
R вх =
, (5.7)
откуда следует, что входное сопротивление R вх приёмника тока ничтожно мало. Например, при R ос = 10 кОм и К 0 ОУ = 105 входное сопротивление равно: R вх = 0,1 Ом.
Из рассмотрения параметров приёмника тока следуют выводы:
– входное сопротивление приёмника тока мало, поэтому потенциалы инвертирующего и неинвертирующего входов близки;
– разность потенциалов между ними U вх ОУ не превышает десятков микровольт;
– отрицательная обратная связь выравнивает потенциалы инвертирующего и неинвертирующего входов;
– приёмник тока усиливает разность потенциалов U вх ОУ между инвертирующим и неинвертирующим входами, преобразуя входной ток І вх в выходное напряжение U вых, как следует из формулы (5.4).
Рисунок 5.1 – Схема приемника тока






