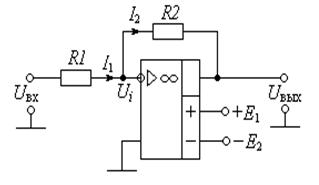
Для усиления входного напряжения необходимо преобразовать его в ток и подать на вход приёмника тока (см. рис. 5.1). Это преобразование в схеме инвертирующего усилителя (рис. 5.2) осуществляет резистор R 1, сопротивление которого задает значение входного тока инвертирующего усилителя I 1. Значение тока в цепи обратной связи I 2 задает сопротивление резистора R 2.
Резистор R 2 создаёт отрицательную обратную связь, с помощью которой расширяется полоса пропускания усилителя и обеспечивается требуемый коэффициент усиления напряжения усилителя, который существенно меньше собственного коэффициента усиления ОУ. Значения сопротивлений резисторов R 1 и R 2 определяют глубину отрицательной обратной связи и, следовательно, значение коэффициента усиления инвертирующего усилителя, которое равно:
Ки =
. (5.8)
Рисунок 5.2 – Схема инвертирующего усилителя |
Рассчитаем коэффициент усиле-ния напряжения инвертирующего усилителя Ки. Находим токи:
І 1 =
; (5.9)
І 2 =
.(5.10)
В формулах (5.9) и (5.10) напряжение Ui равно разности потенциалов между входами ОУ.
|
|
|
Поскольку отрицательная обратная связь выравнивает потенциалы входов ОУ, то потенциал инвертирующего входа равен нулю, т.е. можно полагать, что он является виртуальной землёй, тогда,
Uі = 0. (5.11)
Тогда токи в схеме (5.2) будут равны:
І 1 =
; (5.12)
І 2 = –
.(5.13)
Знак “–“ в формуле (5.13) отражает тот факт, что сигнал поступает к инвертирующему входу, поэтому знаки входного U вх и выходного U вых напряжений противоположны, сдвинуты по фазе на π.
Поскольку входные сопротивления входов собственно ОУ бесконечно велики, то они никогда не обтекаются токами. Поэтому входной ток І 1 может протекать только по цепи обратной связи R2, следовательно,
І 1 = І 2. (5.14)
Из формул (5.8) и (5.12)…(5.14) получаем выражение для коэффициента усиления инвертирующего усилителя
Ки и =
. (5.15)
Знак “–“ указывает на противоположность фаз U вх и U вых: U вых = – Ки U вх, т.е. инвертирующий усилитель поворачивает фазу входного сигнала на 180о.
Из выражения (5.15) видно, что коэффициент усиления инвертирующего усилителя однозначно определяется отношением сопротивлений резистора R 2в цепи обратной связи и резистора R 1в цепи инвертирующего входа. Выбором сопротивления R 2 обеспечивают требуемое усиление.
Входное сопротивление инвертирующего усилителя равно R 1, поэтому значение R 1 выбирают из условия обеспечения необходимого входного сопротивления. Значит, требуемый коэффициент усиления обеспечивают преимущественно выбором значения сопротивления R 2.
Инвертирующий усилитель может принимать сигналы как непосредственно по гальванической цепи (усилитель постоянного тока), так и через разделительный конденсатор (усилитель переменного тока).
|
|
|






