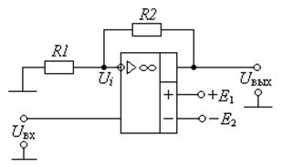
Рисунок 6.1 – Схема неинвертирующего усилителя |
В неинвертирующем усилителе, схема которого дана на рис. 6.1, входной сигнал подается на неинвертирующий вход. Поэтому фазы напряжений U вх и U вых совпадают.
Для определения коэффициента усиления учтём, что отрицательная ОС выравнивает потенциалы входов ОУ, поэтому: Uі = U вх. Напряжение Uі относительно корпуса также является выходным напряжением делителя R2; R1, подключенного к выходной цепи усилителя, поэтому
U вх = U вых
. (6.1)
Из формул (5.8) и (6.1) находим коэффициент усиления неинвертирующего усилителя
Ки н =
+ 1. (6.2)
Сопоставляя формулы (5.15) и (6.2), видим, что Ки н больше Ки и на единицу. Для больших коэффициентов усиления (Ки н >> 1) это не имеет значения, а для небольших значений Ки н единица влияет существенно.
Входное сопротивление неинвертирующего усилителя велико, так как равно сопротивлению входа собственно ОУ.






