Последовательные регистры, или регистры сдвига, предназначены для выполнения операций сдвига двоичной информации под действием внешних синхроимпульсов.
По направлению сдвига регистры различаются по трём признакам:
– регистры, выполняющие сдвиг числа от младших разрядов к старшим, называются регистрами сдвига вправо;
– регистры, выполняющие сдвиг числа от старших разрядов к младшим, называются регистрами сдвига влево;
– регистры, выполняющие сдвиг числа как вправо, так и влево, – реверсивные регистры сдвига.
Основное назначение регистров последовательного действия – это сдвиг информации, поступающей на вход.
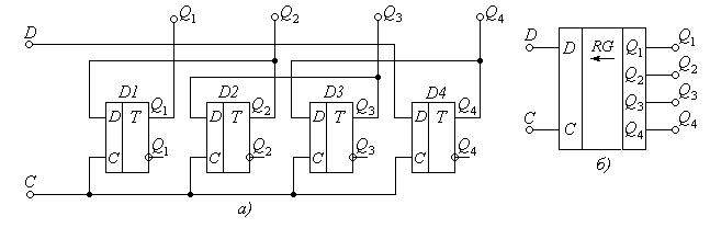
На рис. 14.1 дана схема и условное обозначение четырёхразрядного регистра сдвига вправо на D -триггерах.
Регистр имеет один информационный вход D, на который поступает информация в виде последовательности нулей и единиц, и тактовый вход С, на который подаются синхронизирующие импульсы.
Регистр сдвига вправо работает следующим образом.

Рисунок 14.1 – Регистр сдвига вправо: а) схема; б) условное обозначение
На параллельных выходах регистра Q 1 – Q 4 информация появляется одновременно, а на последовательном входе D только поочерёдно по одному биту.
Первый триггер D1 отвечает за младший разряд каждого слова информации, а D4 – за старший. Информация поступает, начиная с младшего разряда.
С поступлением синхронизирующих импульсов одновременно на тактовые входы С всех D -триггеров с каждым фронтом С выход последующего триггера копирует состояние предшествующего.
Регистр из четырёх триггеров или четырёх разрядов может принять информацию, которая состоит из четырёх бит.
Принцип действия регистра сдвига вправо иллюстрирует временная диаграмма его работы (рис. 14.2).

Рисунок 14.2 – Временная диаграмма работы регистра сдвига вправо
Для записи информации в данном регистре необходимы четыре такта синхроимпульсов С (1…4).
Считывание информации выходов Q 1, Q 2, Q 3, и Q 4 можно выполнить в параллельном коде одновременно с четырёх названных выходов или в последовательном коде с выхода последнего триггера D4.
Пусть к моменту t 1 на информационный D -вход регистра поступила единица. Она подготовит к взводу только триггер 1-го младшего разряда D1. Входы D остальных триггеров D2, D3 и D4 остаются под нулевыми потенциалами.
Фронт 1-го синхроимпульса С в момент t 1 взводит триггер D1 и на его выходе будет Q 1 = 1. Эта информация передаётся к входу D триггера D2 и подготавливает триггер D2 к взводу.
2-й синхроимпульс в момент t 2 взводит триггер D2 и тем самым изменяет потенциал на его выходе Q 2 с нуля на единицу.
С приходом 3-го синхроимпульса в момент t 3 на выходе Q 3 устанавливается логическая единица.
4-й синхроимпульс в момент t 4 взводит триггер D4 и на его выходе Q 4 потенциал будет равен 1.
Аналогичным образом запи-сываются и сдвигаются логичес-кие единицы, поступившие на D -вход регистра в моменты t 4, t 5, t 6.
Таким образом, в рассмотренной схеме (рис. 14.1) осуществляется сдвиг логических единиц и нулей, поступивших на D- вход регистра, от младшего разряда к старшему разряду, т.е. вправо.
Для увеличения ёмкости регистров используют их каскадное соединение, как показано на рис. 14.3, при котором выход последнего разрядапредшествующего регистра D1 соединяют с D -входом последующего регистра D2, а входы С объединяют в шину. При этом те же самые выходы последующего регистра D2: Q 1; Q 2; Q 3; Q 4 имеют в соединении другую разрядность: Q 5; Q 6; Q 7; Q 8, т.е. после разряда Q 4 будет разряд Q 5, затем Q 6 и т.д.
Рассматривая типы регистров, следует отметить, что сдвиг информации может быть как вправо, так и влево. Это зависит от того, как поступает информация на D -вход регистра: начиная с младшего разряда регистра или старшего.
Рисунок 14.4 – Регистр сдвига влево: а) схема; б) условное обозначение
На рис. 14.4 дана схема четырёхразрядного регистра сдвига влево.
Для осуществления сдвига влево D- входом регистра является вход D последнего триггера D4, а выход каждого последующего триггера соединён с D -входом предыдущего.
Принцип действия регистра сдвига влево иллюстрирует временная диаграмма его работы (рис. 14.5).

![]() | |
![]() | |
![]() | |
![]() | |
![]() |
Рисунок 14.5 – Временная диаграмма работы регистра влево
Регистр сдвига влево работает следующим образом.
Пусть к моменту t 1 на информационный D -вход регистра поступила единица. Она подготовит к взводу только триггер старшего разряда D4. Входы D триггеров D1, D2, D3 останутся под нулевыми потенциалами.
Фронт 1-го синхроимпульса С в момент t 1 взводит триггер старшего разряда D4 и на его выходе будет Q 4 = 1. Эта информация передаётся входу D триггера D3 и подготавливает триггер D3 к взводу.
2-й синхроимпульс в момент t 2 взводит триггер D3 и тем самым изменяет потенциал на его выходе Q 3 с нуля на единицу.
С приходом 3-го синхроимпульса в момент t 3 на выходе Q 2 устанавливается логическая единица.
4-й синхроимпульс в момент t 4 взводит триггер D1 и на его выходе Q 1 потенциал будет равен 1.
Аналогичным образом записываются и сдвигаются логические единицы, поступившие на D -вход регистра в моменты t 4, t 5, t 6.
Таким образом, в рассмотренной схеме (рис. 14.4) осуществляется сдвиг логических единиц и нулей, поступивших на D -вход регистра, от старшего разряда к младшему, т.е. влево.
![]() |
При каскадном соединении регистров сдвига влево (рис. 14.6), увеличение ёмкости осуществляется наращиванием младших разрядов, т.е. подключением к регистру D2 регистра D1. При этом D -вход регистра D1 подключается к выходу старшего разряда Q 5 регистра D2.
Преимуществом обоих рассмот-ренных однотактных регистров сдвига (и вправо, и влево) является их сравнительная простота, так как триггеры всех разрядов синхронизи-
руются сигналом, который подается по одной единственной шине С.
Недостаток заключается в явлении состязания фронтов, суть которого в том, что запись информации в следующий разряд (триггер) и срабатывание предыдущего триггера, с которого переписывается информация, происходят одновременно. Это может привести к тому, что предыдущий триггер уже сработал, а переписать из него информацию последующий триггер ещё не успел. Поэтому функциональная надёжность однотактного регистра сдвига в условиях дестабилизирующих факторов, например, при действии помех, может быть недостаточной.



