Дешифраторы в сравнении с шифраторами выполняют обратное преобразование.
Дешифраторами называются комбинационные логические структуры, предназначенные для преобразования (дешифрации) входного кода в символьную или алфавитно-цифровую информацию, т.е. в код “1 из п ”, в котором активный только один выход.
Дешифраторы, как и шифраторы, бывают полными и неполными.
Рассмотрим принцип построения полного линейного дешифратора 2…4 на логических схемах И. Такой дешифратор имеет 4 двухвходовые схемы 2И, которые обнаруживают единичные состояния всех входов.
При подаче двоичного числа на входах различных схем И должна быть комбинация прямых и инверсных входных переменных, поэтому входы дешифратора должны снабжаться инверторами.
Найдём логичное высказывание каждого выхода.
Входное число х 2 = 0; х 1 = 0 схема И может обнаружить, если к её входам подвести инверсные значения
и
. Тогда у 0 =
. Таким образом, уравнения состояний выходов дешифратора являются логическими произведениями состояний входов, в которые подставляем прямое состояние входа, если оно единично, и – инверсное, если оно нулевое.
|
|
|
Тогда состояния дешифратора 2…4 на схемах 2И описываются следующими уравнениями:
(15.1)
Схему дешифратора разрабатываем в виде матрицы (рис. 15.1). Входы схем 2И D3 … D6 соединяем с теми входами дешифратора, которые имеются в уравнениях (15.1).

Рис. 15.1 – Схема линейного дешифратора 2…4
Для пояснения работы дешифратора покажем таблицу его состояний (табл. 15.1).
Дешифратор работает следующим образом.
Инверторы D1 и D2 осуществляют инверсию
и
.
Подставляя состояния входов из табл. 15.1 в уравнения (15.1), убеждаемся в следующем.
При входном числе 0 оба входа нулевые: х 2 = 0 и х 1 = 0. Подставляя эти значения в уравнения (15.1), обнаруживаем, что выход только схемы D3 единичный: у 0 = 1. Это объясняется тем, что при х 2 = 0 и х 1 = 0 их инверсии единичные, что и обнаруживает схема D3.
На входах всех других схем D4, D5, D6 хотя бы один из входов нулевой, из-за чего у 1 = 0; у 2 = 0; у 3 = 0.
При входном числе 1 состояния входов х 2 = 0; х 1 = 1. Подставляя эти значения в уравнения (15.1), убеждаемся в том, что только выход схемы D4 единичный: у 1 = 1 и т.д.
Дешифраторы можно реализовать и на других логических схемах, например, на схемах И-НЕ. Различие при этом лишь в том, что при обоих единичных входах на выходе соответствующей схемы будет логический нуль.
Если дешифратор реализовать на схемах 2И-НЕ, то прямые и инверсные их входы следует сменить на противоположные. Тогда на выходе схемы только с двумя входными единицами будет логическая единица. На выходах других трёх схем будут логические нули.
В неполных дешифраторах имеется определённое число неиспользованных входных наборов. Распространённым примером является неполный дешифратор 4…10, выполняющий преобразование двоично-десятичного кода в десятичный.
|
|
|
Рассмотрим принцип построения неполного дешифратора 4…10 на схемах логического умножения И. Такой дешифратор содержит 10 четырёхвходовых схем 4И, каждая из которых обнаруживает единичные состояния всех своих четырёх входов. Поэтому уравнение каждого выхода является логическим произведением состояний входов, в которое подставляем инверсное состояние входа, если он нулевой, и – прямое, если он единичный.
Тогда логические уравнения дешифратора следующие:
(15.2)
Схему дешифратора разрабатываем в виде матрицы (рис. 15.2). Входы схем 4И соединяем соответственно с теми входами дешифратора, которые содержатся в уравнениях (15.2). Выходы дешифратора у 0 … у 9 показывают десятичное число, которое соответствует кодовой комбинации входного числа.
На рис. 15.2 дано условное обозначение двоично-десятичного счётчика СТ2 – СТ10, двоичные выходы 1, 2, 4, 8 которого подключены соответственно к входам дешифратора х 1, х 2, х 3, х 4. Эти входы прямые или инверсные соединены с четырьмя входами схем 4И в соответствии с логическими функциями в уравнениях (15.2).
Рисунок 15.2 – Схема неполного дешифратора 4…10
Согласно уравнениям в схеме рис. 15.2 входы элемента 4И- у 0 соединены со всеми инверсными входами
дешифратора.
Входы элемента 4И- у 1 соединены с инверсными входами дешифратора
и прямым
и т.д., чтобы произведение состояний входов для каждого выхода у 0, … у 9 было бы единичным.
Для объяснения работы дешифратора приведём таблицу его состояний (табл. 15.2).
Таблица 15.2 – Состояния неполного дешифратора 4…10
| Число | Входы | Выходы | ||||||||||||
| х 4 | х 3 | х 2 | х 1 | у 0 | у 1 | у 2 | у 3 | у 4 | у 5 | у 6 | у 7 | у 8 | у 9 | |
Дешифратор работает следующим образом.
Как видно из табл. 15.2, при сброшенном счётчике на его выходах нули: х 1 = 0, х 2 = 0, х 3 = 0, х 4 = 0. Подставляя инверсии этих значений
в первое уравнение (15.2), убеждаемся в том, что только у 0 = 1. Это объясняется тем, что схема 4И обнаруживает только единичные состояния входов. Поэтому при х 1 = 0, х 2 = 0, х 3 = 0, х 4 = 0 под единицами окажутся только входы схемы 4И- у 0, так как к ним подключены инверсные значения
, следовательно, у 0 = 1. Все остальные выходы нулевые, так как хотя бы один из их входов остальных схем 4И нулевой.
Если счётчик содержит число 1, то единичными будут все входы схемы 4И- у 1, из-за чего только этот выход будет единичным: у 1 = 1 и т.д. Любому содержимому счётчика в пределах 0…9 соответствует только одна единица на выходах у 0, … у 9.
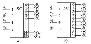
Промышленностью выпускаются дешифраторы как полные (рис. 15.3, а), так и неполные (рис. 15.3, б).
Неполные дешифраторы используются, например, для преобразования двоично-десятичного кода в десятичный (рис. 15.3, б).
| |||
![]() |







