1) Входы разработанного дешифратора должны быть подключены к соответствующим выходам двоично-десятичного счетчика.
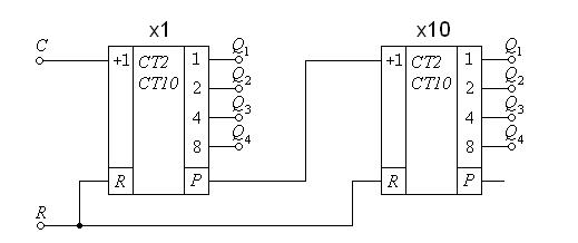
2) На рис. 15.4 дана схема двухразрядного двоично-десятичного счетчика. На ней изображены первый десятичный разряд ´1, который подсчитывает единицы от 0 до 9 включительно, и второй десятичный разряд ´10, который подсчитывает числа от 10 до 90.

Рисунок 15.4 – Двухразрядный двоично-десятичный счетчик
На схеме рис. 15.4 обозначены:
С - вход счетчика; R - вход сброса; Р - выход переполнения;
Q 1 – выход первого двоичного разряда с весовым коэффициентом 20 = 1;
Q 2 – выход второго двоичного разряда с весовым коэффициентом
21 = 2 и т.д. (опишите все обозначения на схеме).
3) Чтобы на выходах дешифратора выявленное число определялось бы логическими единицами, следует выбрать логический элемент И. Если надо выявленное число определять логическими нулями, то следует выбрать логический элемент ИЛИ.
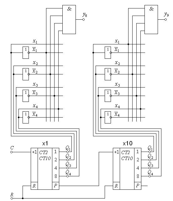
4) Поскольку каждая декада двоично-десятичного счетчика имеет четыре двоичных выхода (рис. 15.4), то дешифратор должен быть выполнен на двух четырехвходових логических элементах (рис. 15.5).
|
|
|
5) Так как схема 4И осуществляет логическое умножение, то она выявляет только все единичные входы. Поэтому для выявления нужного числа необходимо на входы схемы 4И подавать комбинацию прямых и инверсных выходов счетчика так, чтобы для обнаруженного числа все входы схемы 4И были бы единичными. Так, например, в нулевом состоянии счетчика все его выходы нулевые. Поэтому для выявления нулевого состояния счетчика следует инвертировать все его выходы.
Логическое уравнение для одного десятичного разряда выбирается из системы уравнений (15.2):
(15.2)
В данных уравнениях: хі – прямые выходы счетчика;
– инверсные выходы счетчика.
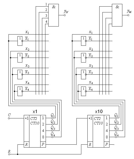
Обобщенная структурная схема дешифратора приведена на рис. 15.6.
На схеме 15.6: M – предпоследняя цифра номера зачетной книжки, а N – последняя.
Поскольку счетчики на схеме рис 15.6 имеют только прямые выходы, то к выходу Qі каждого разряда счетчика подключен инвертор. По заданию схема дешифратора должна быть выполнена в виде матрицы, т.е. она должна выполняться ортогональными линиями: горизонтальными и вертикальными любой длины. Выходы каждого счетчика хі и
выполняются в виде шины, потому что к ним подключаются входы и других схем уі.
Шина – это совокупность электрических проводников и передаваемых по ним сигналов, сгруппированных в соответствии с функциональным назначеним.
Каждый вход схемы 4И (при другой реализации дешифратора 4ИЛИ) должен соединяться только с одной шиной в соответствии с логическим высказыванием уі. Это важное свойство матричной схемы позволяет достаточно легко контролировать правильность ее выполнения.
|
|
|
Рисунок 15.6 – Обобщенная структурная схема дешифратора двоично-десятичного счетчика
Обобщенная структурная схема рис. 15.6 справедлива для любого варианта задания. Для разработки принципиальной схемы необходимо и достаточно выполнить соединение каждого входа (1; 2; 3; 4) схемы 4И с соответствующим выходом счетчика прямым хі или инверсным
.
Пусть, например, надо выявить число 9.
Логическим уравнением выявления числа 9 будет выражение:
у 9 =
.
Пример выполнения соединений для выявления числа 9 показан на рис. 15.7.
Из высказывания у 9 видно, что к двум входам схемы 4И следует подключить два прямых выхода счетчика х 1 и х 4, а к двум другим входам – два инверсных
и
(рис. 15.7).
6) Для выявления полного заданного числа необходимо составить логическое выражение для каждого из двух выходов дешифратора.
Пусть, например, последние две цифры зачетной книжки составляют M = 9 и N = 8. Тогда заданное число равно:
(10× M + N) =
+ 8 = 98.
Следовательно, первый (младший) десятичный разряд – ´1 должен хранить двоичное число 1000, а второй (старший) десятичный разряд – ´10 должен хранить двоичное число 1001.
Схема дешифратора числа 98 показана на рис. 15.8.
7) Дешифратор работает следующим образом.
В нулевом состоянии декады х1 все ее выходы хі нулевые. Будучи инвертированными, они обеспечат на всех входах схемы 4И для у 0 логические единицы:
у 0 =
,
поэтому у 0 = 1. На выходе дешифратора получим число 0.
В любом другом состоянии декады ´1 хотя бы один из его выходов будет единичным. Остальные выходы нулевые. После инверсии нулевых выходов при любом содержании декады ´1 всегда найдется такая комбинация прямых и инверсных выходов, которая обеспечит все логические единицы на входах схемы 4И.
При содержании декады ´1, которое равно заданному двоичному числу 1000 (которое соответствует десятичному числу 8), прямой выход счетчика х 4 = 1, а три другие прямые выходы нулевые: х 1 = 0; х 2 = 0; х 3 = 0. На выходах инверторов они преобразуются в единичные: 
Поэтому только при числе 8 в счетчике все входы схемы 4И будут единичными, поэтому выход у 8 = 1.
Так дешифратор первой декады ´1 выявляет число 8, о чем свидетельствует логическая единица на выходе у 8.
Аналогичным образом необходимо описать работу дешифратора декады ´10.

Рисунок 15.8 – Пример выполнения соединений в дешифраторе для выявления числа 98
Контрольные вопросы
1. Расскажите, какие цифровые устройства называют шифраторами и для чего они предназначены.
2. Расскажите, какие цифровые устройства называют дешифраторами и для чего они предназначены.
3. Объясните, какие шифраторы (дешифраторы) называются полными, а какие – неполными.
15.6. Рекомендованная литература
1. Воробйова О.М. Основи схемотехніки: підручник / О.М. Воробйова, В.Д. Іванченко. – [2-ге вид.]. – Одеса: Фенікс, 2009. – С. 303 – 322.
2. Воробйова О.М. Основи схемотехніки: У 2-х частинах: навч. посіб. / О.М. Воробйова, В.Д. Іванченко. – Одеса: ОНАЗ ім. О.С. Попова, 2004. – Частина 2. – С. 288 – 309.
3 Воробьева Е. М. Основы схемотехники: конспект лекций в 2-х частях / Е.М. Воробьева В.Д Иванченко. – Одесса: ОНАС им. А.С. Попова, 2012. – Часть 2. – С. 10 – 16.
Тема 16. Мультиплексоры и демультиплексоры






