Если на вход схемы преобразователя четырехразрядного прямого кода в дополнительный код (см. рис. 6.15) подать дополнительный код, то на выходе получим прямой код.
Преобразователь прямого кода в обратный код
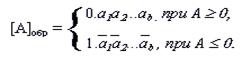
Правило кодирования чисел:

Например, число А=0.10000 в обратном коде [A]обр=1.01111
В десятичной системе счисления обратный код образуется путём преобразования каждой цифры числа в дополнение до 9. В таблице 2 приведены для десятичных цифр прямые коды и соответствующие им обратные коды.
Таблица 6.2
| Десятичная цифра | Прямой код | Обратный код | ||||||
| Х(8) | Х(4) | Х(2) | Х1 | У(8) | У(4) | У(2) | У(1) | |
Из сопоставления приведённых в таблице значений не трудно заключить, что:
|
|
|

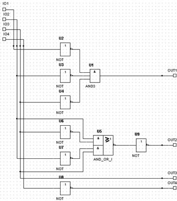
Получаем схему, формирующую обратный код.

Рис. 6.20 Четырех разрядный преобразователь прямого кода в обратный код. Временные диаграммы

Рис. 6.21 Внутренняя структура элемента «Convert» (преобразователь прямого кода в обратный)

Рис. 6.22 Преобразователь прямого кода в обратный код в пакете MAX+Plus II

Рис. 6.23 Временные диаграммы преобразователя прямого кода в обратный

Рис. 6.24 Матрица временных задержек