Электрооборудование транспортных и
Транспортно-технологических машин
Лекция 5
Система зажигания
Учебные вопросы:
Общие сведения.
Классификация батарейных систем зажигания.
Принцип работы системы зажигания
Общие сведения
Воспламенение рабочей смеси в камере сгорания автомобильного карбюраторного двигателя как в период пуска, так и во время его работы осуществляется посредством электрического разряда между электродами свечи, ввернутой в головку цилиндра двигателя.
Бесперебойное искрообразование между электродами свечи происходит при высоком напряжении (8... 20 кВ). На прогретом двигателе к моменту искрообразования рабочая смесь сжата и имеет температуру, близкую к температуре самовоспламенения. В этом случае достаточно незначительной энергии электрического разряда порядка 5мДж. Однако имеется ряд режимов работы двигателя, когда требуется значительная энергия искры, порядка 30... 100 мДж. К таким режимам следует отнести пусковой режим, работу на бедных смесях при частичном открытии дросселя, работу на холостом ходу, работу при резких открытиях дросселя.
|
|
|
Электрическая искра вызывает появление в ограниченном объеме ра0очей смеси первых активных центров, от которых начинается развитие химической реакции окисления топлива. Воспламенение рабочей смеси является началом бурной реакции окисления топлива, сопровождающейся выделением тепла.
Система зажигания двигателя предназначена для генерации импульсов высокого напряжения, вызывающих вспышку рабочей смеси в камере сгорания двигателя, синхронизации этих импульсов с фазой двигателя и распределения импульсов зажигания по цилиндрам двигателя. От мощности искры и момента зажигания рабочей смеси в значительной степени зависит экономичность и устойчивость работы двигателя, а также токсичность отработавших газов.
В настоящее время на автомобильных карбюраторных двигателях широко применяют батарейные системы зажигания, которые позволяют увеличить напряжение автомобильной аккумуляторной батареи или генератора (в зависимости от режима работы двигателя) до величины, необходимой для возникновения электрического разряда, и в требуемый момент подать это напряжение на соответствующую свечу зажигания. Момент зажигания характеризуется углом опережения зажигания, который представляет собой угол поворота коленчатого вала, отсчитываемый от положения вала в момент подачи искры до положения, когда поршень приходит в верхнюю мертвую точку (ВМТ). Известные ныне системы зажигания получают необходимую энергию не непосредственно от аккумуляторной батареи, а от промежуточного накопителя энергии. В зависимости от накопителя различают системы с накоплением энергии в индуктивности и емкости.
|
|
|
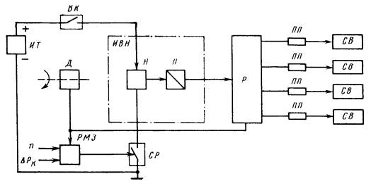
На рис. 1 представлена структурная схема батарейной системы зажигания.

Рисунок 1 Структурная схема батарейной системы зажигания
На схеме показаны основные элементы системы зажигания:
1. Источник тока ИТ, функцию которого выполняет аккумуляторная батарея или генератор.
2. Выключатель цепи питания ВК,функцию которого выполняет замок зажигания.
3. Датчик-синхронизатор Д, механическим способом связанный с коленчатым валом двигателя, определяет угловое положение коленчатого вала.
4. Регулятор момента зажигания РМЗ,который механическим или электрическим способом вычисляет момент подачи искры в зависимости от частоты вращения или нагрузки двигателя.
5. Источник высокого напряжения ИВН,содержащий накопитель энергии Ни преобразователь низкого напряжения в высокое П,функцию которых выполняет катушка зажигания.
6. Силовое реле СРпредставляет собой электромеханический ключ (контакты прерывателя) или электронный ключ (мощный транзистор или тиристор), управляется РМЗ,служит для подключения и отключения ИТк накопителю ИВН,т. е. управляет процессами накопления и преобразования энергии.
7. Распределитель импульсов высокого напряжения Рмеханическим либо электрическим способом распределяет высокое напряжение по соответствующим цилиндрам двигателя.
8. Элементы помехоподавления ПП, функции которых выполняют экранирование проводов и помехоподавительные резисторы, размещенные либо в распределителе Р,либо в свечных наконечниках, либо в высоковольтных проводах в виде распределенного сопротивления.
9. Свечи зажигания СВ,которые служат для образования искрового разряда и зажигания рабочей смеси в камере сгорания двигателя.






