Тенденции развития ДВС связаны с повышением их экономичности, снижением токсичности отработавших газов, уменьшением массы и габаритных размеров. повышением частоты вращения коленчатого вала и степени сжатия.
Это оказывает влияние на конструкцию и схемное исполнение систем зажигания. не затрагивая, однако, основного принципа их действия, — накопления энергии в магнитном или электрическом поле с последующим мгновенным выделением ее в искровом промежутке свечи в нужный момент такта сжатия в рабочем цилиндре и в соответствии с заданным порядком работы цилиндров двигателя.
Разряд в искровом промежутке вызывается импульсом напряжения, величина которого зависит от температуры и давления в камере сгорания, конфигурации и размеров искрового промежутка. Величина импульса должна обеспечиваться системой зажигания с определенным запасом, с учетом износа электродов свечи в эксплуатации. Обычно коэффициент запаса составляет 1,5 - 1.8, а величина импульса напряжения лежит в пределах 20 - 30 кВ.
На начальную фазу сгорания топлива влияет энергия и длительность искрового разряда в свече. В современных системах энергия разряда достигает 50 МДж, а его длительность 1 - 2,5 мс.
По способу накопления энергии различаются системы с накоплением энергии в индуктивности и в емкости (рис. 3). В обоих случаях для получения импульса высокого напряжения используется катушка зажигания, представляющая собой высоковольтный трансформатор, содержащий две обмотки: первичную с малым числом витков и омическим сопротивлением в доли и единицы Ома и вторичную с большим числом витков и омическим сопротивлением в единицы и десятки кОм.

Рисунок 3 Системы зажигания
а – с накоплением энергии в индуктивности; б – с накоплением энергии в емкости
Коэффициент трансформации катушки лежит в пределах 50 - 150. Значительное количество энергии, которое требуется для воспламенения рабочей смеси, накопить в конденсаторе приемлемых размеров при достаточно низком напряжении бортовой сети невозможно. Поэтому система по рис. 3,б оборудована высоковольтным преобразователем напряжения. Такое усложнение схемы не дает существенных преимуществ, поэтому системы с накоплением энергии в емкости на автомобилях практически не применяются.
Принцип работы схемы, изображенной на рис. 3, а, характерен для всех систем зажигания, устанавливаемых на автомобилях.
Выключатель зажигания S1 включает систему в сеть питания. В некоторых системах роль выключателя S1 играют контакты реле, управляемого выключателем зажигания. При вращении вала двигателя происходит замыкание контактов прерывательного механизма S2, и ток начинает нарастать в первичной цепи катушки зажигания по экспоненте, как это показано на рис. 4, а.
В момент, необходимый для подачи искрового импульса на зажигание, прерыватель S2 разрывает свои контакты, после чего возникает колебательный процесс, связанный с обменом энергией между магнитным полем катушки и электрическим полем в емкостях С1 и С2. Амплитуда колебаний напряжения, приложенного к электродам свечи U2 убывает по экспоненте, как показано на рисунке 4,б пунктиром. Однако интерес представляет лишь первая полуволна напряжения, т.к., если ее максимальное значение U2m превышает напряжение пробоя искрового промежутка Uп, возникает необходимая для зажигания искра.

Рисунок 4 Временные диаграммы тока в первичной цепи I1 (а) и вторичного напряжения U2 (б) системы зажигания
Величина U2m зависит от коэффициента трансформации катушки зажигания Кт = w2/ w 1 (w2 и w 1 соответственно число витков вторичной и первичной обмоток катушки), величины тока первичной обмотки в момент разрыва I1р, а также индуктивности L1 и емкости С1 первичной и С2 вторичной цепей:

Коэффициент Кп учитывает потерю энергии в активных сопротивлениях первичной R1 и вторичной R2 цепей, в сопротивлении нагара Нш, шунтирующего искровой промежуток, а также в сердечнике катушки при его перемагничивании. Обычно Кп лежит в пределах 0,7 - 0,8. Влияние нагара на свечах на искрообразование значительно снижается с увеличением скорости нарастания вторичного напряжения. В современных системах эта скорость лежит в пределах 200 - 700 В/мкс.
После пробоя искрового промежутка вторичное напряжение резко уменьшается (рис. 4). При этом в искровом промежутке сначала искра имеет емкостную фазу, связанную с разрядом емкостей на промежуток, а затем индуктивную, во время которой в искре выделяется энергия, накопленная в магнитном поле катушки. Емкостная составляющая искры обычно кратковременна, очень ярка, имеет голубоватое свечение. Сила тока в искре велика даже при малом количестве протекающего в ней электричества. Индуктивная составляющая отличается значительной продолжительностью, небольшой силой тока, большим количеством электричества и неярким красноватым свечением. Осциллограмма вторичного напряжения, соответствующая рис. 4, является признаком нормальной работы системы зажигания. О нормальной работе свидетельствует и вид искры между электродами свечи. В исправной системе она имеет яркое ядро, окруженное пламенем красноватого цвета.
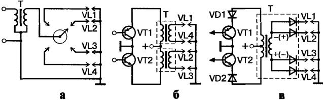
Распределение зажигания по цилиндрам может производиться как на высоковольтной, так и на низковольтной стороне (рис.5).

Рисунок 5 Способы распределения зажигания по цилиндрам двигателя:
а – высоковольтное распределение; б – низковольтное распределение двухвыводной катушки зажигания; в - низковольтное распределение четырехвыводной катушки зажигания
При низковольтном распределении каждая катушка зажигания обслуживает два либо четыре цилиндра. В первом случае катушка имеет два высоковольтных вывода (двухвыводная катушка), во втором четыре (четырехвыводная). Импульсы напряжения на обоих выводах двухвыводной катушки появляются одновременно, но один из них подается в цилиндр в такте сжатия и производит воспламенение рабочей смеси, в другом цилиндре в зто время избыточное давление отсутствует и выделенная в искре энергия расходуется вхолостую. Четырехвыводная катушка снабжена первичной обмоткой, состоящей из двух секций, работающих попеременно. Высоковольтные диоды обеспечивают разделение цепей, так как высоковольтные импульсы такой системы разнополярны. Это является недостатком системы с четырехвыводнои катушкой, поскольку, в зависимости от полярности импульса, пробивное напряжение на свече может отличаться на 1,5 - 2 кВ. Катушка может обслуживать и один цилиндр, в этом случае она обычно располагается на свече.
В настоящее время наиболее распространено высоковольтное распределение зажигания, однако развитие электроники позволяет перейти, вернее вернуться, к низковольтному распределению, как, например, на первых автомобилях фирмы «Форд», где имелись 4 прерывателя и 4 катушки зажигания.
При одинаковом принципе работы системы зажигания по своим конструктивным и схемным выполнениям делятся на контактную систему (иначе ее называют классической), контактно-транзисторную и бесконтактную электронные системы зажигания.