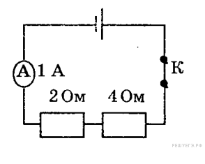
1. B 15 № 1404. Как изменится сопротивление участка цепи АВ, изображенного на рисунке, если ключ К разомкнуть?

Сопротивление каждого резистора равно 4 Ом.
1) уменьшится на 4 Ом
2) уменьшится на 2 Ом
3) увеличится на 2 Ом
4) увеличится на 4 Ом
Решение.
До размыкания ключа, изображенные на рисунке вертикально сопротивления закорочены, схема представляет собой просто резистор R.

Если разомкнуть ключ, «вертикальные» сопротивления перестанут быть закороченным и схема станет представлять собой последовательно соединение резистора R с двумя параллельно соединенными резисторами R. Следовательно сопротивление участка цепи после размыкания ключа будет равно:
.
Таким образом, сопротивление участка цепи увеличится на 2 Ом.
|
|
|
Правильный ответ: 3.
2. B 15 № 1408. На фотографии — электрическая цепь.

Показания вольтметра даны в вольтах.Чему будут равны показания вольтметра, если его подключить параллельно резистору 2 Ом? Вольтметр считать идеальным.
1) 0,3 В
2) 0,6 В
3) 1,2 В
4) 1,8 В
Решение.
Согласно закону Ома, сила тока, сопротивление проводника и напряжение между его концами связаны соотношением
. Поскольку резистор 1 Ом и резистор 2 Ом подключены последовательно, сила тока, текущего через них, совпадает. Следовательно, идеальный вольтметр, подключенный параллельно к резистору 2 Ом, покажет напряжение
.
Правильный ответ: 3.
3. B 15 № 1409. На рисунке показан участок цепи постоянного тока.

Каково сопротивление этого участка, если
?
1) 7 Ом
2) 2,5 Ом
3) 2 Ом
4) 3 Ом
Решение.
Участок представляет собой последовательное соединение резистора r и двух параллельно соединенных резисторов 3 r. Следовательно, сопротивление этого участка равно
.
Правильный ответ: 2.
4. B 15 № 1410. На фотографии — электрическая цепь.

Показания включенного в цепь амперметра даны в амперах. Какое напряжение покажет идеальный вольтметр, если его подключить параллельно резистору 3 Ом?
|
|
|
1) 0,8 В
2) 1,6 В
3) 2,4 В
4) 4,8 В
Решение.
Согласно закону Ома, сила тока, сопротивление проводника и напряжение между его концами связаны соотношением
. Все резисторы подключены последовательно, а значит, через них всех течет одинаковый ток силой 0,8 A. Таким образом, идеальный вольтметр, подключенный параллельно к резистору 3 Ом, покажет напряжение 
Правильный ответ: 3.
5. B 15 № 1411. На участке цепи, изображенном на рисунке, сопротивление каждого из резисторов равно R.

Полное сопротивление участка при замкнутом ключе К равно
1) 
2) R
3) 2R
4) 3R
Решение.
После замыкания ключа правая половина схемы окажется закороченной, получившаяся схема будет эквивалента двум подключенным параллельно резисторам.

Полное сопротивление участка при замкнутом ключе К равно:
.
Правильный ответ: 1.
6. B 15 № 1412. На участке цепи, изображенном на рисунке, сопротивление каждого из резисторов равно R.

Полное сопротивление участка при замкнутом ключе К равно:
1) 
2) R
3) 2 R
4) 3 R
Решение.
После замыкания ключа левая половина схемы окажется закороченной, получившаяся схема будет эквивалента просто одному резистору.

Полное сопротивление участка при замкнутом ключе К равно R.
Правильный ответ: 2.
7. B 15 № 1413. На участке цепи, изображенном на рисунке, сопротивление каждого из резисторов равно R.

Полное сопротивление участка при замкнутом ключе K равно:
1) 
2) R
3) 2 R
4) 3 R
Решение.
После замыкания ключа схема будет представлять собой параллельное сопротивление резистора с двумя последовательно соединенными резисторами.

Полное сопротивление участка при замкнутом ключе K равно:
.
Правильный ответ: 1.
8. B 15 № 1414. На участке цепи, изображенном на рисунке, сопротивление каждого из резисторов равно R.

Полное сопротивление участка при замкнутом ключе K равно:
1) 
2) R
3) 2 R
4) 3 R
Решение.
После замыкания ключа правая половина схемы окажется закороченной, получившаяся схема будет эквивалента двум подключенным последовательно резисторам.

Полное сопротивление участка при замкнутом ключе K равно:
.
Правильный ответ: 3.
9. B 15 № 1415. На участке цепи, изображенном на рисунке, сопротивление каждого из резисторов равно R.

Полное сопротивление участка при замкнутом ключе К равно:
1) 0
2) R
3) 2 R
4) 3 R
Решение.
После замыкания ключа клеммы окажутся закороченными.

Полное сопротивление участка при замкнутом ключе К равно 0.
Правильный ответ: 1.
10. B 15 № 1417. Участок цепи состоит из трех последовательно соединенных резисторов, сопротивления которых равны r, 2r и 3r Сопротивление участка уменьшится в 1,5 раза, если убрать из него:
1) первый резистор
|
|
|
2) второй резистор
3) третий резистор
4) первый и второй резисторы
Решение.
Участок цепи, состоящий из трех последовательно соединенных резисторов с сопротивлениями r, 2 r и 3 r, имеет сопротивление
. Чтобы уменьшить это сопротивление в 1,5 раза, то есть сделать его равным:
,
необходимо убрать сопротивление 2 r. Следовательно, нужно убрать второй резистор.
Правильный ответ: 2.
11. B 15 № 1419. На рисунке показан участок цепи постоянного тока, содержащий 3 резистора.

Если сопротивление каждого резистора 21 Ом, то сопротивление всего участка цепи:
1) 63 Ом
2) 42 Ом
3) 14 Ом
4) 7 Ом
Решение.
Участок цепи представляет собой два последовательно соединенных резистора, к которым параллельно подсоединен еще один. Следовательно, сопротивление всего участка равно:
.
Правильный ответ: 3.
12. B 15 № 1421. На участке цепи, изображенном на рисунке, сопротивление каждого из резисторов равно R.

Полное сопротивление участка при замкнутом ключе К равно:
1) 0
2) 
3) 
4) 
Решение.
1 способ:
После замыкания ключа левая половина схемы окажется закороченной, получившаяся схема будет эквивалента просто одному резистору.

Полное сопротивление участка при замкнутом ключе К равно R.
Правильный ответ: 2.
2 способ:
Рассмотрим левую половинку схемы после замыкания ключа. Она представляет собой параллельное соединение резистора с сопротивлением R и соединительного провода с пренебрежимо малым сопротивлением. Поэтому по правилу подсчета общего сопротивления параллельно соединенных проводников получаем, что сопротивление левой половинки равно
.
|
|
|
Таким образом, сопротивление левой половинки схемы равно нулю. Отсюда сразу получаем, что полное сопротивление схемы после замыкания ключа равно
.
13. B 15 № 1422. На участке цепи, изображенном на рисунке, сопротивление каждого из резисторов равно R.

Полное сопротивление участка при замкнутом ключе К равно:
1) 
2) R
3) 2 R
4) 0
Решение.
После замыкания ключа схема будет эквивалента параллельному соединению двух резисторов.

Полное сопротивление участка при замкнутом ключе К равно:
.
Правильный ответ: 1.
14. B 15 № 1423. На участке цепи, изображенном на рисунке, сопротивление каждого из резисторов равно R.

Полное сопротивление участка при замкнутом ключе К равно:
1) 
2) R
3) 2 R
4) 0
Решение.
После замыкания ключа левая половина схемы окажется закороченной, получившаяся схема будет эквивалента просто одному резистору.

Полное сопротивление участка при замкнутом ключе К равно R.
Правильный ответ: 2.
15. B 15 № 1424. На участке цепи, изображенном на рисунке, сопротивление каждого из резисторов равно R.

Полное сопротивление участка при замкнутом ключе К равно:
1) 
2) R
3) 2 R
4) 3 R
Решение.
После замыкания ключа левая половина схемы окажется закороченной, получившаяся схема будет эквивалента последовательному соединению трех резисторов.

Полное сопротивление участка при замкнутом ключе К равно:
.
Правильный ответ: 4.
16. B 15 № 1425. На участке цепи, изображенном на рисунке, сопротивление каждого из резисторов равно R.

Полное сопротивление участка при замкнутом ключе К равно:
1) 
2) R
3) 2 R
4) 0
Решение.
После замыкания ключа схема будет эквивалента последовательному соединению двух пар параллельно соединенных резисторов.

Полное сопротивление участка при замкнутом ключе К равно:
.
Правильный ответ: 2.
17. B 15 № 1426. Рассчитайте общее сопротивление электрической цепи, представленной на рисунке.

1) 6 Ом
2) 4 Ом
3) 3 Ом
4) 0,25 Ом
Решение.
Электрическая цепь представляет собой последовательное соединение резистора 1 Ом с параллельно соединенными резисторами 2 Ом и еще одним резистором 1 Ом. Сопротивление такой схемы равно:
.
Правильный ответ: 3.
18. B 15 № 1427. Сопротивление цепи на рисунке равно:

1) 11 Ом
2) 6 0м
3) 4 Ом
4) 1 0м
Решение.
Электрическая цепь представляет собой последовательное соединение резистора 2 Ом с параллельно соединенными резисторами 6 Ом и 3 Ом. Сопротивление такой схемы равно:
.
Правильный ответ: 3.
19. B 15 № 1436. Каким будет сопротивление участка цепи (см. рисунок), если ключ К замкнуть?

(Каждый из резисторов имеет сопротивление R.):
1) 2 R
2) 0
3) 3 R
4) R
Решение.
После замыкания ключа клеммы окажутся закороченными.

Полное сопротивление участка при замкнутом ключе К равно 0.
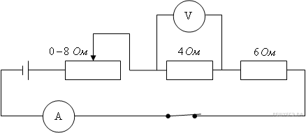
20. B 15 № 3230. На рисунке представлена электрическая цепь. Амперметр и вольтметр считайте идеальными. Вольтметр показывает напряжение 2 В. Амперметр показывает силу тока

1) 0,2 А
2) 0,5 А
3) 0,8 А
4) 1,2 А
Решение.
Реостат, два резистора с сопротивлениями 4 Ом и 6 Ом и амперметр подключены последовательно, а значит, через них течет одинаковый ток. Используя закон Ома для участка цепи, определим силу тока, текущего через резистор с сопротивлением 4 Ом:
. Именно такую силу тока и показывает амперметр.
21. B 15 № 3231. На рисунке представлена электрическая цепь. Вольтметр показывает напряжение 2 В. Считая амперметр и вольтметр идеальными, определите показания амперметра.

1) 0,2 А
2) 0,5 А
3) 0,8 А
4) 1,2 А
Решение.
Реостат, два резистора с сопротивлениями 4 Ом и 10 Ом и амперметр подключены последовательно, а значит, через них течет одинаковый ток. Используя закон Ома для участка цепи, определим силу тока, текущего через резистор с сопротивлением 10 Ом:
Именно такую силу тока и показывает амперметр.
22. B 15 № 3232. На рисунке представлена электрическая цепь. Амперметр и вольтметр считайте идеальными. Вольтметр показывает напряжение 12 В. Амперметр показывает силу тока

1) 0,2 А
2) 0,5 А
3) 0,8 А
4) 1,2 А
Решение.
Реостат, два резистора с сопротивлениями 4 Ом и 6 Ом и амперметр подключены последовательно, а значит, через них течет одинаковый ток. Вольтметр подключен к участку цепи, представляющему собой последовательное соединение двух резисторов. Общее сопротивление этого участка цепи равно
. Используя закон Ома, определим силу тока, текущего через резисторы:
. Именно такую силу тока и показывает амперметр.
23. B 15 № 3233. На рисунке представлена электрическая цепь. Амперметр и вольтметр считайте идеальными. Вольтметр показывает напряжение 12 В. Амперметр показывает силу тока

1) 0,2 А
2) 0,5 А
3) 0,8 А
4) 1,2 А
Решение.
Реостат, три резистора с сопротивлениями 4 Ом, 5 Ом и 6 Ом и амперметр подключены последовательно, а значит, через них течет одинаковый ток. Вольтметр подключен к участку цепи, представляющему собой последовательное соединение трёх резисторов. Общее сопротивление этого участка цепи равно 
Используя закон Ома, определим силу тока, текущего через резисторы:
. Именно такую силу тока и показывает амперметр.
24. B 15 № 3331.
Каково сопротивление изображённого на рисунке участка цепи, если сопротивление каждого резистора r?
1) 
2) 
3) 4 r
4) 
Решение.
Участок цепи представляет собой три последовательно соединенных резистора, к которым параллельно подсоединен еще один такой же резистор. Следовательно, сопротивление всего участка равно
.
25. B 15 № 3332.
Два резистора включены в электрическую цепь параллельно, как показано на рисунке. Значения силы тока в резисторах
,
. Для сопротивлений резисторов справедливо соотношение
1) 
2) 
3) 
4) 
Решение.
При параллельном соединении напряжения на резисторах совпадают. Согласно закону Ома для участка цепи:
Следовательно,
.
26. B 15 № 3379. На рисунке приведена фотография электрической цепи, собранной учеником для исследования зависимости силы тока, проходящего через резистор, от напряжения на нем. Для того чтобы через резистор протекал ток силой 1 А, напряжение на нем должно быть равно:

1) 0,2 В
2) 3,4 В
3) 5,7 В
4) 7,6 В
Решение.
Из рисунка можно определить показания амперметра и вольтметра. Однако предварительно надо вспомнить определение цены деления измерительного прибора. Цену деления можно определить, разделив расстояние между ближайшими цифрами на шкале на число делений между ними. Например, для вольтметра имеем:
.
На фотографии видно, что при напряжении на резисторе в 4,3 В сила тока через него равна 0,75 А. Напряжение на резисторе и сила тока через него пропорциональны, согласно закону Ома,
. Следовательно, для того чтобы через резистор тек ток силой 1 А, необходимо приложить к нему напряжение
.
27. B 15 № 3381. 
Ученик собрал электрическую цепь, изображенную на рисунке. Какая энергия выделится во внешней части цепи при протекании тока в течение 10 мин? Необходимые данные указаны на схеме. Амперметр считать идеальным.
1) 600 Дж
2) 21 600 Дж
3) 36 кДж
4) 3600 Дж
Решение.
Согласно закону Джоуля-Ленца, энергия выделяющаяся за время
при протекании через сопротивление величиной
тока
равна
. На схеме ученика резисторы 2 Ом и 4 Ом соединены последовательно, а значит, их общее сопротивление равно
Ом. Сила тока равна 1 А. Таким образом, во внешней цепи за 10 минут выделится
.
28. B 15 № 3394. 
Участок цепи состоит из двух одинаковых параллельно соединенных резисторов
и
, каждый с сопротивлением 2 Ом, и резистора
с сопротивлением 3 Ом.
Общее сопротивление участка цепи равно:
1) 1 Ом
2) 2 Ом
3) 31 Ом
4) 4 Ом
Решение.
Сначала найдем общее сопротивление двух параллельно соединенных резисторов
и
:
Ом. Резистор
подсоединен к ним последовательно. Следовательно общее сопротивление участка цепи равно
Ом.
29. B 15 № 3421. 
Два резистора включены в электрическую цепь последовательно. Как соотносятся показания идеальных вольтметров, изображенных на рисунке:
1) 
2) 
3) 
4) 
Решение.
Через идеальный вольтметр не течет ток, он имеет бесконечное сопротивление, а потому не влияет на величины токов и напряжений в сети. При последовательном соединении, через резисторы течет одинаковый ток. Согласно закону Ома, сила тока через проводник и напряжение, приложенное к нему связаны соотношением
. Таким образом, показания вольтметров связаны соотношением:
.
30. B 15 № 3422. 
Схема электрической цепи показана на рисунке. Когда ключ К разомкнут, идеальный вольтметр показывает 8 В. При замкнутом ключе вольтметр показывает 7 В. Сопротивление внешней цепи равно 3,5 Ом. Чему равно ЭДС источника тока?
1) 7 В
2) 8 В
3) 15 В
4) 24,5 В
Решение.
Поскольку показания вольтметра, подсоединенного к источнику меняются при замыкании ключа, это означает, что источник не идеальный, и его внутренне сопротивление отлично от нуля. Показания во втором случае меньше, так как через источник начинает течь ток, и часть напряжения падает на внутреннем сопротивлении. В первом же случае, тока в сети нет. Более точно говоря, ток был, пока происходила зарядка конденсатора, но после того, как конденсатор зарядился, ток прекратился. А значит, в первом случае, вольтметр показывает ЭДС источника. Она равна 8 В.
31. B 15 № 3424. 
На рисунке изображена схема электрической цепи. Что произойдет с общим сопротивлением цепи при замыкании ключа К? Сопротивление цепи
1) увеличится при любых значениях
и 
2) уменьшится при любых значениях
и 
3) уменьшится, только если 
4) увеличится, только если 
Решение.
При замыкании ключа два резистора окажутся подключенными параллельно. При параллельном соединении двух резисторов общее сопротивлении всегда меньше, чем сопротивление любого из них. Проверим это, например для сопротивления
, для второго проверяется аналогично. Рассмотрим разность:

Правильный ответ: 2.
32. B 15 № 3471. На рисунке приведена электрическая цепь. Чему равна работа электрического тока за 5 мин протекания тока на участке цепи, к которому подключен вольтметр?

1) 6300 Дж
2) 630 Дж
3) 10,5 Дж
4) 0,3 Дж
Решение.
Работа тока за время
связана с напряжением и силой тока соотношением
. Из рисунка видно, что напряжение равно
, а сила тока
. Следовательно, работа тока равна
.
Правильный ответ: 2.
33. B 15 № 3522. Чему равно сопротивление электрической цепи между точками
и
, если каждый из резисторов имеет сопротивление
?

1) 
2) 
3) 
4) 
Решение.
Поскольку все резисторы одинаковые, из симметрии схемы заключаем, что потенциалы точек
и
равны
, а значит, ток по вертикальной перемычке по закону Ома, не потечет (так как напряжение на ней равно нулю:
) и ее можно выбросить из рассмотрения и не учитывать при подсчете общего сопротивления (так как что с ней, что без нее, ток течет всегда одинаково). Этот факт можно понять еще следующим образом. Предположим, что ток течет по перемычке вниз, "перевернем" всю схему вокруг горизонтальной оси, ток в перемычке теперь будет течь вверх, но сама схема не поменялась, значит в ней ток должен быть такой же, как до переворота. Единственный вариант удовлетворить этому требованию, потребовать, чтобы ток в перемычке был равен нулю.

Таким образом, мы переходим к более простой схеме, ее общее сопротивление можно легко посчитать, используя правила для последовательного и параллельного подключения проводников:
.
Если бы сопротивления были бы разными, то приведенные здесь аргументы потеряли бы силу и пришлось бы искать общее сопротивление первоначальной схемы, используя законы Кирхгофа.
Правильный ответ: 4.
34. B 15 № 3529. 
Какое из неравенств верно отображает соответствие между мощностями, выделяющимися на резисторах
;
;
;
?
1) 
2) 
3) 
4) 
Решение.
Сперва заметим, что полные сопротивления верхней и нижней ветвей схемы совпадают:
.
Следовательно, ток разделится между этими ветвями ровно пополам. Таким образом, через все сопротивления течет одинаковый ток. Мощность, выделяющаяся на резисторе, связана с силой тока, текущего через него и величиной сопротивления соотношением
.
Следовательно, чем меньше сопротивление, тем меньше выделяющаяся на нем мощность. Поскольку
, заключаем, что
.
Правильный ответ: 3.
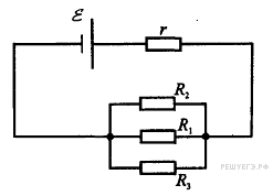
35. B 15 № 3537. 
Источник тока имеет ЭДС
, внутреннее сопротивление
,
,
. Какой силы ток течет через источник?
1) 1 А
2) 2 А
3) 4 А
4) 1,63 А
Решение.
Определим сперва полное сопротивление нагрузки в цепи. Нагрузка представляет собой параллельно соединенные резисторы
и
, к которым последовательно подключен резистор
, следовательно, общее сопротивление нагрузки равно
. По закону Ома для полной цепи, сила тока равна
.
Правильный ответ: 2.
36. B 15 № 3538. 
Источник тока имеет ЭДС
, внутреннее сопротивление
,
,
. Какой силы ток течет через источник?
1) 1 А
2) 2 А
3) 4 А
4) 1,63 А
Решение.
Определим сперва полное сопротивление нагрузки в цепи. Нагрузка представляет собой параллельно соединенные резисторы
,
и
, следовательно, общее сопротивление нагрузки находится следующим образом:
. По закону Ома для полной цепи, сила тока равна
.
Правильный ответ: 3.
37. B 15 № 3587.
На рисунке показана схема электрической цепи. Через какой резистор течет наибольший ток?
1) 1
2) 2
3) 3
4) 4
Решение.
Схема представляет собой параллельное соединение резисторов №2, №3 и №4, к которым последовательно подключен резистор №1. При последовательном подключении сила тока одинаковая. При параллельном соединении сила тока делится между резисторами таким образом, чтобы напряжения на всех резисторах было одинаково. Следовательно, максимальный ток течет через резистор №1.
Правильный ответ: 1.
38. B 15 № 3603.
На рисунке показана схема электрической цепи. Через какой резистор течет наименьший ток?
1) 1
2) 2
3) 3
4) 4
Решение.
Схема представляет собой параллельное соединение резисторов №2 и №3, к которым последовательно подключены резисторы №1 и №4. При последовательном подключении сила тока одинаковая. При параллельном соединении сила тока делится между резисторами таким образом, чтобы напряжения на всех резисторах было одинаково. Таким образом, сразу можно заключить, что через резисторы №1 и №4 течет больший ток, чем через резисторы №2 и №3. По закону Ома напряжение на резисторе связано с текущим через него током соотношением:
. А значит, для параллельно подключенных резисторов имеем:
. Следовательно, минимальный ток течет через резистор №3.
Правильный ответ: 3.
39. B 15 № 3794.
Сопротивление каждого резистора в цепи, показанной на рисунке, равно 100 Ом. Участок подключён к источнику постоянного напряжения выводами
и
. Напряжение на резисторе
равно 12 В. Напряжение между выводами схемы
равно
1) 12 В
2) 18 В
3) 24 В
4) 36 В
Решение.
Резисторы
,
и
подключены последовательно. Следовательно, через них течет одинаковый ток. Поскольку их сопротивления совпадают, заключаем, используя закон Ома для участка цепи, что напряжения на всех этих трех резисторах одинаковые и равны 12 В. При последовательном подключении напряжения складываются. Таким образом, к участку цепи, включающему сопротивления
,
,
приложено напряжение
.
Но это и есть напряжение между выводами схемы
.
Правильный ответ: 4.
40. B 15 № 5365.
На рисунке показана схема участка электрической цепи. По участку АВ течёт постоянный ток
А. Какое напряжение показывает идеальный вольтметр, если сопротивление
Ом?
1) 1В
2) 2 В
3) 0
4) 4 В
Решение.
Идеальный вольтметр покажет напряжение
на резисторе
которое по закону Ома равно
Верхний участок цепи и нижний участок цепи в параллельном участке имеют одинаковое сопротивление, поэтому сила тока в этих участках одинаковая и
Тогда 
Правильный ответ указан под номером 2.
41. B 15 № 5400.
На рисунке показана схема участка электрической цепи. По участку АВ течёт постоянный ток
А. Какое напряжение показывает идеальный вольтметр, если сопротивление
Ом?
1) 1В
2) 2 В
3) 3 B
4) 0
Решение.
Идеальный вольтметр покажет напряжение
на резисторе
которое по закону Ома равно
Верхний участок цепи и нижний участок цепи в параллельном участке имеют одинаковое сопротивление, поэтому сила тока в этих участках одинаковая и
Тогда 
Правильный ответ указан под номером 3.
42. B 15 № 6049.
На рисунке изображена схема участка электрической цепи, состоящего из трёх резисторов R1, R2, R3. На каком из следующих рисунков приведена электрическая схема этого участка цепи, эквивалентная заданной?

1) 1
2) 2
3) 3
4) 4
Решение.
Представим, что мы изгибаем провода схемы, так чтобы получился один из приведённых выше рисунков. При таких преобразованиях получим, что приведённая схема эквивалентна схеме, указнной под номером 3.
Правильный ответ указан под номером: 3.
43. B 15 № 6084. 
На рисунке изображена схема участка электрической цепи, состоящего из трёх резисторов R1, R2, R3. На каком из следующих рисунков приведена электрическая схема этого участка цепи, эквивалентная заданной?

1) 1
2) 2
3) 3
4) 4
Решение.
Представим, что мы изгибаем провода схемы, так чтобы получился один из приведённых выш