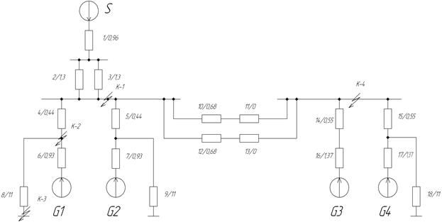
Исходные данные:Sном.с=2700МВА,Хном.с=2,6,L=170км. Расчет сопротивлений схемы замещения ведем в относительных единицах: S б=1000 МВА. Составим схему замещения.

Рис.7.1. Схема замещения проектируемой ТЭЦ-600 МВт.
Таблица 7.1 Расчет сопротивлений схемы замещения
| Элементы установок | № сопротивления | Формула | Расчетные значения (о.е) | |
| Энергосистема | Х1 | Х н.с ·Sб/Sном | Х1=2,6·1000/2700=0,96 | |
| ЛЭП | Х2=Х3 | Худ·L·Sб/U2ср | Х2=Х3=0,4·170·1000/2302=1,23 | |
| Трансформатор | Х4=Х5 Х14=Х15 | Х=(Uk%/100)·(Sб/Sном Т) | Х4=Х5=(11/100)·(1000/250)= 0,44 Х14=Х15=(11/100)·(1000/200)=0,55 | |
| Трансформатор (резерв) | Х8=Х9=Х18 | Х=(Uk%/100)·(Sб/Sном Т) | Х8=Х9=Х18=(11/100)·(1000/10)=11 | |
| Автотрансфор-матор | Х10=Х12 Х11=Х13 | 0,5/100·(UkBc%+UkBH%-UkCH%)·Sб/Sнт | Х10=Х12=0,5/100·(0+45-28)·1000/125=0,68 Х11=Х13=0,5/100·(0+28-45)·1000/125=0 | |
| Генератор | Х6=Х7=Х16=Х17 | Х"d·Sб/Sном.г | Х6=Х7=0,225·1000/241,3=0,9 Х16,17=0,189·1000/137.5=1,37 | |
| Расчет тока короткого замыкания в точке К-1 | ||
| Схема замещения | Формула | Величина (о.е) |
| Х19=Х15+Х18+(Х15·Х18)/Х17= 0,55+11+0,55·11/1,37 Х20=Х17+Х18+(Х17·Х18)/Х15= 1,37+11+1,37·11/0,55 Х21=Х19+Х20=16+40 Х22=Х14+Х16=0,55+1,37 Х23=(Х21·Х22)/(Х21+Х22)= 40·1,37/(40+1,37) | 1,92 1,32 |
| Х24=Х14+Х11=0,68+0 Х25=Х12+Х13=0,68+0 Х26=Х24,25/2=0,68/2 Х27=(Х26·Х23)/ (Х26+Х23)= (0,34·1,32)/(0,34+1,32) | 0,68 0,68 0,34 0,26 |
| Х28=Х5+Х9+(Х5·Х9)/Х7= 0,44+11+(0,44·11)/0,93 Х29=Х7+Х9+(Х7·Х9)/Х5= 0,93+11+(0,93·11)/0,44 Х30=Х28+Х29=16,5+35 Х31=Х4+Х8+(Х4· Х8)/Х6= 0,93+11+(0,9·11)/0,93 Х32=Х6+Х8+(Х6·Х8)/Х4= 0,93+11+(0,93·11)/0,44 Х33=Х31+Х32=16,5+35 Х34=Х33,30/2=51.5/2 | 16,5 51,5 16,5 51,5 25,7 |

|
|
|
| Схема замещения | Формула | Величина (о.е) |
| Х35=Х2, 3/2=1,69/2 Х36=Х1+Х35=0,96+0,65 | 0,65 1,61 |
| I(s)=Eс"·Uб/1,73·Х36= 1·220/1,73·1,61 IG1,G2=Е"G1,G2·Uб/1,73·Х34= 1,13·220/1,73·25,7 IG3,G4= Е"G3,G4·Uб/1,73·Х27 1,13·220/1,73·0,26 ΣI=Is+IG1,G2+IG3,G4= 80+5,6+552,4 | 80кА 5,6 кА 552,4 кА 638 кА |

| Расчет тока короткого замыкания в точке К-2 | ||||
| Схема замещения | Формула | Величина (о.е) | ||
| Х37=(Х30·Х27)/(Х30+Х27)= (51,5·0,26)/(51,5+0,26) Х38=Х4+Х8+(Х4·Х8)/Х6= 0,44+11+(0,93·11)/0,93 Х39=Х6+Х8+(Х6·Х8)/Х4= 0,93+11+(0,93·11)/0,44 | 0,25 16,5 | ||
| Х40=Х36+Х38+(Х36·Х38)/Х37= 1,61+16,5+(1,61·16,5)/0,25 Х41=Х37+Х38+(Х37·Х38)/Х36= 0,25+16,5+(0,25·16,5)/1,61= Х42=(Х39·Х41)/(Х39+Х41)= (35·19,3)/(35+19,3) | 124,3 19,3 12,4 | ||
| I(s)=Eс"·Uб/1,73·Х40= 1·220/1,73·124.3 IG1,G2,G3,G4=Е"G1,G4·Uб/1,73·Х42 1,13·220/1,73·12.4 ΣI=Is+IG1,G2,G3,G4=1.02+11.61 | 1,02 кА 11,61 кА 12,63 кА | ||
| Расчет тока короткого замыкания в точке К-3 | ||||
| Схема замещения | Формула | Величина (о.е) | ||
| Х43=(Х40+Х8)·(Х40·Х8)/Х42= (124,3+11)·(124,3·11)/12,4 Х44=(Х42+Х8)·(Х42·Х8)/Х40= (12,4+11)·(12,4·11)/124,3 | 245,5 24,4 | ||
| I(s)=Eс"·Uб/1,73·Х43= 1·220/1,73·245,5 IG1,G2,G3,G4=Е"G1,G4·Uб/1,73·Х44= 1,13·220/1,73·24,4 ΣI=Is+IG1,G2,G3,G4= 0,5+5,9 | 0,5 кА 5,9 кА 6,3 кА | ||

| Расчет тока короткого замыкания в точке К-4 | ||
| Схема замещения | Формула | Величина (о.е) |
| Х45=(Х36+Х26)·(Х36·Х26)/Х34 =(1,61+0,34)·(1,61+0,34)/25 Х46=(Х34+Х26)·(Х34·Х26)/Х36 =(25,7+0,34)·(25,7+0,34)/1,63 Х47=(Х46·Х23)/(Х46+Х23)= (31,4·1,32)/(31,4+1,32) | 31,4 1,27 |
| I(s)=Eс"·Uб/1,73·Х45= 1·110/1,73·2 IG1,G2,G3,G4=Е"G1,G4·Uб/1,73·Х47=1,13·110/1,73·1,27 ΣI=Is+IG1,G2,G3,G4=32+59 | 32 кА 59 кА 91 кА |
![]() |
Таблица 7.2 Сводная таблица токов короткого замыкания
| Точка К.З | Uср,кВ | Источник | Xрез. | (кА) | E" | (кА) | KУ | Inτ,(кА) | |
| К-1 | S | 1,61 | =2,5 | | 1,7 | 1,55 | |||
| К-2 | 10,5 | G | 12,4 | =55 | 1,13 | | 1,98 | 0,22 | |
| К-3 | 10,5 | G | 24,4 | | 1,13 | | 1,98 | 0,23 | |
| К-4 | S | | | 1,71 | 2,5 | ||||
Продолжение таблицы 7.2
|
|
|
| К.З | τ=(0,01+tс.в.отк),(с) | ТА,(с) | eτ/Ta | jaτ=√2·Iпо· eτ/Ta | Куд | jy=2·Iпо·Куд | |
| К-1 | (0,01+0,16)=0,17 | 0,04 | 0,02 | √2·1,55·0,02=0,04 | 1,7 | 2·1,55·1,7=5,2 | |
| К-2 | (0,01+0,3)=0,31 | 0,54 | 0,73 | √2·5,01·0,73=0,22 | 1,98 | 2·5,01·1,98=17 | |
| К-3 | (0,01+0,3)=0,31 | 0,54 | 0,73 | √2·5,01·0,73=0,22 | 1,98 | 2·5,01·1,98=17 | |
| К-4 | (0,01+0,3)=0,31 | 0,03 | 0,01 | √2·2,5·0,01=0,03 | 1,71 | 2·2,5·1,71=8,7 | |
9.Выбор электрических аппаратов, токоведущих частей и измерительных приборов для заданных цепей
9.1 Выбор выключателя и разъединителя в цепи высокого напряжения 220 кВ


Выбираем выключатель для наружной установки типа: ВГУ-220-45У1 и разъединитель для наружной установки РДЗ-220/1000.
Таблица 9.1 Проверка выключателя и разъединителя 220 кВ
| Расчетные данные | Справочные данные | |
| ВГУ-220-45У1 | РДЗ-220/1000 | |
| Uуст=220 кВ Imax=460 A Inτ,= 1,55 кА jaτ=0,03 кА Iпо=1,55 кА jy=5,2 кА Bk =0,48 кА2с | Uн=220 кВ Iн=3150 A Iоткл.ном=45 кА jа.ном=9,7 кА jдин=150 кА Iдин=45 кА I2T·tТ=502·2=5000 кА2·с | Uн=220 кВ Iн=1000 А ___ ___ 40/1 40/3 ___ |
Bk =Iпо2·(tоткл.+Tа)= 1,552·(0,16+0,04)=0,48 кА2с
jа.ном=
Bk · Iоткл.ном=
=9,7 кА
Тип привода выключателя ВГУ-220-45У1: Отключение пневматическое, включение пружинное.
Тип привода разъединителя РДЗ-220/1000: ПР-180,ПД-5.
Примечание: ВГУ-220-45У1- выключатель элегазовый универсальный на номинальное напряжение 220 кВ, с номинальным током 3150 кА, для умеренного климата, для установки на открытом воздухе.
РДЗ-220/1000- разъединитель двухколонковый, с заземляющими ножами, на номинальное напряжение 220 кВ, с номинальным током 1000 А, для умеренного климата, для установки на открытом воздухе.
9.1.2 Выбор токоведущих частей
Таблица 9.2 Выбор сборных шин высокого напряжения 220 кВ
| Условия выбора | Сборные шины-220кВ | Ошиновка АТ-220кв | |
| По допустимой токовой нагрузке IMAX< IHOM | 460A | J=1 A/мм2 qЭК=460 A/1=460 A/мм2 | |
| Число и марка проводов | 2·AC-400/22, d=26,6 мм2 | 2·AC-400/22, d=26,6 мм2 | |
| Проверка по электродинамическому действию тока | IПО=1,55 кА<20 кА | IПО=1,55 кА<20 кА | |
| Проверка на термическую стойкость | Согласно ПУЭ шины, выполненные голыми проводами на открытом воздухе, по термическому действию тока не проверяются. | ||
| Проверка на коронирование 1,07·Е<0,9·ЕО, М=0,82, | кВ/см кВ/см 1,07·20,05<0,9·31,04=21,9<27,9 Условие выполняется. | ||
9.1.3 Выбор трансформаторов тока.
Выбираем трансформатор тока для наружной установки типа ТФЗМ-220.
Таблица 9.3 Проверка трансформатора тока ТФЗМ-220
| Условие выбора | Расчетные данные | Каталожные данные |
| Umax<Uном | Umax=220 кВ | Uном=220 кв |
| Imax< Iном | Imax=460 А | Iном=1000 А |
| Bk=I2·tT | Bk =0,48 кА2с | 6500 кА2с |
![]() |
Выбираем трансформатор тока для внутренней установки типа ТВФ-220
Таблица 9.4 Проверка трансформатора тока ТВФ-220
| Условие выбора | Расчетные данные | Каталожные данные |
| Umax<Uном | Umax=220 кВ | Uном=220 кв |
| Imax< Iном | Imax=460 А | Iном=1000 А |
| Bk=I2·tT | Bk =0,48 кА2с | 6500 кА2с |
Таблица 9.5 Нагрузка трансформатора тока
| Прибор | Тип | Нагрузка по фазам | ||
| А | В | С | ||
| Амперметр | Э-335 | - | 0,5 | - |
| Вольтметр | Э-335 | 0,5 | 0,5 | 0,5 |
| Ваттметр | Д-335 | 0,5 | 0,5 | 0,5 |
| Варметр | Д-335 | 0,5 | 0,5 | 0,5 |
| Счетчик активной энергии | Меркурий 230 АРТ | 0,5 | 0,5 | 0,5 |
| Счетчик реактивной энергии | Меркурий 230 АРТ | 0,5 | 0,5 | 0,5 |
| Итого | 2,5 | 2,5 |
Вторичная нагрузка трансформатора тока ТФЗМ-220 в классе точности 0,5 составляет 1,2 Ом. Сопротивление контактов принимаем 0,1 Ом, тогда сопротивление приборов равно:
Ом
Ом
мм2
δ – 0,0175- удельное сопротивление провода с медными жилами.
lрасч- расчетная длина соединяемых проводов.
По условию прочности жилы принимаем соединительный провод типа КРВГ с сечением жил 4 мм2.
9.1.4 Выбор трансформаторов напряжения для присоединения приборов.
Таблица 9.6 Нагрузка трансформатора напряжения
| Прибор | Тип | Sодной обм.ВА | Число обмоток | Число приборов | Общая потребляемая мощность МВА. | |
| Вольтметр | Н-335 | |||||
| Вольтметр регистрирующий | Э-335 | |||||
| Частотомер | Э-363 | |||||
| Синхроноскоп | Э-327 | |||||
| Ваттметр | Д-335 | 1,5 | 7,5 | |||
| Варметр | Д-335 | 1,5 | 5,6 | |||
| Счетчик активной энергии | Меркурий 230 АРТ | |||||
| Счетчик реактивной энергии | Меркурий 230 АРТ | |||||
| Фиксирующий прибор | ФИП | - | ||||
| Амперметр | Э-335 | - | ||||
| Итого | ||||||
Вторичная нагрузка S2=70 ВА.
|
|
|
Выбираем трансформатор напряжения типа НАМИ-220 трансформатор напряжения антирезонансный, с фарфоровой изоляцией с естественной циркуляцией воздуха и масла.
Трансформатор напряжения НАМИ-220 имеет номинальную мощность в классе точности 0,5 необходимую для присоединения счетчиков S2.НОМ=400 ВА. Т.о S2=70 ВА ≤ S2.НОМ=400 МВА. Трансформатор будет работать в выбранном классе точности.
8.1.5 Выбор ограничителей перенапряжения.
Выбираем ОПН-220-У1, на напряжение 220кВ.
9.2 Выбор выключателя и разъединителя в цепи высокого напряжения 110 кВ.


Выбираем выключатель для наружной установки типа: ВГУ-110-45У1 и разъединитель для наружной установки РДЗ-110/1000.
Таблица 9.7 Проверка выключателя и разъединителя 110 кВ
| Расчетные данные | Справочные данные | |
| ВГУ-110-45У1 | РДЗ-110/1000 | |
| Uуст=110 кВ Imax=920 A Inτ,= 2,51 кА jaτ=0,03 кА Iпо=2,51 кА jy=8,6 кА Bk =2,07 кА2с | Uн=110 кВ Iн=2000 A Iоткл.ном=40 кА jа.ном=12 кА jдин=102 кА Iдин=40 кА I2T·tТ=402·2=3200 кА2·с | Uн=110 кВ Iн=1000 А ___ ___ 31,5/1 31,5/3 ___ |
Bk =Iпо2·(tоткл.+Tа)= 2,512·(0,3+0,03)=2,07 кА2с
jа.ном=
Bk · Iоткл.ном=
=12 кА
Тип привода выключателя ВГУ-110-45У1: Отключение пневматическое, включение пружинное.
Тип привода разъединителя РДЗ-110/1000: ПР-180,ПД-5.
Примечание: ВГУ-110-45У1- выключатель элегазовый универсальный на номинальное напряжение 110 кВ, с номинальным током 2000 кА, для умеренного климата, для установки на открытом воздухе.
РДЗ-110/1000- разъединитель двухколонковый, с заземляющими ножами, на номинальное напряжение 110 кВ, с номинальным током 1000 А, для умеренного климата, для установки на открытом воздухе
.
9.2.2 Выбор токоведущих частей
Таблица 9.8 Выбор сборных шин высокого напряжения 110 кВ
|
|
|
| Условия выбора | Сборные шины-110кВ | Ошиновка АТ-110кв | |
| По допустимой токовой нагрузке IMAX< IHOM | 920A | J=1 A/мм2 qЭК=920 A/1=920 A/мм2 | |
| Число и марка проводов | 2·AC-600/22, d=33,2 мм2 | 2·AC-600/22, d=33,2 мм2 | |
| Проверка по электродинамическому действию тока | IПО=2,51 кА<20 кА | IПО=2,51 кА<20 кА | |
| Проверка на термическую стойкость | Согласно ПУЭ шины, выполненные голыми проводами на открытом воздухе, по термическому действию тока не проверяются. | ||
| Проверка на коронирование 1,07·Е<0,9·ЕО, М=0,82, | кВ/см кВ/см 1,07·10,9<0,9·30=11,6<27 Условие выполняется. | ||
9.2.3 Выбор трансформаторов тока
Выбираем трансформатор тока для наружной установки типа ТФЗМ-110.
Таблица 8.9 Проверка трансформатора тока ТФЗМ-110
| Условие выбора | Расчетные данные | Каталожные данные |
| Umax<Uном | Umax=110 кВ | Uном=110 кв |
| Imax< Iном | Imax=920 А | Iном=1000 А |
| Bk=I2·tT | Bk =2,07 кА2с | 6500 кА2с |
![]() |
Выбираем трансформатор тока для внутренней установки типа ТВФ-110
Таблица 9.10 Проверка трансформатора тока ТВФ-110
| Условие выбора | Расчетные данные | Каталожные данные |
| Umax<Uном | Umax=110 кВ | Uном=110 кв |
| Imax< Iном | Imax=920 А | Iном=1000 А |
| Bk=I2·tT | Bk =2,07 кА2с | 6500 кА2с |
Таблица 9.11 Нагрузка трансформатора тока
| Прибор | Тип | Нагрузка по фазам | ||
| А | В | С | ||
| Амперметр | Э-335 | 0,5 | 0,5 | 0,5 |
| Вольтметр | Э-335 | 0,5 | 0,5 | 0,5 |
| Ваттметр | Д-335 | 0,5 | 0,5 | 0,5 |
| Варметр | Д-335 | 0,5 | 0,5 | 0,5 |
| Счетчик активной энергии | Меркурий 230 АРТ | - | 0,5 | - |
| Счетчик реактивной энергии | Меркурий 230 АРТ | 0,5 | 0,5 | 0,5 |
| Итого | 2,5 | 2,5 |
Вторичная нагрузка трансформатора тока ТФЗМ-110 в классе точности 0,5 составляет 1,2 Ом. Сопротивление контактов принимаем 0,1 Ом, тогда сопротивление приборов равно:
Ом
Ом
Ом
δ – 0,0283- удельное сопротивление провода с медными жилами.
lрасч- расчетная длина соединяемых проводов.
По условию прочности жилы принимаем соединительный провод типа КРВГ с сечением жил 2,5 мм2.
9.2.4 Выбор трансформаторов напряжения для присоединения приборов.
Таблица 9.12 Нагрузка трансформатора напряжения
| Прибор | Тип | Sодной обм.ВА | Число обмоток | Число приборов | Общая потребляемая мощность МВА. | |
| Вольтметр | Н-335 | |||||
| Вольтметр регистрирующий | Э-335 | |||||
| Частотомер | Э-363 | |||||
| Синхроноскоп | Э-327 | |||||
| Ваттметр | Д-335 | 1,5 | 7,5 | |||
| Варметр | Д-335 | 1,5 | ||||
| Счетчик активной энергии | Меркурий 230 АРТ | |||||
| Счетчик реактивной энергии | Меркурий 230 АРТ | |||||
| Фиксирующий прибор | ФИП | - | ||||
| Амперметр | Э-335 | - | ||||
| Итого | ||||||
Вторичная нагрузка S2=95 ВА.
Выбираем трансформатор напряжения типа НАМИ-110 трансформатор напряжения антирезонансный, с фарфоровой изоляцией с естественной циркуляцией воздуха и масла.
Трансформатор напряжения НАМИ-110 имеет номинальную мощность в классе точности 0,5 необходимую для присоединения счетчиков S2.НОМ=400 ВА. Т.о S2=95 ВА ≤ S2.НОМ=400 МВА. Трансформатор будет работать в выбранном классе точности.
9.2.5 Выбор ограничителей перенапряжения.
Выбираем ОПН-110-У1, на напряжение 110кВ
9.3 Выбор выключателя и разъединителя на напряжение 10 кВ


![]() |
Выбираем комплектное распределительное устройство типа КРУ-10
Таблица 9.13 Номинальные параметры КРУ
| Параметры | Шкафы в/в |
| Номинальное напряжение, кВ | |
| Номинальный ток сборных шин/главных цепей, А | 1000/1200 |
| Номинальный ток электродинамической стойкости, кА | |
| Номинальный ток отключения, кА |
9.3.1 Выбираем выключатель типа VH-12
Таблица 9.14 Проверка выключателя и разъединителя 10 кВ
| Расчетные данные | Справочные данные | |
| VH-12 | РДЗ-10/1000 | |
| Uуст=10 кВ Imax=809 A Inτ,= 0,23 кА jaτ=0,22 кА Iпо= 1,98кА jy= 17кА Bk =2,07 кА2с | Uн=10 кВ Iн=2000 A Iоткл.ном=40 кА jа.ном=12 кА jдин=102 кА Iдин=40 кА I2T·tТ=402·2=3200 кА2·с | Uн=10 кВ Iн=1000 А ___ ___ 11,5/1 11,5/3 ___ |
Тип привода выключателя VH-12: Отключение пневматическое, включение пружинное.
Тип привода разъединителя РДЗ-10/1000: ПР-120,ПД-4.
Примечание: VH-12 выключатель элегазовый универсальный на номинальное напряжение 10 кВ, с номинальным током 2000 кА, для умеренного климата, для установки на открытом воздухе.
РДЗ-10/1000- разъединитель двухколонковый, с заземляющими ножами, на номинальное напряжение 10 кВ, с номинальным током 1000 А, для умеренного климата, для установки на открытом воздухе.
9.3.2 Выбор трансформаторов тока
Выбираем трансформатор тока типа ТШЛ-10 
| Условие выбора | Расчетные данные | Каталожные данные |
| Umax<Uном | Umax=10 кВ | Uном=10 кв |
| Imax< Iном | Imax=809 А | Iном=2000 А |
| Bk=I2·tT | Bk =2,07 кА2с | 6500 кА2с |
9.3.4 Выбор трансформатора напряжения типа НАМИ-6/10.
Выбираем трансформатор напряжения типа НАМИ-6/10 трансформатор напряжения антирезонансный, с фарфоровой изоляцией с естественной циркуляцией воздуха и масла.
9.3.5 Выбор ограничителей перенапряжения.
Выбираем ОПН-10-У3, на напряжение 10кВ.
9.3.6 Перечень КИП в основных цепях станции
Таблица 8.15 Контрольные измерительные приборы на ТЭЦ-600 МВт
| № | Цепь | Место установки | Перечень приборов | Примечание |
| Турбогенератор | Статор | Амперметр,вольтметр, ваттметр,варметр,счетчик активной энергии, датчик активной мощности. Регистрирующие приборы: ваттметр, ампе- рметр и вольтметр на генераторах 200 МВт | ||
| Ротор | Амперметр, вольтметр. Вольтметр в цепи основного и резервного возбудителей. |
| Блок генератор-трансформатор | Генератор, блочный трансформатор | Амперметр | В цепи гене- ратора устанавливается осциллограф и приборы синхронизации | |
| Трансформатор сн | На две секции | Амперметр, ваттметр, счетчик активной мощности | ||
| Линии 10 кВ | Амперметр | |||
| Линии 220 кВ | Амперметр,ваттметр, варметр,фиксир.при- бор,счтчики актив- ной и реактивной энергии | 1.Для линии с пофазным управлением устанавлиается 3 амперметра | ||
| Линии 110 кВ | Амперметр,ваттметр, варметр,фиксир.при- бор,счтчики актив- ной и реактивной энергии | 1.Для линии с пофазным управлением устанавлиается 3 амперметра | ||
| Сборные шины | На секции или системе шин | Вольтметр, частото- мер и измеряющий ваттметр | ||
| Автотрансфор-матор связи | Ваттметр, амперметр варметр. | |||
| Шиносоедини-тельный и секционный выключатель | Амперметр | |||
| Обходной выключатель | Амперметр,варметр, ватметр, фиксирующий прибор |
![]() |
Схема контрольных измерительных приборов в основных цепях ТЭЦ

10. Список использованной литературы
1.Рожкова Л, Д., Козулин В.С., «Электрооборудование станций и подстанций: Учебник для техникумов – 3-е изд.
2.Неклепаев Б.Н., Крючков К.П., Электрическая часть электростанций и подстанций: Справочные материалы для курсового проектирования.
3.Справочник по электроснабжению и электрооборудованию: А.А. Федоров. Т.2.Электрооборудование. – М.Энергоатомиздат, 1987 г.
4.Федоров А.А, Старкова Л.Е. Учебное пособие для курсового и дипломного проектирования по электроснабжению промышленных предприятий.
5.Справочник по проектированию электроэнергетических систем / Ершевич В.В, Зейлигер А.Н, Илларионов Г.А и др. под редакцией Рокотяна С.С и Шапиро И.М.
6.Ю.Б.Гук проектирование электрической части станций и подстанций: Учебное пособие для вузов / Ю.Б.Гук, В.В.Кантан, С.С. Петрова.
7.Правила электроустановок / Минэнерго - 6-е издание с изменениями, исправлениями и дополнениями.
8.Справочная книга энергетика А.Д. Смирнов.

(кА)
(кА)
=2,5
=55
кВ/см
кВ/см 1,07·20,05<0,9·31,04=21,9<27,9 Условие выполняется. 
кВ/см
кВ/см 1,07·10,9<0,9·30=11,6<27 Условие выполняется. 

