Для одного из контуров схемы справедливо уравнение …
Решение:
Для контура
уравнение по второму закону Кирхгофа имеет вид: 
|
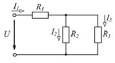
Тема: Анализ цепей постоянного тока с одним источником энергии
Если
(см. рис.), то напряжение U на зажимах цепи, равно ___ В.
Решение:
Напряжение на зажимах параллельных ветвей
Ток
так как сопротивления
и
равны. Ток
Напряжение на зажимах цепи 
|
|
|
|
|
Тема: Закон Ома и его применение для расчета электрических цепей
На рисунке приведены зависимости тока через резисторы от напряжения на них. Сопротивление
имеет резистор …
Решение:
По закону Ома сопротивление резистора 
Тема: Основные определения и топологические параметры электрических цепей
Если внутреннее сопротивление
источника электрической энергии много больше сопротивления нагрузки, то есть
то такой источник характеризуется внешней характеристикой, приведенной на рисунке …
|
|
Решение:
Если
то ток источника при изменении
остается практически неизменным. Такой источник называется идеальным источником тока и характеризуется следующей внешней характеристикой:
|
|
|
|
| 1,5 и 1,5 |
| 2 и 2 |
| 1 и 0,5 |
| 1 и 2 |
Тема: Расчет нелинейных цепей постоянного тока
Статические сопротивления нелинейного элемента с заданной вольт-амперной характеристикой при напряжении, равном 2 и 8 В, соответственно равны ____ кОм.
Решение:
Статическое сопротивление нелинейного элемента в заданной точке его характеристики равно отношению напряжения на элементе к току в нем:
при
при

|
|
|
|
|






