Компоновку выполняем в двух проекциях. Проекцию по осям промежуточного и тихоходного валов(Рис.3.6) начинаем с проведения трех осевых линий валов с межосевыми расстояниями червячной аwб и цилиндрической аwт передач.
Проводим ось симметрии червячной передачи.
Относительно оси симметрии проводим контур червяка по размерам d1 (dw1) и da1.
Проводим относительно оси симметрии контур червячного колеса по размерам b2, d2, dам2, dс и l с.
На расстоянии зазора С (см.п.1.3) проводим контур цилиндрической шестерни по размерам b1, d1 и dа1.
Проводим ось симметрии цилиндрической передачи.
Намечаем контур цилиндрического колеса по размерам B2, d2, da2, dc и l c.
Принимаем зазор от окружности вершин витков червяка до внутренней стенки корпуса равным а, если наружный диаметр витков червяка (dа1) больше наружного диаметра подшипника D; если dа1 меньше D принимаем расстояние между наружным диаметром подшипника D ведущего вала и внутренней стенкой корпуса А = d, где d - толщина стенки корпуса редуктора.
По намеченным ранее диаметрам валов под подшипники предварительно принимаем подшипники на промежуточном и тихоходном валах и из ГОСТа на эти подшипники выписываем размеры наружного диаметра D и ширину подшипника В.
|
|
|
Проводим контуры подшипников на промежуточном и тихоходном валах по размерам D и В на расстоянии x от внутренней стенки корпуса.
Замеряем и проставляем размеры:
- на промежуточном валу C2, f 2, e2 и l 2;
- на тихоходном валу C3, f 3 и l 3.
![]() |
Компоновку быстроходного (ведущего) вала-червяка выполняем аналогично одноступенчатому червячному редуктору (см. рис.2.4 а).
Задаемся расстоянием между подшипниками червяка l 1»dам2. Для устранения защемления подшипников червяка из-за тепловых деформаций деталей передачи с одной стороны его устанавливают два радиально-упорных подшипника, с другой радиальный подшипник, свободно перемещающийся вдоль оси червяка (см. рис.2.4). Такая конструкция применяется в редукторах с расстоянием между подшипниками червяка l 1> 8d для шариковых радиально-упорных подшипников и l 1 > 6d - для конических роликовых подшипников, где d - диаметр вала под подшипник. В противном случае червяк устанавливают на два радиально-упорных подшипника (см. рис.2.5). Проводим контуры подшипников по размерам D и В.
Проводим внутреннюю стенку корпуса редуктора, выдерживая ранее найденные зазоры а и x.
В процессе компоновки возможно изменение первоначально принятого значения (l 1»dам2), которое определяется минимально допустимым зазором (а) между корпусом и колесом и толщиной края бобышки h=5...8 мм.
Замеряем и проставляем размеры С1 и l 1.
3.3.2. Цилиндро-червячный редуктор (Рис.3.7)
|
|
|
Эскизную компоновку этого редуктора выполняем в двух проекциях в следующей последовательности.
Компоновку начинаем с проекции (а). Проводим горизонтальные осевые линии червяка и червячного колеса на межосевом расстоянии червячной передачи аwт.
Проводим вертикально вторую осевую линию червячного колеса.
Из точки пересечения центра червячного колеса проводим делительную окружность размером d2.
Вычерчиваем контур червяка по геометрическим размерам b1, d1, da1 червяка и конструктивным размерам вала.
Проводим окружность наибольшего диаметра червячного колеса
![]() |
размером dам2.
В зависимости от принятого диаметра вала под подшипники и сил действующих в зацеплении предварительно выбираем радиально-упорные подшипники на промежуточном валу. Из ГОСТа на выбранные подшипники выписываем наружный диаметр D и ширину подшипника В.
Задаемся расстоянием между подшипниками червяка l 2»dам2. Для устранения защемления подшипников червяка из-за тепловых деформаций деталей передачи с одной стороны его устанавливают два радиально-упорных подшипника, с другой радиальный подшипник, свободно перемещающийся вдоль оси червяка (см. рис.2.4). Такая конструкция применяется в редукторах с расстоянием между подшипниками червяка l 2> 8d для шариковых радиально-упорных подшипников и l 2 > 6d - для конических роликовых подшипников, где d - диаметр вала под подшипник. В противном случае червяк устанавливают на два радиально-упорных подшипника (см. рис.2.5). Проводим контуры подшипников по размерам D и В.
Проводим внутреннюю стенку корпуса редуктора, выдерживая ранее найденные зазоры а и x.
В процессе компоновки возможно изменение первоначально принятого значения (l 2»dам2), которое определяется минимально допустимым зазором (а) между корпусом и колесом и толщиной края бобышки h=5...8 мм.
Замеряем и проставляем размеры С2 и l 2 на промежуточном валу. Размер e2 находится после прочерчивания цилиндрической передачи.
По диаметру вала под подшипники на ведущем валу предварительно принимаем подшипники и из ГОСТа выписываем размеры D и В.
Проводим осевую линию вала-шестерни быстроходной передачи на расстоянии awб.
На расстоянии x от внутренней стенки проводим контур левого подшипника по размерам D и В.
На расстоянии зазоров x и а намечаем контур цилиндрической шестерни по размерам B1, d1 и da1.
Проводим ось симметрии цилиндрической передачи. По размерам B2, d2, da2, dс и l с намечаем контур цилиндрического колеса.
Замеряем и проставляем размер e2 на промежуточном валу.
На расстоянии зазоров а и b0 проводим внутреннюю стенку
картера цилиндрической передачи.
Отступая на величину зазора x от внутренней стенки, намечаем контур правого подшипника быстроходного (ведущего) вала по размерам D и В.
Замеряем и проставляем размеры С1 и l 1 на быстроходном валу.
Проекция (б). Эта проекция выполняется для определения размеров на тихоходном валу.
На продолжении горизонтальных осевых линий червячного колеса и червяка проводим перпендикулярно ось симметрии червячной передачи.
Проводим контуры червяка и цилиндрического колеса на промежуточном валу по размерам червяка d1 (dw1), da1 и цилиндрического колеса d2 и da2.
На тихоходном валу проводим контур червячного колеса по размерам b2, d2, dам2, dс и l с.
На расстоянии зазора (а) проводим внутреннюю стенку корпуса редуктора.
По диаметру вала под подшипники предварительно выбираем радиально-упорные подшипники и из ГОСТа на эти подшипники выписываем размеры D и В.
По этим размерам прочерчиваем контуры подшипников в виде прямоугольников.
Замеряем и проставляем размеры на тихоходном валу С3 и l 3.
3.3.3. Двухступенчатый червячный редуктор (Рис.3.8, Рис.3.9)
Эскизную компоновку этого редуктора выполняем в трех проекциях, чтобы показать конструкции и размеры всех трех валов: быстроходного, промежуточного и тихоходного.
|
|
|
Компоновку выполняем с фронтальной проекции быстроходной передачи по аналогии одноступенчатого червячного редуктора (см. рис.2.5 а).
Проводим две параллельные горизонтальные осевые линии на расстоянии аwб друг от друга. Далее проводим вертикальную осевую линию.
Из точки пересечения центра червячного колеса быстроходной передачи проводим делительную окружность размером d2.
Вычерчиваем контур червяка по геометрическим размерам b1, d1, da1 червяка и конструктивным размерам вала.
Проводим окружность наибольшего диаметра червячного колеса размером dам2.
В зависимости от принятого диаметра вала под подшипники и сил действующих в зацеплении предварительно выбираем радиально-упорные подшипники на ведущем валу. Из ГОСТа на выбранные подшипники выписываем наружный диаметр D и ширину подшипника В.
Задаемся расстоянием между подшипниками червяка l 1»dам2. Для устранения защемления подшипников червяка из-за тепловых деформаций деталей передачи с одной стороны его устанавливают два радиально-упорных подшипника, с другой радиальный подшипник, свободно перемещающийся вдоль оси червяка (см. рис.2.4). Такая конструкция применяется в редукторах с расстоянием между подшипниками червяка l 1> 8d для шариковых радиально-упорных подшипников и l 1 > 6d - для конических роликовых подшипников, где d - диаметр вала под подшипник. В противном случае червяк устанавливают на два радиально-упорных подшипника (см. рис.2.5). Проводим контуры подшипников по размерам D и В.
Проводим внутреннюю стенку корпуса редуктора, выдерживая ранее найденные зазоры а и x.
В процессе компоновки возможно изменение первоначально принятого значения (l 1»dам2), которое определяется минимально допустимым зазором (а) между корпусом и колесом и толщиной края бобышки h=5...8 мм.
![]() |
Замеряем и проставляем размеры С1 и l 1.
Компоновку промежуточного вала (рис.3.8) начинаем с выполнения тихоходной червячной передачи.
Проводим две параллельные горизонтальные осевые линии на расстоянии аwт друг от друга. Далее проводим вертикальную осевую линию.
|
|
|
Из точки пересечения центра червячного колеса проводим делительную окружность размером d2.
Вычерчиваем контур червяка по геометрическим размерам b1, d1, da1 червяка и конструктивным размерам вала.
Проводим окружность наибольшего диаметра червячного колеса размером dам2.
Выполняем профильную проекцию быстроходной передачи.
Проводим параллельно промежуточному валу осевую линию быстроходного вала на расстоянии аwб.
На расстоянии зазора С =(0,3...0,5) а, где а величина зазора, и половины наружного диаметра витков червяка быстроходной передачи 0,5 da1 проводим ось симметрии быстроходной червячной передачи.
Проводим окружности делительного (начального) цилиндра d1 (dw1) и наружного диаметра dа1 червяка.
Относительно оси симметрии на промежуточном валу проводим контур червячного колеса быстроходной передачи по размерам b2, d2, dам2, dс и l с.
На расстоянии зазоров а (см.п.1.1) и b0 (см.п.1.2) проводим контур внутренней стенки корпуса редуктора.
В зависимости от принятого диаметра вала под подшипники предварительно выбираем подшипники качения для промежуточного вала и из ГОСТа на эти подшипники выписываем размеры D и В.
С учетом зазора x вычерчиваем контуры подшипников качения.
Замеряем и проставляем размеры С2, l 2 и f 2.
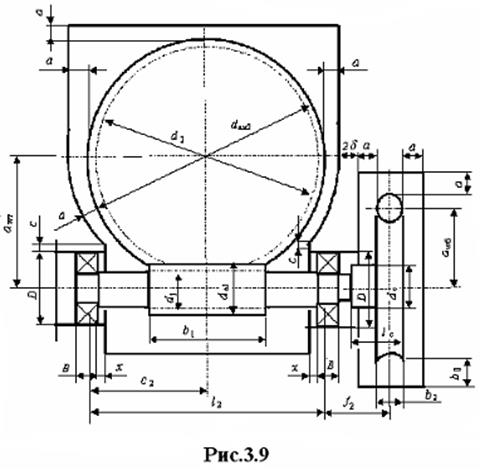
Компоновку промежуточного вала показанного на рис.3.9 выполняем аналогично фронтальной проекции (а) одноступенчатого червячного редуктора (см.п.2.3 и рис.2.4).
Замеряем и проставляем размеры С2 и l 2.
Размер f 2 находится после прочерчивания профильной проекции быстроходной червячной передачи.
Проводим горизонтальную осевую линию червяка на расстоянии аwб.
На расстоянии (а) и 2d, где d - толщина стенки корпуса редуктора, намечаем контур червяка по размерам d1 (dw1) и dа1.
Проводим вертикальную ось симметрии быстроходной червячной передачи.
![]() |
.
По размерам b2, d2, dам2, dс и l с прочерчиваем контур червячного колеса. С учетом зазоров а и b0 проводим внутреннюю стенку корпуса редуктора.
Замеряем и проставляем размер f 2 на промежуточном валу (рис.3.9).
Для устранения защемления подшипников червяка из-за тепловых деформаций деталей передачи с одной стороны его устанавливают два радиально-упорных подшипника, с другой радиальный подшипник, свободно перемещающийся вдоль оси червяка, если l 2> 8d для шариковых радиально-упорных подшипников и l 2 > 6d - для конических роликовых
подшипников, где d - диаметр вала под подшипник. В противном случае червяк устанавливают на два радиально-упорных подшипника (см. рис.2.5).
Компоновку тихоходного вала выполняем по аналогии проекции (см. рис.3.7 б).
На продолжении горизонтальных осевых линий червячного колеса и червяка проводим перпендикулярно ось симметрии червячной передачи.
На промежуточном валу проводим контуры червяка тихоходной и червячного колеса быстроходной передач по размерам червяка d1 (dw1), da1 и червячного колеса d2 и daм2.
На тихоходном валу проводим контур червячного колеса тихоходной передачи по размерам b2, d2, dам2, dс и l с.
На расстоянии зазора (а) проводим внутреннюю стенку корпуса редуктора.
По диаметру вала под подшипники предварительно выбираем радиально-упорные подшипники и из ГОСТа на эти подшипники выписываем размеры D и В.
По этим размерам прочерчиваем контуры подшипников в виде прямоугольников.
Замеряем и проставляем размеры на тихоходном валу С3 и l 3.



