Этот метод позволяет уменьшить количество уравнений системы, составляемых по законам Кирхгофа, до 
где nв – число ветвей цепи;
ny –число узлов цепи;
nm –число источников тока цепи.
Он основан на том, что ток в любой ветви цепи можно представить в виде алгебраической суммы контурных токов, протекающих по этой ветви. При использовании метода перед расчётом выбирают направления и путь протекания контурных токов - по любой ветви должен протекать хотя бы один выбранный контурный ток. Общее число неизвестных контурных токов определяется величиной k (1). Причём, из пути их протекания следует исключить ветви с источниками тока.
Пример:
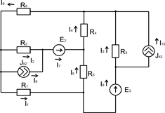
Исходные данные:
R1 =24 Ом; R2=70 Ом; R3=44 Ом; R4=12 Ом; R5=20 Ом; R6=30 Ом; Е2=40 В; Е3=19,6 В; JK2=0 А; JK3=0,1 А.

При расчёте этой схемы методом контурных токов возможны два пути:
1) Преобразование исходной схемы не производится.
2) Предусматривает преобразование реальных источников тока в эквивалентную э.д.с.
Для расчёта данной схемы выбираем второй путь и при этом учтём, что
JK2=0 А. Преобразуем JK3 в E3*. Пользуясь законом Ома, получаем E3*= JK3R3=4,4 B.
|
|
|
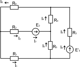
Схема, полученная после преобразования представлена на рисунке 2.

Рисунок 2 – Преобразованная схема
E3’=E3+ E3*=19,6+4,4=24(B)
После упрощения исходной схемы можно непосредственно перейти к реализации метода контурных токов. Для этого нужно определить количество контурных токов. Сделать это можно по формуле:

где nв – число ветвей цепи;
ny –число узлов цепи;
nm –число источников тока цепи.
В рассматриваемой схеме nв =6, ny =4; nm =0.

Итак, зная количество контурных токов, нужно выбрать их направления.
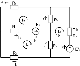
Схема с направлениями контурных токов представлена на рисунке 3.

Рисунок 3 – Преобразованная схема с направлениями контурных токов
Составим систему уравнений по второму закону Кирхгофа для определения неизвестных контурных токов (порядок системы равен k):

Составим матрицу:



Отсюда выразим матрицу контурных токов:


Зная значения контурных токов, можно найти реальные токи. Они будут равны комбинации контурных токов.






Используя контурные токи, мы получили токи конкретные.