В соответствии с введенным ранее понятием матрицы главныхконтуров В, записываемой для главных контуров, в качестве независимых переменных примем токи ветвей связи, которые и будут равны искомым контурным токам.
Уравнения с контурными токами получаются на основании второго закона Кирхгофа; их число равно числу независимых уравнений, составляемых для контуров, т.е. числу ветвей связи c=n-m+1. Выражение (6) запишем следующим образом:
.
| (7) |
В соответствии с методов контурных токов токи всех ветвей могут быть выражены как линейные комбинации контурных токов или в рассматриваемом случае токов ветвей связи. Если элементы j –го столбца матрицы В умножить соответствующим образом на контурные токи, то сумма таких произведений и будет выражением тока j –й ветви через контурные токи (через токи ветвей связи). Сказанное может быть записано в виде матричного соотношения
,
| (8) |
где
- столбцовая матрица контурных токов;
- транспонированная контурная матрица.
С учетом (8) соотношение (7) можно записать, как:
| (9) |
Полученное уравнение представляет собойконтурные уравнения в матричной форме. Если обозначить
,
| (10) |
.
| (11) |
то получим матричную форму записи уравнений, составленных по методу контурных токов:
,
| (12) |
где
- матрица контурных сопротивлений;
- матрица контурных ЭДС.
В развернутой форме (12) можно записать, как:
,
| (13) |
то есть получили известный из метода контурных токов результат.
Рассмотрим пример составления контурных уравнений.
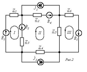
Пусть имеем схему по рис. 2. Данная схема имеет четыре узла (m=4) и шесть обобщенных ветвей (n=6). Число независимых контуров, равное числу ветвей связи,
c=n-m+1=6-4+1=3.
Граф схемы с выбранным деревом (ветви 1, 2, 3) имеет вид по рис. 3.
Запишем матрицу контуров, которая будет являться матрицей главных контуров, поскольку каждая ветвь связи входит только в один контур. Принимая за направление обхода контуров направления ветвей связи, получим:
| В |
|
.Диагональная матрица сопротивлений ветвей
| Z |
|
Матрица контурных сопротивлений
| Zk = B Z BT |
|
.
Матрицы ЭДС и токов источников
|
|
|
|
Тогда матрица контурных ЭДС
|
|
.
Матрица контурных токов
| .
|
Таким образом, окончательно получаем:
,
где
;
;
;
;
;
;
;
;
.
Анализ результатов показывает, что полученные три уравнения идентичны тем, которые можно записать непосредственно из рассмотрения схемы по известным правилам составления уравнений по методу контурных токов.
.
,
,
.
,
,
.






