



1) М11=0,197·33,76·5,6=37,25 кН·м; М12=0,258·33,76·5,6=48,78 кН·м;
М13=-0,014·33,76·5,6=-2,65 кН·м; М21=-0,067·33,76·5,6=-12,67 кН·м;
М22=0,1·33,76·5,6=18,91 кН·м; МВ=-0,317·33,76·5,6=-59,93 кН·м;
2) М11=0,197·105,34·5,6=116,21 кН·м; М12=0,258·105,34·5,6=152,19 кН·м;
М13=-0,014·105,34·5,6=-8,26 кН·м; М21=-0,067·105,34·5,6=-39,52 кН·м;
М22=0,1·105,34·5,6=58,99 кН·м; МВ=-0,317·105,34·5,6=-186,99 кН·м;
3) М11=0,224·105,34·5,6=132,13 кН·м; М12=0,338·105,34·5,6=199,38 кН·м;
М13=0,118·105,34·5,6=69,61 кН·м; М21=-0,158·105,34·5,6=-93,2 кН·м;
М22=-0,158·105,34·5,6=-93,2 кН·м; МВ=-0,158·105,34·5,6=-93,2 кН·м;
4) М11=-0,026·105,34·5,6=-15,34 кН·м; М12=-0,079·105,34·5,6=-46,6 кН·м;
М13=-0,132·105,34·5,6=-77,86 кН·м; М21=0,092·105,34·5,6=54,27 кН·м;
М22=0,258·105,34·5,6=152,19 кН·м; МВ=-0,158·105,34·5,6=-93,2 кН·м;
5) МВ=-0,369·105,34·5,6=-217,67 кН·м; 6) МВ=0,053·105,34·5,6=31,26 кН·м;
МС=-0,160·105,34·5,6=-94,38 кН·м; МС=-0,211·105,34·5,6=-124,47 кН·м;
– в пролете 1: 105,34·1,46=153,8 кН·м;
– в пролете 2: 105,34·1,4=147,47 кН·м.
Таблица 4. Результаты вычислений поперечных сил
| Попер силы на участ ках | Дли- на участ- ка, м | Номер загружения и формула подсчета | Орди- наты огибаю- щей эпюры | ||||
| 7(1+2) | 8(1+3) | 9(1+4) | 11(1+6) | 13(10+12) | |||
| А–11 | 1,46 |
|
|
|
|
|
|
| 11–12 | 1,4 |
|
|
|
|
|
|
| 12–13 | 1,4 |
|
|
|
|
|
|
| 13–В | 1,4 |
|
|
|
|
|
|
| В–21 | 1,4 |
|
|
|
|
|
|
| 21–22 | 1,4 |
|
|
|
|
|
|
| 22–23 | 1,4 |
|
|
|
|
|
|
| 23–С | 1,4 |
|
|
|
|
|
|
| С–31 | 1,4 |
|
|
|
|
|
|
| 31–32 | 1,4 |
|
|
|
|
|
|
| 32–33 | 1,4 |
|
|
|
|
|
|
| 33–D | 1,46 |
|
|
|
|
|
|
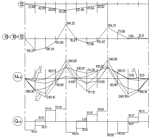
Конструктивный расчет
|
|
|
Мпр1мах=248,16 кН·м; Мпр2мах=171,10 кН·м; Моп мах=–246,92 кН·м; Qопмах=–170,0 кН; Qопмin=116,01 кН.






