
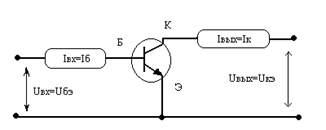
Определение h11Э:

Кривая Uкэ = 0,1 В соответствует условию ∆Uвых =0.
h11Э=∆Uвх/∆Iвх=∆Uбэ/∆Iб=rвх.
rвх - дифференциальное входное сопротивление.
Определение h12Э:

h12Э=∆Uвх/∆Uвых=∆Uбэ/∆Uкэ =КОС;
∆Uкэ= Uкэ раб.точке- Uкэ(0).
КОС - коэффициент обратной связи по напряжению.
Определение h21Э:

Выбираем ВАХ, соответствующую току базы, при котором определялись параметры h11 и h12. Выбираем на ней рабочую точку А. Двигаясь по прямой ∆Uвых = const, находим ∆Iвых и ∆Iвх.
h21Э=∆Iвых/∆Iвх=∆Iк/∆Iб=β
∆Iб = Iб5-Iб4
β - коэффициент передачи по току в схеме с общим эмиттером.
Определение h22Э:

Рабочая точка А берется также, что и при определении h21 . На характеристике Iб = const, проходящей через точку А, берем некоторый отрезок и определяем ∆Iвых и ∆Uвых.
h22Э==∆Iвых/∆Uвых=∆Iк/∆Uкэ=1/ri
ri - дифференциальное внутреннее сопротивление.






