ЕН.Ф. 03 ФИЗИКА
ЕН.Ф. 03 ФИЗИКА И БИОФИЗИКА
Методические рекомендации по выполнению лабораторных работ
по курсу физики с использованием лабораторного комплекса
«Электричество и магнетизм»
Часть 3 Лабораторные работы по разделу «Магнитное поле»
Уфа 2010
УДК 539
ББК 22.38
Л 12
Рекомендовано к изданию методической комиссией факультета электрификации и автоматизации сельского хозяйства (протокол № ____ от «____» ______________2010 г.)
Уральский филиал ФГУП РНПО «Росучприбор»
Ответственный за выпуск: зав. кафедрой физики, доцент Юмагужин Р.Ю.
Методические рекомендации для использования лабораторного комплекса «Электричество и магнетизм» предназначен для студентов обучающихся по инженерным специальностям.
Уфа-2010 г, БашГАУ, кафедра физики.
ОГЛАВЛЕНИЕ
| Лабораторная работа № 7 ИССЛЕДОВАНИЕ МАГНИТНОГО ПОЛЯ СОЛЕНОИДА С ПОМОЩЬЮ ДАТЧИКА ХОЛЛА | ||
| Лабораторная работа № 8 ОПРЕДЕЛЕНИЕ УДЕЛЬНОГО ЗАРЯДА ЭЛЕКТРОНА МЕТОДОМ МАГНЕТРОНА | ||
| Лабораторная работа № 9 ИЗУЧЕНИЕ ЭФФЕКТА ХОЛЛА В ПОЛУПРОВОДНИКАХ | ||
| Лабораторная работа № 10 ИЗУЧЕНИЕ ЗАВИСИМОСТИ МАГНИТНОЙ ПРОНИЦАЕМОСТИ ФЕРРОМАГНЕТИКА ОТ НАПРЯЖЕННОСТИ МАГНИТНОГО ПОЛЯ | ||
Лабораторная работа № 1
|
|
|
ИССЛЕДОВАНИЕ МАГНИТНОГО ПОЛЯ СОЛЕНОИДА
С ПОМОЩЬЮ ДАТЧИКА ХОЛЛА
ЦЕЛЬ: экспериментально исследовать магнитное поле на оси короткого и длинного соленоида и сравнить его с расчетным.
ОБОРУДОВАНИЕ: регулируемый источник постоянного напряжения, миниблок «Соленоиды», миниблок «Ключ», два мультиметра, линейка.
ВВЕДЕНИЕ
Любой проводник с током создает вокруг себя магнитное поле, величина и конфигурация которого зависит от тока, протекающего по проводнику, и формы проводника. В общем случае значение вектора индукции магнитного поля описывается законом Био- Савара-Лапласа. Элемент тока
создает в точке А, отстоящей от
на расстоянии
поле, вектор индукции которого равен (рисунок 1)
, (1)

Рисунок 1
Полное значение вектора
, созданного проводником конкретной формы вычисляется с использованием принципа суперпозиции
. (2)

Рисунок 2
Например в точке А (рисунок 2) на оси соленоида (с однослойной намоткой) вектор индукции магнитного поля:
, (3)
где
- число витков на единицу длины соленоида,
- углы, под которыми из точки А видны концы соленоида.
Если известно расстояние точки А от середины соленоида «х», то
,
,
Т.о. модуль вектора
на оси соленоида в точке, отстоящей на расстоянии х от его середины равен
, (4)
Как следует из полученной формулы для достаточно длинного соленоида
в средней его части (
,
),
, (5)
и магнитное поле является практически однородным.
Если соленоид короткий
, то магнитное поле его резко неоднородно и рассчитывается по формуле (4).
|
|
|
Метод измерений
В данной работе измерение вектора индукции магнитного поля основано на применении датчика Холла.

Рисунок 3
Явление Холла заключается в возникновении разности потенциалов (
) при протекании постоянного тока I через проводящую пластину толщиной а, помещенную в магнитное поле, перпендикулярное направлению тока (рисунок 3):
,
где
- постоянная Холла, зависящая от свойств пластины.
Эта разность потенциалов пропорциональна величине индукции магнитного поля В в той точке пространства, куда помещен датчик.
Т.к. датчик имеет малые размеры (~ мм), то с его помощью можно исследовать магнитное поле.
,
, (6)
Для перевода показаний датчика Холла
в значение вектора магнитной индукции
достаточно знать градуировочный коэффициент γ данного датчика.
Описание установки
Установка (миниблок «Соленоиды») состоит из двух соленоидов (рисунок 4), закрепленных на панели. Короткий соленоид
закреплен снаружи длинного соленоида
. Середины соленоидов совпадают, совпадают и оси соленоидов. Вдоль оси соленоидов может перемещаться шток.

Рисунок 4
Внутри штока помещен датчик Холла (Д.Х.). Расстояние датчика от середины соленоида х совпадает с расстоянием риски на штоке от конца катушки цилиндрического соленоида.
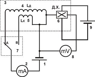
Электрическая схема установки приведена на рисунок 5.
Питание соленоидов осуществляется от регулируемого источника постоянного напряжения «0…+15 В» 1. Ток в соленоидах измеряется миллиамперметром 2. Переключатель 7 позволяет подключать к источнику напряжения 1 либо длинный соленоид 4 (положение переключателя А) либо короткий 5 (положение переключателя В).

Рисунок 5 Электрическая схема:
1 – регулируемый источник постоянного напряжения «0…+15 В»; 2 – мультиметр (режим A
200 mA, входы COM, mA); 3 – миниблок «Соленоиды»; 4 – длинный соленоид с индуктивностью
; 5 – короткий соленоид с индуктивностью
; 6 – датчик Холла; 7 – миниблок «Ключ»; 8 – мультиметр (режим V
2 mВ, входы COM, VW); 9 – источник стабилизированного постоянного напряжения «±15 В»
Измерение индукции магнитного поля соленоида осуществляется с помощью датчика Холла (Д.Х.) 6. Измерение холловой разности потенциалов
осуществляется с помощью вольтметра 8. Питание датчика Холла осуществляется от источника стабилизированного постоянного напряжения «±15 В» 9.

Рисунок 6. Монтажная схема установки: 2, 3, 7, 8 – см. на рисунке 5
Выполнение измерений
1. Соберите электрическую цепь по монтажной схеме, приведенной на рисунке 6. Установите необходимые режимы измерения мультиметров 2 и 8 (см. рисунок 5).
2. Включите кнопками «Сеть» питание блока генераторов напряжения и блока мультиметров. Нажмите кнопку «Исходная установка» (поз. 19, см. рисунок 1 на стр. 6).
Задание 1. Градуировка датчика Холла.
1 С помощью тумблера на миниблоке «Ключ» подключите питание к длинному соленоиду (положение А).
2 Перемещая шток с датчиком Холла вдоль оси соленоида, установите его в середине соленоида (риски на штоке должна совпадать с концами цилиндрического соленоида).
1 В таблицу 1 запишите параметры соленоида (омическое сопротивление обмотки R, длина l, число витков N).
3 Кнопками установки напряжения «0…15 В» (поз.14, рисунок 1, стр. 6) установите нулевой ток в соленоиде (I= 0 мА) и запишите в таблицу 1 напряжение на датчике Холла
(показания вольтметра 8).
Значение
обусловлено магнитным полем Земли и несимметричным расположением датчика.
Таблица 1
| Параметры | R= … Ом, l= … м, N= … | |||||||
| I, мA | … | |||||||
, мB | =… | |||||||
, мB | ||||||||
| B, Тл | ||||||||
| g | - | |||||||
|
1 Изменяя ток в соленоиде от 0 до 200 мА (с интервалом 20мА) зафиксируйте напряжение на датчике Холла
и результаты занесите в таблицу 1.
|
|
|
2 Рассчитайте магнитное поле, созданное только током в соленоиде. Для этого из показаний датчика Холла
необходимо вычесть
. Значение
запишите в таблицу 1.
3 По формуле (5) для каждого значения тока рассчитайте и запишите в таблицу значения вектора магнитной индукции
.
4 Для каждого значения тока соленоида найдите отношение
и рассчитайте его среднее значение
.
В последующих упражнениях экспериментальное значение вектора магнитной индукции
будете находить по формуле
, (6)
Задание 2. Исследование магнитного поля на оси цилиндрического соленоида.
1 С помощью тумблера на миниблоке «Ключ» подключите питание к длинному соленоиду (положение А) и установите датчик Холла в середину соленоида (
). В таблицу 2 запишите параметры соленоида.
2 Кнопками установки напряжения «0…15 В» (поз.14, рисунок 1, стр. 6) установите нулевой ток в соленоиде (I= 0 мА) и запишите в таблицу 1 напряжение на датчике Холла
.
3 Кнопками установки напряжения «0…15 В» (поз.14, рисунок 1, стр. 6) установите (по указанию преподавателя) ток I в соленоиде и его значение запишите в таблицу 2.
1 В течении всей работы ток I должен оставаться строго постоянным!
4 Перемещая шток с датчиком Холла вдоль оси соленоида (с шагом 1 см), зафиксируйте напряжение на датчике Холла U (мВ) и результаты занесите в таблицу 2.
Помните!
соответствует положению датчика Холла в середине соленоида.
Таблица 2
| Параметры | R= … Ом, l= … м, N= …, I =… мА, =…мВ | ||||||
| x, см | … | ||||||
| U, мВ | |||||||
, мB | |||||||
, Тл | |||||||
, Тл |
Примечание.Так как соленоид симметричный достаточно провести измерения, перемещая датчик в одну сторону. Для сомневающихся предлагается перемещать датчик в обе стороны.
5 Рассчитайте
(поле, созданное только током) для каждого положения датчика и результаты занесите в таблицу 2.
6 Рассчитайте индукцию магнитного поля соленоида
по формуле (6), используя градуировочный коэффициент
(см упр.1). Результаты занесите в таблицу 2.
|
|
|
7 Для соответствующих значений x (положений датчика Холла) проведите теоретический расчет индукции магнитного поля
по формуле (4). Результаты занесите в таблицу 2.
8 Постройте графики зависимости
и
от положения датчика Холла x:
и
. Сравните их и сделайте выводы.
Задание 3. Исследование магнитного поля на оси короткого соленоида.
1 С помощью тумблера на миниблоке «Ключ» подключите питание к короткому соленоиду (положение В).
2 Повторите пункты 2 – 8 упражнения 2, но при шаге перемещения датчика – 2 мм.
3 Выключите кнопками «Сеть» питание блока генераторов напряжения и блока мультиметров.
Контрольные вопросы
1 Что такое вектор индукции магнитного поля?
2 Сформулируйте закон Био-Савара-Лапласа.
3 В чем заключается принцип суперпозиции?
4 Как можно рассчитать магнитное поле соленоида?
5 Как можно получить однородное магнитное поле?
6 В чем отличие магнитных полей короткого и длинного соленоида?
7 В чем заключается явление Холла?
8 Как устроен датчик Холла и как с его помощью можно исследовать магнитное поле?
9 Физический смысл градуировочного коэффициента датчика Холла?
10 Как можно экспериментально определить градуировочный коэффициент для датчика Холла?
11 Как при измерении магнитного поля соленоидаможно исключить влияние магнитного поля Земли и несимметричность расположения датчика?
1 Детлаф А.А., Яворский Б.М. Курс физики. – М.: Высшая школа,2002. – § 22.1, 22.2, 22.3.
2 Зисман Г.А., Тодес О.М. Курс общей физики, т.2. - СПб. Издательство «Лань», 2007. - §§ 33.
3 Трофимова Т.И. Курс физики: учебное пособие для вузов. – М.: Издательский центр «Академия», 2007. - §§110, 118, 119.