Эффект Холла – появление в проводнике (или в полупроводнике) с плотностью тока
, помещенном в магнитное поле
, напряжения U в направлении, перпендикулярном векторам
и
(рис. 1). Эффект открыт в 1879 г. американским физиком Э. Г. Холлом, который экспериментально установил следующее выражение для напряжения:
, (1)
где R – коэффициент пропорциональности (коэффициент Холла), его величина и знак зависят от химического состава проводника, от температуры и заряда носителей тока; I – сила тока в образце; B – индукция магнитного поля; d – толщина образца.

Рисунок 1 эффект Холла
Рассмотрим элементарную теорию эффекта Холла. Пусть носителями тока являются электроны (например, в металлах и примесных полупроводниках n- типа). При протекании в образце тока плотностью
электроны имеют скорость дрейфа
. Если проводник с током помещен в магнитное поле, то на электроны действует сила Лоренца:
, (2)
вызывающая перераспределение заряда в направлении оси Y (см. рисунок 1). Электроны будут отклоняться к одной из граней, оставляя на противоположной нескомпенсированный положительный заряд. В результате вдоль оси Y появится электрическое поле
, действующее на электрон с силой
, которая направлена противоположно силе Лоренца. Стационарному состоянию соответствует условие
или
, (3)
так как в данном случае вектор скорости
^
.
Из уравнения (3) находим напряженность поля Холла:
Eу = vB, (4)
и разность потенциалов между гранями 1 и 2 (напряжение Холла):
, (5)
где b – размер образца вдоль направления поля Холла.
Выразим скорость электронов v через силу тока с помощью формул:
I = jbd; j = env;
, (6)
где n – концентрация электронов проводимости в образце.
Напряжение Холла согласно уравнению (5) с учетом формулы (6) запишем в виде
, (7)
Коэффициент Холла (м3/Кл) получим, сравнив выражения (1) и (7):
, (8)
Более строгая теория, учитывающая взаимодействие носителей тока (электронов) с кристаллической решеткой, дает постоянную Холла:
, (9)
где r – Холл-фактор; его величина r > 1 и зависит от магнитного поля, температуры и свойств материала образца. Для слабо легированного германия при комнатной температуре r = 3 p /8.
Из формулы (8) следует, что знак коэффициента Холла определяется знаком заряда носителей тока. Для металлов и полупроводников n- типа величина R <0, а для полупроводников с дырочной проводимостью (p- типа) R >0.
Метод изучения эффекта Холла
Напряжение Холла согласно формуле (1) линейно зависит от магнитной индукции B и от тока I, протекающего в датчике. Установка позволяет получить зависимости U (B) и U (I) и по угловому коэффициенту экспериментальной прямой определить коэффициент Холла R. В случае линейной зависимости вида U = KB в соответствии с формулой (1) величина углового коэффициента
, (10)
В качестве источника постоянного магнитного поля можно использовать электромагнит. Величина индукции магнитного поля B в зазоре электромагнита нелинейно зависит от намагничивающего тока I эм в его обмотке. Однако на кривой намагничивания сердечника B (I эм) можно выделить практически линейный участок, для которого справедлива формула
, (11)
где m 0 = 4 p ×10–7 Гн/м – магнитная постоянная; N –число витков электромагнита; h – толщиназазора электромагнита.
Задача измерения напряжения Холла осложняется тем, что при проведении эксперимента в пластинке имеется не только поле Холла
, но и электрическое поле
, создающее ток в датчике (пропускаемый для наблюдения эффекта). На рис. 4 показаны эти взаимно перпендикулярные поля и положение проводников (2¢–2¢), припаянных к датчику для измерения напряжения Холла.
На рисунке 4а видно, что в случае, если линия измерительных контактов (2¢–2¢) смещена от идеальной (2–2), которая должна быть строго нормальна линии тока I (полю
), то потенциал точки 2¢ будет меньше, чем потенциал точки 2. При этом измеренная величина U 1 окажется на D U меньше, чем напряжение Холла (при смещении 10 мкм D U @5 мВ):
.
Обратившись к рисунку 4б, видим, что достаточно изменить только направление индукции магнитного поля B, чтобы на линии (2¢–2¢) измерить напряжение:
.
Используя значения U 1 и U 2, исключаем неизвестную погрешность D U:
, (12)
Для экспериментальной реализации этого приема изменяют направление тока I эм в обмотке электромагнита. Как следует из рисунка 4б, при этом изменяется и полярность напряжения Холла. Но нередко оказывается, что величина D U >> U; при этом измеряемые напряжения U 1 и U 2 имеют одинаковый знак, а их значения
и
позволяют найти напряжение Холла как полуразность:
.
Описание установки
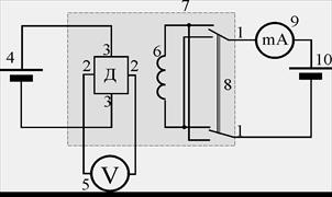
Электрическая схема установки представлена на рисунке 2, монтажная – на рисунке 3. Исследуемый образец – датчик Холла (Д) представляет собой тонкую пластинку германия, обладающего дырочной проводимостью при комнатных температурах.

Рисунок 2. Электрическая схема:
(1–1) – цепь питания электромагнита 6;
8 - переключатель; 9 - мультиметр (режим A
200 мA, входы COM, mA);
(2–2) – цепь измерения напряжения Холла; 5 - мультиметр (режим V
2 V, входы COM, VW); (3–3) – цепь питания датчика Холла Д; 4 –источник стабилизированного постоянного напряжения «+15 В»; 7 – миниблок «Эффект Холла»; 10 –регулируемый источник постоянного напряжения «0…+15 В»
Датчик помещен в зазор сердечника электромагнита 6 и подсоединен к источнику постоянного напряжения 4. Обмотка электромагнита подключена к регулируемому источнику постоянного напряжения 10 через переключатель 8. С помощью переключателя можно изменять направление тока I эм в обмотке электромагнита. Ток I эм измеряют миллиамперметром 9. Для измерения напряжения Холла предназначен цифровой вольтметр 5.

Рисунок 4 Измерение напряжения Холла

Рисунок 3 Монтажная схема: 5, 7, 9 – см. на рис. 2
Выполнение измерений
1 Запишите в таблицу число витков электромагнита N, ширину зазора h и толщну датчика d (указаны на миниблоке «Эффект Холла»).
2 Соберите электрическую цепь по монтажной схеме, приведенной на рисунке 3.
3 Включите кнопкой «Сеть» питание блока генераторов напряжений. Нажмите кнопку «Исходная установка» (поз. 19, см. рисунок 1 на стр. 6).
Таблица
| Параметры установки: I = 5 мА, N = … витков, h = … мм, d = … мм | |||||
| Величина | |||||
| № | I эм, мА | U 1, мВ | U 2, мВ | U, мВ | В, мТл |
| … | … | ||||
| Средняя точка (Приложение 1.1) |
4 Кнопками установки напряжения «0…15 В» (поз.14, рисунке 1, стр. 6) установите ток в цепи электромагнита I эм
10 мА.
5 Измерьте с помощью мультиметра 5 напряжение U 1 (при данном направлении тока в обмотке электромагнита).
6 Переключателем 8 измените направление тока I эм и измерьте напряжение U 2.
7 Увеличивая с помощью кнопок установки напряжения «0…15 В» (поз.14, рисунок 1, стр. 6) ток в обмотке электромагнита I эм, через каждые
10 мА измерьте напряжения U 1 и U 2 по пп. 5, 6. Результаты измерений запишите в таблицу.
8 Выключите кнопками «Сеть» питание блока генераторов напряжения и блока мультиметров.
Обработка результатов измерений
1 Рассчитайте значения магнитной индукции B для каждого значения I эм, используя формулу (11). Результаты расчетов запишите в таблицу.
2 Для каждого значения магнитной индукции B по формуле (12) вычислите напряжение Холла U. Результаты расчетов запишите в таблицу.
3 По полученным данным постройте график зависимости
.
4 Проведите прямую через среднюю точку и нулевую: известно, что U = 0 при B = 0.
5 Определите угловой коэффициент K экспериментальной прямой и его относительную погрешность dK (см. приложение 1).
6 Используя формулу (10), найдите значение постоянной Холла для исследуемого полупроводника:
7
,
8 Оцените относительную погрешность величины R:
,
9 На основании выражения (8) или (9) вычислите концентрацию дырок n в исследуемом полупроводнике:
10
,
11 Найдите доверительный интервал величины n, принимая, что относительная погрешность dn = dR.
12 В выводе отметьте, какие закономерности эффекта Холла исследованы в работе и укажите возможные применения датчика Холла.
Контрольные вопросы
1 В чем заключается эффект Холла?
2 Какие условия необходимы для наблюдения явления Холла?
3 Укажите причину появления напряжения Холла.
4 Как направлена сила Лоренца, действующая на движущийся электрон?
5 Покажите на рисунке направление векторов
и
для электрического и магнитного полей в пластинке полупроводника при наблюдении эффекта Холла.
6 Между какими гранями пластинки появляется напряжение Холла? Укажите положение граней по отношению к току I и магнитному полю B.
7 Для измерения каких величин используют в данной работе:
а) миллиамперметр, б) цифровой вольтметр?
8 К каким граням датчика Холла подключают приборы:
а) миллиамперметр,
б) цифровой вольтметр?
9 Какие величины и параметры явления Холла изменятся, если изменить:
а) величину и направление рабочего тока датчика,
б) величину и направление тока в обмотке электромагнита?
10 Какой размер пластинки полупроводника необходим для вычисления постоянной Холла?
11 Каким способом измеряют напряжение Холла?
12 Запишите формулы, которые используются в данной работе для расчета концентрации электронов проводимости в полупроводнике.
1 Детлаф А.А., Яворский Б.М. Курс физики. – М.: Высшая школа,2002. – § 23.1, 23.2.
2 Зисман Г.А., Тодес О.М. Курс общей физики, т.2. - СПб. Издательство «Лань», 2007. - §§ 36.
3 Трофимова Т.И. Курс физики: учебное пособие для вузов. – М.: Издательский центр «Академия», 2007. - §§ 115, 117.