Внимание! Необходимо прочитать Введение к работе № 8, и Введение с методикой измерений в работе № 10.
Точка Кюри – это температура
, выше которой намагниченность каждого домена ферромагнетика равна нулю. Причина этого - разориентирующее тепловое движение молекул, в результате чего ферромагнетик переходит в парамагнитное состояние.
По мере уменьшения температуры ниже
намагниченность ферромагнетика J возрастает, так как магнитные моменты его молекул в пределах каждого домена стремятся выстроиться параллельно друг другу. При достаточно низких температурах магнитные моменты всех доменов устанавливаются вдоль внешнего магнитного поля: наступает магнитное насыщение, при котором намагниченность вещества Js максимальна. Ее величина (магнитный момент единицы объема образца) равна сумме магнитных моментов молекул:
, (1)
где n – концентрация молекул ферромагнетика; mm – магнитный момент одной молекулы.
Строго говоря, полное насыщение, для которого справедлива формула (1), возможно только при T = 0 К. Соответствующую этой температуре величину Js (0) можно найти из связи магнитной индукции
с намагниченностью вещества
:
|
|
|
, (2)
где m 0 = 4 p ×10–7 Гн/м – магнитная постоянная.
Метод измерений
Согласно выражению (2) намагниченность насыщения при T =0 К
, (3)
где
, а индекс «s» означает, что величины относятся к состоянию насыщения ферромагнетика.
Так как напряженность H внешнего магнитного поля не зависит от температуры, то величина
. Индукцию насыщения
можно найти экстраполяцией кривой
в область абсолютного нуля температуры.
Метод определения величин индукции В и напряженности H магнитного поля с помощью петли гистерезиса описан в работе № 10. Там получены следующие расчетные формулы.
Напряженность поля H в вершине петли гистерезиса
, (4)
где I – действующее значение тока, измеряемое амперметром; N 1 – число витков первичной (намагничивающей) обмотки тороида; l – длина средней осевой линии тороида.
Величина магнитной индукции насыщения
пропорциональна координате y вершины петли гистерезиса:
, (5)
где m – коэффициент, зависящий от параметров установки,
, (6)
где g – градуировочная постоянная интегратора; R 2 – сопротивление цепи вторичной обмотки тороида; K – цена деления оси Y (зависит от положения ручки «Усиление» осциллографа); N 2 – число витков вторичной обмотки; S – площадь поперечного сечения сердечника;
– длина большого деления оси Y осциллографа.
Для построения зависимости индукции насыщения
от температуры магнетика T измеряют координату
вершины петли гистерезиса при нагревании образца. По мере роста температуры ордината
петли уменьшается, а напряженность поля H остается постоянной. При этом петля гистерезиса уменьшается и по достижении температуры Кюри вырождается в прямую линию. В эксперименте получают зависимость
, вид которой показан на рисунке 1.
|
|
|
Участок кривой (1 – N) проводят по опытным точкам. При этом ось температуры на графике начинается в T =0 К. Для определения
) из точки (1) продолжают зависимость
до T = 0 К двумя линиями: проводят нормаль к оси B и касательную к кривой на начальном участке. Точки пересечения этих линий с осью
дают интервал
, внутри которого лежит искомая величина:
,

Рисунок 1
Зависимость индукции насыщения Bs от температуры магнетика T
Используя найденные значения
и
, можно по формуле (3) найти намагниченность J при насыщении, а затем с помощью соотношения (1) – величину mm магнитного момента одной молекулы ферромагнетика.
По графику зависимости
) определяют также температуру Кюри
данного ферромагнетика. Если последняя экспериментальная точка (N) близка к оси температур, то при нагревании была достигнута температура Кюри; при этом точка пересечения опытной кривой с осью T (где
) дает значение
. Иначе находят точку Кюри путем экстраполяции опытной зависимости до значения
. Для этого, аналогично описанному выше, продолжают кривую из конечной точки N до оси температур двумя линиями (касательной к кривой и нормалью к оси), – и по найденному интервалу D T оценивают в первом приближении значение температуры Кюри
:
,
Описание установки
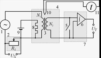
Схема электрической цепи представлена на рисунке 2, монтажная схема – на рисунке 3.
Рисунок 2. Электрическая схема:
1 – генератор сигналов специальной формы; 2 – миниблок «Реостат» с сопротивлением R 1; 3 – тороид с первичной N 1 и вторичной N 2 обмотками; 4 – миниблок «Точка Кюри»; 5 – демпферный ключ; 6 – интегратор; 7 – миниблок «Интегратор тока» (положение тумблера «Сброс»); 8 – электронагреватель; 9 –регулируемый источник постоянного напряжения «0…+15В»; 10 – термопара; 11 – мультиметр (режим °С, входы 5 (см. рис. 3 на стр. 9)); UX – напряжение на входе X осциллографа,
~ I ~ H; UY – напряжение на входе Y осциллографа,
~ Q ~ B.
Первичная N 1 и вторичная N 2 обмотки намотаны на кольцевой сердечник 3, который изготовлен из исследуемого ферримагнитного материала. Первичную обмотку, по которой протекает переменный ток, используют для намагничивания ферромагнетика и по ее параметрам определяют напряженность магнитного поля H.
Вторичная обмотка предназначена для измерения индукции B магнитного поля в сердечнике. С этой целью на вход Y осциллографа подают напряжение
с интегратора тока 7.
Электронагреватель 8 нагревает исследуемый ферромагнетик. Рядом с ним расположена термопара 10, предназначенная для измерения температуры образца с помощью мультиметра 11.

Рисунок 3. Монтажная схема:
ЭО – электронный осциллограф; 2, 4, 7, 11 – см. рисунок 2
Выполнение измерений
1 Соберите электрическую цепь по монтажной схеме, приведенной на рис.3.
2 Включите кнопками «Сеть» питание блока генераторов напряжения и блока мультиметров. Нажмите кнопку «Исходная установка» (поз. 19, см. рисунке 1 на стр. 6).
3 Включите осциллограф и выведите электронный луч в центр экрана.
Калибровка установки
4 Увеличивая ток I в первичной обмотке кнопками установки напряжения выхода «0 – 15 В» (поз. 10, см. рисунок 1 на стр. 6) генератора сигналов специальной формы, получите на экране осциллографа изображение предельной петли гистерезиса, для которой рост тока не приводит к увеличению площади петли. При этом, поворачивая реостат в миниблоке «Реостат» и ручку осциллографа «Усиление Y», установите наибольшие размеры петли, которые вписываются в экран осциллографа.
5 Подберите значение тока I (уменьшая его) таким, чтобы точка насыщения (
,
) оказалась в вершине петли гистерезиса.
|
|
|
6 Внесите в табл. 1 параметры установки и исследуемого образца:
N 1 и N 2 – число витков первичной и вторичной обмоток;
l – длина средней осевой линии сердечника;
S – площадь поперечного сечения сердечника;
R 2 – сопротивление цепи вторичной обмотки;
– градуировочная постоянная;
K – цена деления оси Y осциллографа (см. «Усилитель Y»: число K указано в единицах В/дел – вольт на большое деление оси Y);
l дел – длина большого деления оси Y осциллографа;
n - концентрация молекул (в данной работе ферромагнитный образец выполнен из сплава Mn–Zn, для которого n = 1,4×1028 м–3 ).
Таблица 1
| l, мм | | S, | R, кОм | g, Кл/В | К, В/дел | , | N, | n, м–3 | m, мТл/мм |
| 50,264 | 2,5 | 23,7×10–8 | 1,4×1028 |
Измерение Bs(T) исследуемого ферромагнетика
7 Перенесите на кальку осциллограмму предельной петли гистерезиса.
8 Измерьте температуру t °C и значения положительной (+ y) и отрицательной (– y) ординаты вершин петли, которые соответствуют величине индукции насыщения
. Результаты измерений запишите в таблице 2.
Таблица 2
| t, °C | + у, мм | – у, мм | , мм | T, К | , мТл |
| … |
9 Кнопками установки напряжения «0…15 В» (поз. 14, см. рисунок на стр. 6) регулируемого источника постоянного напряжения выставить по световому индикатору (поз. 15, см. рисунок на стр. 6) максимальное напряжение на электронагревателе.
10 По мере нагревания образца через каждые 10 °С, а начиная с 50 °С – через каждые 5 °С проводите измерения ординаты y петли гистерезиса и температуры t °C согласно п. 8. Измерения продолжайте до тех пор, пока петля гистерезиса не превратится в прямую линию. Результаты измерений запишите в таблице 2.
11 Выключите кнопками «Сеть» питание блока генераторов напряжения и блока мультиметров.
Обработка результатов измерений
1 По данным таблице 1 вычислите с помощью формулы (6) коэффициент m, зависящий от параметров установки:
,
Результаты расчетов запишите в таблице 1.
2 По данным таблице 2 рассчитайте по формуле (5) значения индукции насыщения
для каждой температуры:
,
Результаты расчетов запишите в таблице 2.
|
|
|
3 Используя результаты расчетов таблицы 2, постройте график зависимости
, начиная ось температур с 0 К.
4 По графику
определите температуру Кюри
и значение
, (см. рисунок 1 и описание метода измерений).
5 С помощью формулы (3) найдите намагниченность насыщения Js:
,
а из выражения (1) – магнитный момент молекулы ферромагнетика mm:
,
6 В выводе по работе сделайте анализ полученных данных:
а)по форме петли магнитного гистерезиса при комнатной температуре (на осциллограмме) сделайте заключение о материале сердечника: магнитомягкий или магнитожесткий;
б) поясните, как изменение намагниченности сердечника по мере роста его температуры отражается на форме петли гистерезиса;
в) сравните магнитный момент молекулы исследуемого магнетика mm с величиной спинового магнитного момента электрона, равной магнетону Бора m Б = 0,927×10–23 А/м2.
Контрольные вопросы
1 Покажите вид основной кривой намагничивания
и графика зависимости магнитной проницаемости от напряженности магнитного поля
для следующих магнетиков:
a) диамагнетиков; б) парамагнетиков;
в) ферромагнетиков при T < T с; г) ферромагнетиков при T > T с.
2 Какой вид имеет основная кривая намагничивания ферромагнетика?
3 Как изменяется петля гистерезиса
при нагревании ферромагнетика? Какой вид принимает зависимость
при температуре выше точки Кюри?
4 Назовите характерные свойства ферромагнетиков и особенности их намагничивания.
5 Опишите изменения доменной структуры ферромагнетика в процессе его намагничивания (по мере роста напряженности поля H).
6 Опишите механизм намагничивания ферромагнетика при температурах:
а) ниже точки Кюри; б) выше точки Кюри.
7 От каких величин зависит:
a) напряженность H магнитного поля тороида;
б) индукция В магнитного поля тороида с ферромагнитным сердечником;
в) магнитная проницаемость mr сердечника тороида?
8 Какие измеряемые величины и какие формулы используют для определения следующих величин:
b) напряженности H магнитного поля в сердечнике;
б) магнитной индукции насыщения
?
9 Укажите способ включения и назначение следующих элементов:
а) сопротивления R 1 в цепи первичной обмотки;
б) интегратора в цепи вторичной обмотки.
10 Назовите величины, пропорционально которым изменяются значения напряжений Ux и Uy (на входах X и Y осциллографа).
11 По каким формулам в работе определяют следующие величины:
c) индукцию насыщения
;
б) намагниченность
образца при насыщении;
в) магнитный момент
молекулы ферромагнетика?
12 С какой целью в работе строят график зависимости
?
13 Каким образом по графику
определяют температуру точки Кюри ферромагнетика?
, мм