При намагничивании ферромагнетика полем переменного тока зависимость
имеет вид петли гистерезиса (рисунок 1). Площадь петли определяется амплитудой напряженности магнитного поля H max. Площадь будет наибольшей, когда H max = H s, где Hs – напряженность поля, при которой образец намагничивается до насыщения. Эта предельная петля на рисунке 1 показана сплошной линией. При меньшей амплитуде (H max < Hs) получаются петли гистерезиса с меньшей площадью. Такие частные циклы показаны пунктирной линией. Увеличение напряженности больше Hs (участок от Hs до H max) приводит к линейной зависимости индукции B от H.
Вершины предельной петли и частных циклов лежат на основной кривой намагничивания. Определяя координаты этих вершин, можно построить основную кривую намагничивания и рассчитать mr (H), как описано в работе № 8.

Рисунок 1 Петля гистерезиса
По графику предельной петли гистерезиса определяют следующие характеристики ферромагнетика:
– Hs и Bs – параметры точки магнитного насыщения;
– Br – остаточную магнитную индукцию;
|
|
|
– Hc – значение коэрцитивной силы;
– w – энергию, затраченную на перемагничивание единицы объема ферромагнетика.
Перемагничивание ферромагнетика связано с затратой энергии, которая в конечном счете переходит во внутреннюю. Эта энергия, затраченная на перемагничивание единицы объема магнетика,
, (1)
может быть найдена как площадь, ограниченная петлей гистерезиса.
Таким образом, с помощью петли гистерезиса для исследуемого образца можно построить основную кривую намагничивания
, график зависимости магнитной проницаемости от напряженности магнитного поля
и определить параметры ферромагнетика Hc, Br, Hs, Bs и удельную энергию w его перемагничивания.
Метод измерений
Петлю гистерезиса в данной работе наблюдают на экране осциллографа. Если на пластины горизонтальной развертки осциллографа (вход Х) подать сигнал, меняющийся со временем пропорционально напряженности магнитного поля H, а на пластины вертикальной развертки (вход Y) – сигнал, пропорциональный индукции магнитного поля B, то луч на экране осциллографа будет описывать петлю гистерезиса
.
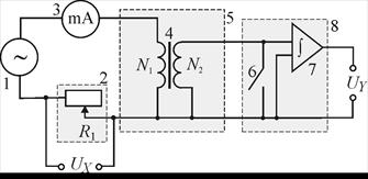
Исследуемый образец из ферримагнитного материала в форме тороида является сердечником двух обмоток (рисунок 2): первичной (намагничивающей) с числом витков N 1 и вторичной (N 2), предназначенной для измерения величины B.

Рисунок 2. Электрическая схема:
1 – генератор сигналов спе-циальной формы; 2 – миниблок «Реостат» с сопротивлением R 1; 3 – мультиметр (режим A
20 mA, входы COM, mA); 4 – тороид с первичной N 1 и вторичной N 2 обмотками; 5 – миниблок «Фер-ромагнетик»; 6 – демпферный ключ; 7 – интегратор тока; 8 – миниблок «Интегратор тока»; UХ – напряжение, подаваемое на вход X осциллографа, UX = UR ~ I ~ H; UY – напряжение, подаваемое на вход Y осциллографа, UY = Uинт ~ Q ~ B
|
|
|
Измерение напряженности магнитного поля H
Напряженность магнитного поля H в образце при протекании в первичной обмотке тока I можно рассчитать по формуле
,(2)
где N 1 – число витков первичной обмотки; l – длина средней осевой линии тороида.
На вход X осциллографа подают падение напряжения на сопротивлении R 1 (см. рисунок 2), пропорциональное току I в первичной обмотке тороида. Следовательно, напряженность магнитного поля в образце пропорциональна отклонению луча x по оси Х:
H = nx, (3)
где n – коэффициент пропорциональности.
Величину n можно найти, измеряя x для известного значения H. Для этого используют максимальное смещение луча
(в мм) в вершине петли гистерезиса, которое соответствует амплитуде напряженности
и амплитудному значению тока в первичной обмотке
,
где I – действующее значение тока, измеряемое мультиметром.
Подставив амплитудные значения в (2) и (3) получим
, (4)
Измерение индукции B магнитного поля в ферромагнетике
При изменении магнитного поля, созданного первичной обмоткой, во вторичной возникает ЭДС индукции ei (величина ее пропорциональна скорости изменения магнитного потока) и индукционный ток:
, (5)
где R 2 – сопротивление цепи вторичной обмотки; Ф = BS – магнитный поток через один виток тороида; В – индукция магнитного поля в тороиде; N2 – число витков вторичной обмотки; S – площадь поперечного сечения сердечника.
В результате протекания индукционного тока в цепи вторичной обмотки (см. рисунок 2) на интеграторе накапливается заряд
, (6)
Напряжение Uу, выдаваемое с интегратора на вход Y осциллографа, будет пропорционально индукции магнитного поля:
, (7)
где g – градуировочная постоянная интегратора.
Это напряжение приводит к отклонению y (в мм) луча по вертикали:
, (8)
где K – цена деления оси Y; величина K зависит от положения ручки «Усиление» потенциометра усилителя Y осциллографа; l дел – длина большого деления оси Y осциллографа, мм.
Линейные соотношения (7) и (8) приводят к пропорциональности B(t) ~ y, которую можно представить в виде
B = my, (9)
где m – коэффициент, зависящий от параметров установки,
, (10)
Оценка удельной энергии w перемагничивания образца:
Используя формулы (3) и (9), представим выражение (1) в виде
, (11)
где
– площадь петли гистерезиса, выраженная в мм2, так как x и y представлены числом малых делений соответствующей шкалы.
Описание установки
Монтажная схема представлена на рисунке 3

Рисунок 3 Монтажная схема:
ЭО – электронный осциллограф; 2, 3, 5, 8 – см. рисунок 2
Первичная N 1 и вторичная N 2 обмотки намотаны на кольцевой сердечник, который изготовлен из исследуемого ферромагнитного материала. Первичную обмотку, по которой протекает переменный ток, используют для намагничивания магнетика и по ее параметрам определяют напряженность H при градуировке шкалы X осциллографа. Для измерения мгновенных значений H переменного магнитного поля на вход X осциллографа подают сигнал с реостата R 1.
Вторичная обмотка предназначена для измерения мгновенных значений индукции B магнитного поля в сердечнике. С этой целью на вход Y осциллографа подают напряжение с интегратора.
Режим генератора сигналов специальной формы – синусоидальный сигнал (светится индикатор формы
).
Выполнение измерений
1 Соберите электрическую цепь по монтажной схеме, приведенной на рисунке 3.
2 Включите кнопками «Сеть» питание блока генераторов напряжения и блока мультиметров. Демпфирующий ключ 7 интегратора тока установить в положение «Сброс». Нажмите кнопку «Исходная установка» (поз. 19, см. рисунок 1 на стр. 6).Загорится индикатор 6 (поз. 19, см. рисунок 1 на стр. 6) сигнала синусоидальной формы. Частота выходного сигнала установится 500Гц (см на индикатор - поз.5, рисунок 1, стр. 6).
|
|
|
3 Включите осциллограф и выведите электронный луч в центр экрана.
Калибровка установки
4 Увеличивая ток I в первичной обмотке с помощью кнопок установки уровня выхода «0 – 15 В» (поз. 10, см. рисунок 1 на стр. 6) генератора сигналов специальной формы, получите изображение предельной петли гистерезиса, для которой рост тока не приводит к увеличению площади петли. При этом, изменяя сопротивление реостата в миниблоке «Реостат» и поворачивая ручку осциллографа «Усиление Y», установите наибольшие размеры петли, которые вписываются в экран осциллографа.
5 Подберите значение тока I, при котором координата вершины петли гистерезиса x max равна длине оси X экрана. Значения I и x max запишите в таблица 1.
Таблица 1
| l, мм | I, мА | , м | | S, | R, кОм | g, Кл/В | К, В/дел | , | N, | m, мТл/мм |
| 37,7 | 2,5 | 23,7×10–8 |
6 Внесите в таблице 1 параметры установки и исследуемого образца:
N 1 и N 2 – число витков первичной и вторичной обмоток;
l – длина средней осевой линии сердечника;
S – площадь поперечного сечения сердечника;
R 2 – сопротивление цепи вторичной обмотки;
g – градуировочная постоянная интегратора (23,7×10–8Кл/В);
K – цена деления оси Y осциллографа (см. «Усилитель Y»: число K указано в единицах В/дел – вольт на большое деление оси Y);
– длина большого деления оси Y осциллографа (в мм) – измеряется линейкой.
Измерение параметров петли магнитного гистерезиса
1 Перенесите на кальку осциллограмму предельной петли гистерезиса.
2 Измерьте положительную и отрицательную координаты точек петли, которые соответствуют величинам коэрцитивной силы Н с, остаточной индукции Br, напряженности насыщения Нs и индукции насыщения Bs (см. рисунок 1). Результаты этих измерений запишите в таблице 2.
Таблица 2
| Величина | Координаты, мм | Значение величины | ||
| H c | +x | –x | | |
| Br | +y | –y | | |
| Bs | +y | –y | | |
| Hs | +x | –x | | |
| w | ; w = … Дж/м3; W=wlS = … Дж |
Получение основной кривой намагничивания
3 Размагнитьте образец. Для этого постепенно уменьшая ток I в первичной обмотке с помощью кнопок установки уровня выхода «0 – 15 В» (поз. 10, см. рисунок 1 на стр. 6) генератора сигналов специальной формы доведите его до нуля. При этом площадь петли гистерезиса сократится до размеров точки; установите ее в центре экрана.
|
|
|
4 Увеличивая ток в первичной обмотке (с шагом
2мА, а при токах больше 10 мА с шагом
5 мА) получите на экране осциллографа ряд частных циклов. Последний цикл должен соответствовать насыщению ферромагнетика. Для каждого значения тока измеряйте координаты вершины петли x max и y max. Результаты измерений запишите в таблице 3.
5 Выключите кнопками «Сеть» питание блока генераторов напряжения и блока мультиметров.
Таблица 3
| № | x max, мм | y max, мм | Н, А/м | В, мТл | mr |
| … |
Обработка результатов измерений
1 По данным таблицы 1 вычислите коэффициенты n и m с помощью формул (4) и (10):
,
,
H = nx=…А/м,
B = my=…мТл,
Результаты расчетов запишите в таблице 2.
3 По осциллограмме петли гистерезиса оцените ее площадь
в мм2 (по числу клеток миллиметровой бумаги, попавших внутрь петли).
Определите по формуле (11) удельную энергию w перемагничивания ферромагнетика:
,
Оцените энергию, затраченную на перемагничивание образца объемом V за один цикл как:
W = wV = wlS=…Дж,
Результаты запишите в таблице 2.
4 По данным таблицы 3 для каждой пары значений x и y рассчитайте величины H и B по формулам (3) и (9) и вычислите магнитную проницаемость mr. Из выражения: B = m 0 mrH:
,
где величина m 0 = 4 p ×10–7 Гн/м.
Результаты расчетов запишите в таблице 3.
5 По данным таблицы 3 постройте основную кривую намагничивания
и график зависимости
.
6 В выводе по работе отразите особенности формы опытных кривых:
7 сопоставьте ход основной кривой намагничивания с положением максимума на графике
;
б) сравните полученные кривые с известными теоретическими и экспериментальными зависимостями.
Сделайте заключение о материале сердечника: магнитомягкий или магнитожесткий, – сравнивая найденное значение Br с Bs.
Контрольные вопросы
1 Покажите на графике основную кривую намагничивания
и зависимость
для ферромагнетиков:
a) при T < T с; б) при T > T с (T с – температура Кюри).
2 В чем отличие основной кривой намагничивания от петли гистерезиса?
3 Назовите характерные свойства ферромагнетиков и особенности их намагничивания.
4 Опишите изменения доменной структуры ферромагнетика в процессе его намагничивания (по мере роста напряженности поля H).
5 От каких величин зависит:
а) напряженность H магнитного поля тороида;
б) магнитная индукция B тороида с ферромагнитным сердечником;
в) магнитная проницаемость
r материала сердечника тороида?
6 Какие формулы (из приведенных в работе) показывают зависимость величин B и H от других величин?
7 Какие измеряемые величины и какие формулы используют для определения следующих величин:
а)напряженности H магнитного поля в сердечнике;
б) магнитной индукции B;
в) магнитной проницаемости mr материала сердечника?
8 Укажите способ включения и назначение следующих элементов:
а) сопротивления R 1 в цепи первичной обмотки;
б) интегратора тока в цепи вторичной обмотки.
9 Для чего используют значение тока в первичной обмотке, измеренное амперметром?
10 Назовите величины, пропорционально которым изменяются значения напряжений Ux и Uy (на входах X и Y осциллографа).
11 Найдите характерные точки петли гистерезиса, координаты которых используют:
а) для определения параметров ферромагнетика H c, Br, Hs и Bs;
б) для построения основной кривой намагничивания
?
12 По каким формулам в работе определяют следующие величины:
a) остаточной индукции Br; б) коэрцитивной силы H c;
в) магнитной проницаемости сердечника mr?
1 Детлаф А.А., Яворский Б.М. Курс физики. – М.: Высшая школа,2002. – § 24.3, 24.5.
2 Зисман Г.А., Тодес О.М. Курс общей физики, т.2. - СПб. Издательство «Лань», 2007. - §§ 46, 47, 48.
3 Трофимова Т.И. Курс физики: учебное пособие для вузов. – М.: Издательский центр «Академия», 2007. - §§ 132, 133, 135.
; w = … Дж/м3; W=wlS = … Дж 





