Трансформатор напряжения предназначен для понижения напряжения до стандартной величины 100 или 100/√3 В и для отделения цепей измерения и релейной защиты от первичных цепей высокого напряжения. Трансформатор напряжения в отличие от трансформатора тока работает в режиме, близком к холостому ходу, так как сопротивление параллельных катушек приборов и реле большое, а ток, потребляемый ими, невелик.
Номинальный коэффициент трансформации определяется следующим выражением:


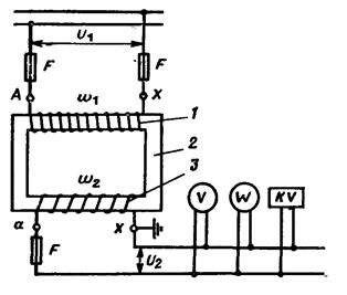
Рисунок 6.1 – схема включения трансформатора напряжения.
1 – первичная обмотка; 2 – магнитопровод; 3 – вторичная обмотка.
Погрешность трансформатора зависит от конструкции магнитопровода, магнитной проницаемости стали, от величины и cos
вторичной нагрузки.
В конструкции трансформаторов предусматривается компенсация погрешности по напряжению путем некоторого уменьшения числа витков первичной обмотки, а также компенсация угловой погрешности за счет специальных компенсирующих обмоток.
Суммарное потребление обмоток измерительных приборов и реле, подключенных к вторичной обмотке трансформатора напряжения, не должно превышать номинальную мощность трансформатора напряжения, так как в противном случае это приведет к увеличению погрешностей.
|
|
|
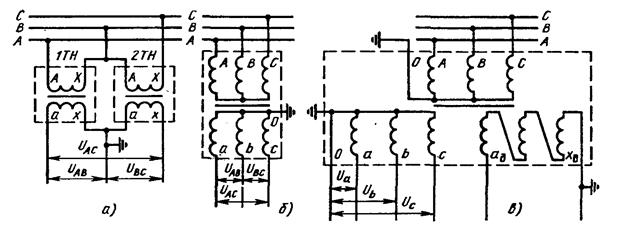
В зависимости от назначения могут применяться трансформаторы напряжения с различными схемами соединения обмоток. Для измерения трех междуфазных напряжений можно использовать два однофазных двухобмоточных трансформатора НОМ, НОС, НОЛ, соединенных по схеме открытого треугольника (рисунок 6.2, а), а также трехфазный двухобмоточный трансформатор НТМК, обмотки которого соединены в «звезду» (рисунок 6.2, б). для измерения напряжения относительно земли могут применяться три однофазных трансформатора, соединенных по схеме «звезда»/»звезда», или трехфазный трехобмоточный трансформатор НТМИ (рисунок 6.2, в). В последнем случае обмотка, соединенная в звезду, используется для присоединения измерительных приборов, а к обмотке, соединенной в разомкнутый треугольник, присоединяется реле защиты от замыканий на землю. Таким же образом в трехфазную группу соединяются однофазные трехобмоточные трансформаторы типа 3НОМ и каскадные трансформаторы НКФ.

Рисунок 6.2 – схемы соединения обмоток трансформаторов напряжения.
По конструкции различают трехфазные и однофазные трансформаторы. Трехфазные трансформаторы напряжения применяются при напряжении до 18 кВ, однофазные – на любые напряжения. По типу изоляции
трансформаторы могут быть сухими, масляными и с литой изоляцией.
Трансформаторы с масляной изоляцией.
Следует отличать однофазные двухобмоточные трансформаторы
|
|
|
НОМ-6, НОМ-10, НОМ-15, НОМ-35 от однофазных трехобмоточных: 3НОМ- 15, 3НОМ-20, 3НОМ-35.

Рисунок 6.3 – трансформаторы напряжения однофазные масляные.
1 – ввод высокого напряжения, 2 – коробка вводов низкого напряжения, 3 – бак.
Трансформаторы типов 3НОМ-15, 3НОМ-20, 3НОМ-24 устанавливаются в комплектных шинопроводах мощных генераторов (рисунок 6.4).

Рисунок 6.4 – установка трансформатора 3НОМ-20 в комплектном токопроводе.
Трансформатор с помощью ножевого контакта 3, расположенного на вводе ВН. Присоединяется к пружинящим контактам, закрепленным на
токопроводе 1, закрытом экраном 2. К патрубку 5 со смотровыми люками 4 болтами 6 прикреплена крышка трансформатора.
Трансформаторы напряжения с литой изоляцией

Рисунок 6.5 – трансформатор напряжения НОЛ.06-10.
Трансформаторы 3НОЛ.06 (рисунок 6.5) имеют пять исполнений на номинальные напряжения 6,10,15,20 и 24 кВ. магнитопровод в них ленточный, разрезной, С-образный, что позволило увеличить класс точности до 0,2.
Трансформатор представляет собой литой блок, в котором залиты обмотки и магнитопровод. Выводы первичной обмотки, выводы вторичной обмотки расположены на переднем торце трансформатора и закрыты крышкой. Такие трансформаторы имеют небольшую массу, могут устанавливаться в любом положении, пожаробезопасны.
В установках 110 кВ и выше применяются трансформаторы напряжения каскадного типа НКФ. В этих трансформаторах обмотка ВН равномерно распределяется по нескольким магнитопроводам, благодаря чему облегчается ее изоляция. Трансформатор НКФ-110 (рисунок 6.6) имеет двухстержневой магнитопровод, на каждом стержне которого расположена обмотка ВН, рассчитанная на Uф/2. Так как общая точка обмотки ВН соединена с магнитопроводом, то он по отношению к земле находится под потенциалом Uф/2. Обмотка ВН изолируется от магнитопровода также на Uф/2. Обмотка НН (основная и дополнительная) намотаны на нижнем стержне магнитопровода. Для равномерного распределения нагрузки по обмоткам ВН служит обмотка связи П. такой блок. Состоящий из магнитопровода и обмоток, помещается в фарфоровую рубашку и заливается маслом.
Трансформаторы напряжения на 220 кВ состоят из двух блоков, установленных один над другим. Т.е. имеют два магнитопровода и четыре ступени каскадной обмотки ВН с изоляцией на Uф/4. Трансформаторы напряжения НКФ-330 и НКФ-500 соответственно имеют три и четыре блока, т.е. шесть и восемь ступеней обмотки ВН.
Чем больше каскадов обмотки, тем больше их активное и реактивное сопротивление, возрастают погрешности и поэтому трансформаторы серии НКФ выпускают только в классах точности 1 и 3.

Рисунок 6.6 – трансформатор напряжения НКФ-110.
а – схема; б – конструкция; 1 – ввод; 2 – маслорасширитель;3 – фарфоровая рубашка; 4 – основание; 5 – коробка вводов НН.
Емкостные трансформаторы напряжения НДЕ.
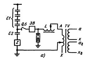
В установках напряжением 500 кВ и выше применяются трансформаторные устройства с емкостным отбором мощности, присоединенные к конденсаторам высокочастотной связи С1 с помощью конденсатора отбора мощности С2 (рисунок 6.7, а). напряжение, снимаемое с С2 (10 – 15 кВ), подается на трансформатор напряжения ТН, имеющий две вторичные обмотки, которые соединяются по такой же схеме, как у трансформаторов НКФ или 3НОМ. Для увеличении точности работы трансформатора в цепь его первичной обмотки включен реактор Р, компенсирующий емкостное сопротивление делителя напряжения. В первичной обмотке трансформатора ТН и в обмотке реактора Р предусмотрена ступенчатая регулировка числа витков для подбора индуктивности реактора и уточнения величины U2. Реактор Р и трансформатор ТН встраиваются в общий бак и заливаются маслом. Заградитель 3 не пропускает токи высокой частоты в реактор и трансформатор напряжения. При надлежащем выборе всех элементов и настройке схемы устройство НДЕ может быть выполнено на класс точности 0,5 и выше.
|
|
|

Рисунок 6.7 – емкостный делитель напряжения НДЕ-500, а – схема; б – установка НДЕ-500; 1 – делитель напряжения; 2 – разъединитель; 3 – трансформатор напряжения и дроссель; 4 – заградитель высокочастотный;
5 – разрядник; 6 – привод.






