Общие сведения
Аппарат, предназначенный для усиления эл.сигнала по току, напряжению и мощности.
В схеме простейшего дроссельного МУ, называемого дросселем насыщения (рис.21), используется управляемое индуктивное сопротивление. Замкнутый магнитопровод изготавливается из материала с резко выраженной нелинейностью кривой намагничивания В=f(H) (рис.20).

Рисунок 20. Изменение индукции В, напряженности Н и тока Iр при Iy=0 и Iy= Iymax.
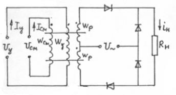
Рабочая обмотка Wp переменного тока включается в цепь нагрузки Rн.
В обмотку управления (ОУ) Wу подается постоянный управляющий ток Iy.
При прохождении переменного тока по Wp в Wy наводится эдс, которая будет создавать переменный ток в ОУ. Чтобы исключить это, рабочая обмотка Wp выполняется из двух частей, которые включаются встречно – последовательно.
При Iy=0 индуктивное сопротивление обмотки Wp

При неизменных S, Wp, l индуктивность Lp1 определяется абсолютной магнитной проводимостью μ.
При Iy=0 состояние магнитопровода характеризуется ненасыщенной зоной 1 (рис.20), в которой
велика, а, следовательно, Хр1 будет максимальным.
Обычно Rн<<xp1, поэтому ток в цепи рабочей обмотке будет минимальным
. Зависимость напряженности, а, следовательно, и тока от времени представлена на рис.20.
Напряженность магнитного поля Н1 находятся по индукции
.
При Iy=Iymax рабочая зона переходит в насыщенную зону 2. Магнитная проницаемость
мала. Индуктивное сопротивление рабочей обмотки Хр2 резко уменьшается. Выбирают так, чтобы Хр2<<RH, ток в цепи будет определяться только сопротивлением нагрузки;
.
Мы рассмотрели два крайних режима МУ – режим холостого хода, когда Iy=0, и ток в нагрузке минимален IH0, и режим максимальной отдачи, когда ток в нагрузке максимален.
При плавном увеличении Iy ток нагрузки плавно увеличивается от Iн0 до Imax (Рис.21).
В линейной зоне характеристики «вход-выход» соблюдается равенство
или
.

Рисунок 21. Дроссельный МУ и его характеристики управления.
Усилитель с самонасыщением – МУС.
В цепь рабочей обмотки МУ включен диод (рис.23,а) и под действием тока происходит подмагничивание магнитопровода.
Для получения более удобной зависимости «вход-выход» применяется дополнительная ОУ – смещения, в которую подается ток соответствующей полярности. Обмотка смещения подбирается таким образом, чтобы рабочая точка была в середине статической характеристики.

а)

в) г)
Рисунок 23. Однополупериодный МУС (а) и его характеристики управления (б, в), с цепью смещения (в).

Рисунок 25. МУС с обмоткой смещения.
Однофазный МУ.
Состоит из 2х однополупериодных МУС (рис.24), каждый из которых работает как управляемый выпрямитель, питающий нагрузку в течение своего полупериода.
Характеристики МУ в том числе и коэффициенты усиления могут быть изменены введением внешней положительной и отрицательной ОС по току или напряжению.
Положительная ОС применяется для увеличения коэффициента усиления, отрицательная – для стабилизации рабочей точки.

Схемы на постоянном токе

на переменном токе с общей обмоткой управления
Рисунок 24. Схемы однофазных двухполупериодных МУС.
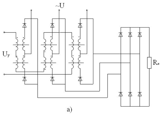
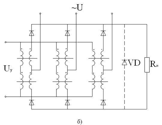
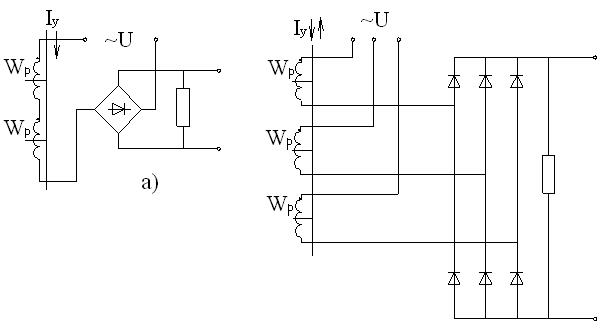
Трехфазный МУ.
На рис.26, а показана схема МУ на постоянном токе с вынесенным выпрямителем.
На рис.26, б представлена мостовая схема с шунтирующим обратным диодом.
Трехфазные МУ позволяют обеспечить равномерную нагрузку фаз питающей сети, увеличить выходную мощность в единице объема и получить малый коэффициент пульсаций постоянного тока. Применяют последовательное соединение всех ОУ, конструктивно могут быть выполнены в виде одной обмотки, охватывающей все сердечники.


Рисунок 26. Трехфазные МУ
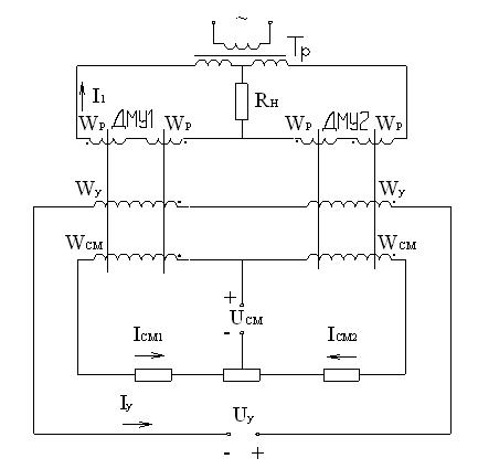
Реверсивное МУ.
Наибольшее распространение получили мостовые схемы реверсивных МУ, обеспечивающие повышенный КПД по сравнению с другими схемами.
В основу этих МУ положен мост (рис.27,28), плечами которого являются однофазные или трехфазные МУ с выходом на постоянном токе, включенные на общую нагрузку и балластный резистор Rδ≈Rн.


Рисунок 27. Реверсивная схема на ДМУ и характеристика управления.
При работе с сигналом на входе ток I1 одного МУ растет, а ток I2 другого уменьшается и на выходе устанавливается ток нагрузки Iн=I1- I2.
КПД составляет 30÷40 %.
При отсутствии сигнала на входе I2= I1 и Iн=0.

Рисунок 28. Реверсивная схема на двух МУС.
На рис.22, а,б приведены два варианта датчиков тока на однофазном и трехфазном МУ. Достоинство таких датчиков – не требуется фильтрация выпрямленного напряжения МУ и погрешность из-за искажения формы тока минимальна.
|
|
б)
Рисунок 22. ДМУ в качестве датчика а) постоянного,
б) переменного тока.
3. Эл. аппараты ручного управления.
3.1 Контроллеры.
Многопозиционный аппарат, предназначенный для управления эл.двигателями. Они широко применяются для управления ПТМ.
Барабанные контроллеры. На валу укреплен, изолированный от него сегментодержатель с подвижным контактом в виде сегмента. При вращении вала сегмент подвижного контакта набегает на неподвижный контакт, чем осуществляется замыкание цепи. Необходимое контактное нажатие обеспечивается пружиной на неподвижном контакте. На одном валу устанавливается ряд таких элементов.
Кулачковые контроллеры. Контактный элемент показан на рис.30. Перекатывающийся подвижный контакт имеет возможность вращаться относительно центра О2, расположенного на контактном рычаге.

Рисунок 30. Контактный элемент контроллера (пакет «С»).
Замыкание контактов и необходимое контактное нажатие создается пружиной. При размыкании контактов кулачок действует через ролик на контактный рычаг. При этом пружина сжимается, и контакты размыкаются.
Момент включения и отключения контактов зависит от профиля кулачковой шайбы.
Как в барабанном, так и в кулачковом контроллере имеется механизм для фиксации положения вала.
Плоские контроллеры. На изоляционной плите располагаются неподвижные контакты, по которым скользит подвижный контакт мостикового типа, одновременно соприкасающийся с токосъемной шиной.
В крановых эл.приводах применяются контроллеры переменного тока серии ККТ60А, постоянного тока – серии КВ1.
Номинальный ток кулачкового элемента у контроллеров КВ1 63А. Контакты для коммутации цепей управления рассчитаны на ток 10А.
Контроллеры переменного тока в виду облегченного гашения дуги могут не иметь дугогасительных устройств. В них устанавливается только дугостойкие перегородки.
Контроллеры постоянного тока имеют дугогасительное устройство, аналогичное применяемому в контакторах.
3.2 Командоаппараты.
Обеспечивают переключения в цепях управления силовых эл.аппаратов. Их применяют непосредственно для пуска двигателей малой мощности, для включения эл.магнитов и другого эл.оборудования. К ним относят: кнопочные выключатели, командоконтроллеры, путевые выключатели и микровыключатели, пакетные выключатели, универсальные переключатели, ключи управления.
Кнопочные выключатели используют для схем пуска, остановки и реверса двигателей путем замыкания и размыкания катушек контакторов, а также для управления схемами автоматики.
Для повышения надежности контакты часто выполняют из серебра. При переменном токе эл.дуга надежно гасится при напряжении до 500 В и токе 3 А, благодаря двум разрывам коммутируемой цепи. При постоянном токе и напряжении 440 В, отключаемый ток не превышает 0,15 А.
При использовании кнопочных выключателей для включения эл.магнитов переменного тока (контакторов) их контакты в замкнутом состоянии должны пропускать пусковые токи до 60 А.
Выпускаются следующие серии выключателей кнопочных: ВК43-21, ВК51-19(21), ВК16-19, ВК44-21, КМЕ, КЕ.
ВК – выключатели кнопочные
43 – номер серии
19 – номинальный ток 6,3А, 21-10 А.
номинальные рабочие напряжения: переменного тока – 110, 220, 380, 660 В;
постоянного тока – 12, 24, 48, 110, 220, 440 В.
Выключатели состоят из управляющего элемента (привода) и контактного устройства с подвижным мостиковым контактом.
По виду привода выключатели имеют следующие исполнения: толкатель цилиндрический, толкатель грибовидный, толкатель клавишный, с рукояткой – ключом.
В выключателях с фиксируемым грибовидным толкателем для возврата в исходное положение его необходимо повернуть по часовой стрелке.
В исполнениях со встроенной сигнальной лампой предназначены для световой индукции положения срабатывания.
В выключателях с механической фиксацией при снятии усилия толкатель остается в нажатом положении, а при повторном нажатии возвращается в начальное положение.
В выключателях с эл.магнитной фиксацией при нажатии на толкатель включается эл.магнит и фиксирует толкатель в нажатом положении. При отключении эл.магнита толкатель возвращается в начальное положение.
Рукоятка – ключ с двумя фиксированными с извлечением ключа в положении «отключено».
Рукоятка – ключ с двумя или тремя фиксированными положениями или двумя нефиксированными.
Толкатель выключателя фиксируется во включенном положении его нажатием и поворотом по часовой стрелке. Возврат толкателя осуществляется его поворотом в исходное положение.
По количеству полюсов выключатели бывают одно-, двух-, трех-, четырехполюсные.
Посты управления кнопочные серии ПКЕ. Контактный элемент состоит из корпуса, внутри которого расположены две независимые подпружиненные траверсы с контактами мостикового типа, имеющими серебряные накладки. Замыкающий контакт управляется толкателем черного цвета, а размыкающий – красного цвета.
Командоконтроллеры. Используют для переключения нескольких цепей по определенной программе с большой частотой включений. По принципу устройства аналогичны кулачковому контроллеру.
При необходимости точкой регулировки момента срабатывания применяются регулируемые командоконтроллеры. На каждом диске можно установить до трех включающих и трех выключающих кулачков. Число коммутируемых цепей может меняться от 4 до 18.
Выключатели путевые и микровыключатели. Применяются для коммутации эл.цепей управления под воздействием управляющих упоров в определенных точках пути контролируемого объекта. Частным случаям являются конечные (концевые) выключатели, обеспечивающие коммутацию в крайних положениях хода рабочего органа (рис.29).

Рисунок 29. Конечный выключатель.
Контактные путевые выключатели можно подразделить на кнопочные и рычажные.
Выпускаются выключатели путевые: ВПК2005, ВП21, ВП19М, ВП15Е, ВП16П
Номинальный ток до 16 А. Цепи управления переменного напряжения до 660 В, постоянного до 440 В.
Рабочий ход от 4,5÷7,5 мм.
Усилие срабатывания 10-20 Н.
Микровыключатели серии МП200Л, МП1000Л.
Рабочий ход 0,4-2,2 мм. Усилие срабатывания 3-7 Н. Блоки путевых микровыключателей серии ВМП21. Ход толкателя не более 0,5 мм. Блок имеет переключающий механизм.
Переключатели бесконтактные серии БТП, ВПБ14, ВПБ18, ВПБ21. ВПБ23, ВПБ24 предназначены для коммутации цепей управления посредством реле или через согласующие элементы бесконтактных логических элементов. Переключатели изменяют коммутационное состояние при приближении к чувствительному элементу управляющего элемента из конструкционной стали. Переключатели работают по принципу управляемого генератора. Чувствительным элементов в БТП, ВПБ14, ВПБ18, ВПБ21 является ферритовый сердечник с катушками индуктивности.
Выключатели путевые бесконтактные серий ВПБ23, ВПБ24 предназначены для контроля положения металлических и неметаллических частей оборудования, а также уровня жидкости и сыпучих материалов. Чувствительным элементом является емкостный датчик.
Серия путевых выключателей ВСГ создана на базе герконов. С контролируемым рабочим органом жестко связана пластина из магнитомягкой стали. Эта пластина входит в щель между герконом и постоянным магнитом. Поток в герконе исчезает и происходит его переключение.
На базе оптронных элементов выполнен путевой выключатель серии
ВПФ-11-01. Выключатель обеспечивает отключение привода при повороте выходного вала на заданный угол.
Пакетные выключатели и переключатели.
Предназначены для переключений в нескольких эл.цепях одновременно.
Они представляют собой сборку на квадратном валу определенного количества идентичных по конструкции коммутирующих устройств, механизма фиксации или самовозврата и рукоятки (встроенного цилиндрического замка).
В зависимости от диаграммы коммутационных положений применяются кулачки с различной конфигурацией.
Номинальный ток до 100 А. Число коммутируемых цепей до 32
(16 пакетов).
Переключатели управления серии ПЕ на номинальное напряжение до 660 В, номинальный ток 10 А имеют электрически не связанные между собой до 4 замыкающих и до 2 размыкающих контактов с двойным разрывом цепи.
Максимальное число положений 3.
Переключатели пакетные серии ПВП17 применяются в качестве коммутационных аппаратов в эл.цепях переменного тока, а также могут применяться для управления АД с К3 ротором.
Номинальный ток 63 и 100 А.
Максимальное число пакетов 1-8, 1-5.
Число коммутационных положений 2-8.
Переключатели пакетные серии ПВП19 применяются в качестве коммутационных аппаратов в эл.цепях управления переменного и постоянного тока, а также для прямого управления единичными АД с К3 ротором малой мощности.
Номинальный ток 16 А.
Номинальное напряжение ~660В, -220 В.
Кратковременный выдерживаемый ток за 1с - 400 А.
Максимальное число пакетов 3, 6, 8, 16.
Число коммутационных положений 2 - 8.
Число коммутационных цепей от 1 до 32.
Универсальное переключатели.
Применяются для схем управления эл.приводом, аппаратов и разнообразных устройств автоматики.
Одна секция такого переключателя имеет неподвижный контакт и два подвижных. В секции можно использовать как два, так и один разрыв коммутационной цепи. Номинальный ток 20А. Число коммутируемых цепей от 2 до 16.
Ключи управления.
Используют при большом числе сложных и разнообразных операций. Способы фиксации коммутационных положений с самовозвратом и с фиксацией.






