5.1 Общие сведения
Контактор – аппарат для коммутации силовых эл.цепей. Они широко используются в системах дистанционного управления эл.приводами, автоматики. Категории применения контакторов характеризуются параметрами коммутируемых ими цепей в зависимости от характера нагрузки.
а) контакторы переменного тока: АС-1, АС-2, АС-3, АС-4, АС-11, АС-22.
б) контакторы постоянного тока: ДС-1, ДС-2, ДС-3, ДС-4, ДС-5, ДС-11, ДС-12.
Номинальный ток контактора Iном представляет собой ток, который можно пропускать по замкнутым главным контактам в течение 8 часов без коммутации, причем превышение температуры частей контактора не должна быть больше допустимой.
Номинальным напряжением UH называется наибольшее напряжение коммутируемой цепи, для работы при котором предназначен контактор.
Механическая износостойкость определяется числом циклов включено, отключено – ВО контактора без ремонта и замены его узлов и деталей. Она составляет 10÷20 млн операций.
Коммутационная износостойкость определяется числом циклов ВО цепи с током, после которого требуется замена контактов. Она составляет 2÷3 млн операций.
|
|
|
Собственное время включения состоит из времени нарастания потока в эл.магните до значения потока трогания и времени движения якоря. Большая часть этого времени тратится на нарастание потока.
Собственное время отключения – время с момента обесточивания эл.магнита до момента размыкания контактов. Оно определяется временем спада потока от установившегося значения до потока отпускания.
Контактор имеет следующие основные узлы: контактную систему, дугогасительное устройство, эл.магнит и систему вспомогательных контактов.
5.2 Контакторы постоянного тока
Предназначены для коммутации цепей постоянного тока и приводятся в действие эл.магнитом постоянного тока.
Выпускаются контакторы серии КПВ – 600, типа КТПВ – 600, КП 7, КП 207, КМВ – 521, КМГ16, КМГ19, МК5, МК6, серия МК на постоянном токе и другие.
Номинальные напряжения: главной цепи – 220, 440 В; втягивающей катушки – 24, 48, 60, 110, 220, 440 В.
Контактная система. Применяются линейные перекатывающиеся контакты, а в серии МК мостикового типа. Для предотвращения вибрации контактов контактная пружина создает предварительное нажатие, составляющее примерно 50 % конечного.
Контакторы серии КПВ имеют два исполнения контактной системы: с замыкающими и размыкающими контактами.
В контакторах постоянного тока наибольшее распространение получили дугогасительные устройства с эл.магнитным дутьем с катушкой тока.
Электромагнит. Распространены эл.магниты клапанного типа. С целью повышения механической износостойкости применяется вращение якоря на призме.
|
|
|
При включении эл.магнита преодолеваются усилия возвратной и контактной пружин. Тяговая характеристика эл.магнита должна во всех точках идти выше характеристики этих пружин при минимально допустимом напряжении на катушке 0,85UH и нагретом ее состоянии.
Наиболее тяжелым моментом при включении является преодоление силы в момент касания главных контактов, так как эл.магнит должен развивать значительное усилие при большом рабочем зазоре.
Для контакторов постоянного тока, коэффициент возврата КВ = UОТП / UСР мал (0,2÷0,3), что не позволяет использовать контактор для защиты двигателя от снижения напряжения.
Наибольшее напряжение на катушке не должно превышать 1,1UH, так как при большем напряжении увеличивается износ контактов из-за усиления ударов якоря, а температура катушки может превышать допустимое значение.
С целью уменьшения мдс катушки, а следовательно, и потребляемой ею мощности рабочий ход якоря выбирается небольшим – 8-10 мм. Для надежного гашения дуги при малых токах требуется зазор контактов 17-20 мм. В связи с этим расстояние точки касания подвижного контакта от оси вращения подвижной системы берется в 1,5-2 раза больше, чем расстояние от оси полюса до оси вращения.
5.3 Контакторы переменного тока.
Выпускаются на токи от 10 до 1000А при числе главных контактов от одного до пяти (рис.31)
Из-за более благоприятных условий гашения дуги зазор между главными контактами делается меньше, чем в контакторах постоянного тока.
Подвижный контакт в отличие от контакторов постоянного тока плоский без перекатывания.

Рисунок 31. Конструкция электромагнита контактора переменного тока.
Для удобства эксплуатации подвижный и неподвижный контакты сделаны легко сменяемыми.
В контакторах переменного тока распространена мостиковая контактная система с двумя разрывами цепи на каждый полюс, которая обеспечивает быстрое гашение дуги при отсутствии гибких связей. В качестве материала главных контактов применяется металлокерамика, а для вспомогательных – серебро или биметалл (медь, покрытая тонкой пластиной из серебра).
Система дугогашения состоит из последовательной катушки, сердечника, полюсных пластин и керамической камеры. В контакторах переменного тока широко применяются дугогасительные решетки.
Электромагнит. Широкое распространение получили эл.магниты
с Ш и П – образными магнитопроводами. Для амортизации удара якоря о неподвижный сердечник последний крепится к основанию с помощью пружин.
С целью устранения вибрации якоря во включенном положении на полюсах магнитной системы устанавливаются короткозамкнутые витки, которые наиболее эффективны при малом рабочем зазоре. Для плотного прилегания полюсов их поверхность должна шлифоваться.
Из-за изменения индуктивности катушки ток при притянутом якоре значительно меньше, чем при отпущенном. Индуктивное сопротивление катушки эл.магнита
, если учесть, что
, то
.
.
В среднем можно считать, что пусковой ток эл.магнита равен десятикратному току притянутого состояния. Для больших контакторов это значение может достигать
15-кратного.
Эл.магниты контакторов переменного тока могут также питаться от сети постоянного тока.
В связи с большим пусковым током недопустима подача напряжения на катушку, если якорь по каким – либо причинам удерживается в отпущенном состоянии.
Относительно высокий коэффициент возврата Кв=0,6÷0,7 позволяет использовать контакторы переменного тока для защиты двигателей от снижения сетевого напряжения.
Срабатывание и отпускание эл.магнита переменного тока происходит значительно быстрее, чем эл.магнита постоянного тока. Собственное время срабатывания контакторов составляет 0,03÷0,05 с, а время отпускания 0,02 с.
|
|
|
При питании катушки от сети постоянного тока применяют специальную катушку с форсировочным резистором, который шунтирован размыкающим вспомогательным контактом контактора (рис.33).
1.- эдектромагнит броневого типа с двумя катушками;
2.-главный контакт;
3.- дугогасительная камера;
4.-токовая катушка дугогашения;
5.- изоляционная плита.
Контактор имеет вспомогательные 2 з и 2 р контакты, расположенные слева от главного контакта.

Рисунок 33. Конструкция контакторов однополюсных постоянного тока, на ток 2500 А, напряжением до 1000 В КП 7У3 – без отключающих пружин, КП 207У3- с отключающими пружинами.
Контакторы переменного тока выпускаются следующих типов: КТ6000/00, КТ6000/20, КТП6000/00, КТ6000/2, КТ64, КТП64, КТ65, КТП65, серии КТ (КТ7000Б, КТП7000Б, КТ6500, КТП6500, КТ7039), КТ7000, КНТ, серии МК, КМГ15, КМГ16, КМГ19, КМГ17-19, КМГ17Д19, КМГ18-19, КМГ18Д19, КТ6600, КТ6000Б, КТ6000А, КТП6000Б, КТ7100У, КТ7200У и другие.
Номинальное напряжение: главная цепь – 380, 660, 1140 В, втягивающая катушка –24, 36, 42, 110, 127, 220, 230, 240, 380, 400, 415, 500, 660 В.
Контакторы герсиконовые серии КМГ15, типов КМГ16, КМГ19,
КМГ17-19, КМГ17Д19, КМГ18-19, КМГ18Д19.
КМГ – контактор магнитоуправляемый герметичный. Основным элементом контакторов является герсикон – силовой геркон.
Количество полюсов – 1, 2, 3
Номинальные токи – 6,3; 10 А
Номинальное напряжение – переменный 380 В, постоянный 75 В.
Номинальное напряжение включающих катушек:
На постоянном токе – 12, 24, 48, 60, 10, 20 В;
На переменном – 110, 127, 220 В.
Контакторы серии МК. Предназначена для работы в силовых эл.цепях постоянного – 220, 440 В и переменного тока – 380, 500, 660 В.
Номинальный ток: главной цепи 40, 63, 100, 160 А; вспомогательных контактов 10А.
Контакторы с блоком бездуговой коммутации предназначены для работы в повторно-кратковременном и кратковременном режимах работы.
Конструкция контакторов моноблочная. Основные сборочные единицы: магнитная система, системы контактов главной и вспомогательной цепей. Контакторы с бездуговой коммутацией имеют полупроводниковый блок.
Магнитная система всех контакторов, за исключением МК1-10, МК2-10, двухкатушечная, катушки соединяются параллельно или последовательно в зависимости от напряжения цепи управления.
|
|
|
Системы контактов главной цепи конструктивно выполнены в виде одно-, двух- и трех- элементных блоков, мостикового типа.
Контакторы серии КТ6600 переменного тока 660 В с управлением переменным током 36-600 В, 66 серии. Номинальный ток 63, 100, 160 А.
Количество главных контактов 2, 3, 4, 5.
Конструкция контакторов моноблочная с поворотной системой. Контактор состоит из эл. магнита, контактно - дугогасительной системы и блока вспомогательной контактов.
Якорь эл.магнита – внедряющийся, на верхнем полюсе сердечника установлены экран.
Главные контакты (подвижные) пальцевого типа, контактные параметры регулируются. Используется эл.магнитное гашение дуги. Дугогасительные камеры – отдельные на каждый полюс. Для ограничения вылета дуги в камерах установлены пружинные пламегасители, а для ускорения гашения – потенциальный рог подвижного контакта.
Главные контакты выполнены с контактными накладками из металлокерамической композиции на основе серебра. Вспомогательные контакты – на основе серебра. Вспомогательные контакты – мостикового типа с контактной частью из серебра.
Контакторы серии КТ6000/00, КТП6000/00, КТ6000/20.
КТ – управление переменным током, КТП – постоянным током. Iн=16 А.
Наибольшая частота включений в час 600, а для КТ6000/20-60 в час.
После включения контакторов КТ6000/20 напряжения снимается, а подвижная система контактора удерживается во включенном положении защелкивающим механизмом.
Отключение контактора производится с помощью эл. магнита защелкивающего механизма при включении его на напряжение. После отключения контакторов напряжения с катушками эл.магнита защелки автоматически снимается.
Контакты выполняются из серебра.
Контакторы серий КТ6000/2, КТ6000/3.
2 – с замыкающими контактами и защелкой;
3 – с замыкающими и размыкающими контактами и защелкой.
Номинальный ток замыкающих контактов – 130, 250, 630, 1000 А. Замыкающих контактов – 1, 2, 3. Допустимая частота включений 60 в час.
Магнитная, контакто–дугогасительная система, контакты вспомогательной цепи установлены вдоль рейки и вала контактора.
Защелкивающий механизм контакторов устанавливается над магнитной системой. Контакторы имеют эл. магнитное дугогасительное устройство, состоящее из дугогасительной катушки, магнитопровода, рога неподвижного контакта и дугогасительной камеры с узкой щелью.
Замыкающие и размыкающие контакты выполнены с металлокерамическими накладками на основе серебра.
Контакторы серии КТ6000А, КТ6000Б, КТП6000Б, КТ7000Б.
Номинальный ток – 100, 160, 250, 400, 630 А.
Количество полюсов: 2, 3, 4, 5.
А – повышенная коммутационная способность – 500 тыс. циклов
Б – модернизированные.
Частота включений в час от 30 до 1200.
Контакторы выполняются с магнитной системой поворотного типа.
Главные контакты замыкающие пальцевого типа.
Контакторы типов КТ7100У, КТ7200У. Iн=63, 125 А.
У – унифицированные, для встройки в магнитные пускатели.
Конструкции моноблочного типа с поворотной подвижной системой.
Главные подвижные контакты пальцевого типа, контактные параметры регулируются. Используется эл.магнитное гашение дуги. Контактные накладки из металлокерамической композиции серебра. Вспомогательные контакты мостикового типа из серебра.
Контакторы типов КП7, КП207. Iн=2500 А, Uн=600 В.
Однополюсные. Контактор состоит из магнитной системы с двумя включающими катушками, контактной системой и дугогасительного устройства (рис.33). Контактная система имеет две пары параллельно включенных главных контактов и одну пару дугогасительных. Дугогасительная катушка включена последовательно с дугогасительными контактами, причем главные контакты в замкнутом состоянии шунтируют дугогасительные контакты. Главные контакты с серебряными накладками.
Контакторы вакуумные серии КТ12Р.
Р – рудничные. Iн=250, 400 А; Uн=600, 1140 В.
Частота включений в час, циклов ВО до 1200. предназначены для включения и отключения АД с К3 ротором, трансформаторов и т.д.
Три вакуумные дугогасительные камеры.
Полное перемещение якоря 9 мм.
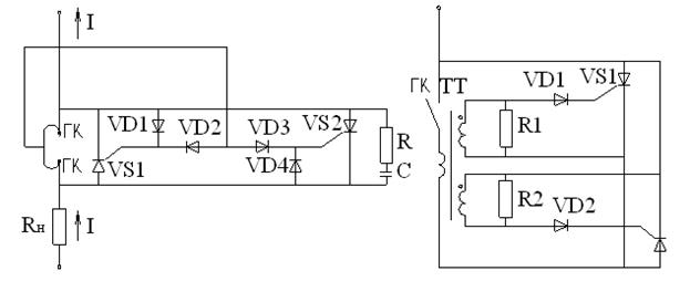
Полупроводниковое дугогасительное устройство к контактору МК приведено на рис.35, а

а) б)
Рисунок 35. Схемы полупроводниковых приставок к контакторам.
Главные контакты ГК шунтированы тиристорами VS1 и VS2, управление которыми осуществляется через диоды VD2 и VD3. Пусть в данный полупериод направление тока соответствует показанному на рис., то напряжение, приложенное между мостиком ГК и верхним неподвижным главным контактом, через VD2 открывает VS1, по которому начинает проходить ток цепи. После прохождения тока через нуль тиристор закрывается, и процесс отключения заканчивается.
Если ток имеет обратную полярность, то работают диод VD3 и тиристор VS2.
Для защиты управляющих переходов тиристоров от перенапряжений служат диоды VD1 и VD4.
RC цепочка снижает перенапряжение на тиристорах.

I-выводы для переднего присоединения проводников, II-то же для заднего
1- неподвижный контакт,
2- подвижный контакт
3- рог дугогасителя
4- рычаг, связанный с якорем
5- регулировочный винт
6- пружина подвижного контакта
7- регулировочная гайка
8- вал
9,10- гибкое соединение
11- колодка
12- крепежная рейка
13,15-шина
16- дугогасительная камера
17- пластина стальная (пламя-гасители)
Рисунок 34. Конструкция контактора переменного тока КТ 64-3У3 на ток 100 А, напряжение 380 В. (Модификация КТ 6000)
На рис.35, б показано полупроводниковое устройство контакторов КТ64, КТП64, КТ65, КТП65 (рис.34) для одной фазы. Параллельно ГК включается встречно-параллельно тиристоры VS1 и VS2. Управление осуществляется с трансформаторов тока ТТ, одетого на шину главного контакта. Во включенном состоянии контактора, ток проходит только по контактам, т.к. падение напряжения на них меньше порогового напряжения тиристоров.
При отключении контактора ток переходит в цепь тиристоров, находящихся во включенном состоянии под воздействием управления с ТТ. При этом дуга не образуется, так как падение на тиристорах не превышает 4÷5 В, что меньше, чем на дуге.
При перемене знака синусоидального тока управляющие импульса снимаются, а при первом переходе синусоиды тока через нуль тиристоры закрываются.
Имеются и обычные дугогасительные камеры, если устройство вышло из строя.
5.4 Магнитные пускатели.
Являются основным видом аппаратуры управления низковольтными (до 660 В) АД с К3 ротором. Для защиты их от перезагрузок недопустимой продолжительности и «потери фазы» в пускателе устанавливается эл.тепловые реле.
При включении АД Iп=(5÷6)Iн. При таком токе даже незначительная вибрация контактов быстро выводит их из строя. С целью уменьшения времени вибрации контакты и подвижные части пускатели делают возможно легче, уменьшается их скорость, увеличивается контактное нажатие.
При отключении двигателя восстанавливающиеся напряжение на контактах равно разности напряжения сети и эдс двигателя. В результате на контактах появляется напряжение, составляющее (15-20)% Uн, т.е. отключение происходит в облегченных условиях.
Пускателю в работе приходится отключать двигатель от сети сразу после пуска. В этих случаях он отключает ток равный 6Iн и восстанавливающемся напряжении, равным Uн сети.
По действующим нормам после 50-кратного включения и отключения заторможенного двигателя пускатель должен быть пригоден для дальнейшей работы.
Учитывая условия работы пускателя. В них используется мостиковая контактная система с двухкратным разрывом цепи, а это позволяет осуществлять бездуговую коммутация без применения дугогасительных устройств. Токоведущие шинки от зажимов к неподвижным контактам выполняется таким образом, что эл. динамические силы сдувают дугу с контактов.
Магнитная система включает в себя П или Ш – образный прямоходовой эл.магнит (рис.32). Контактное нажатие создается пружиной, упирающейся в траверсу.
1- неподвижные контакты;
2- подвижные контакты;
3- контактный мостик;
4- прижимная пружина;
5- деталь связи контактных мостиков;
6- траверса;
7- якорь электромагнита;
8- возвратная пружина;
9- катушка электромагнита;
10- корпус.
Рисунок 32. Типовая конструкция прямоходового магнитного пускателя.
Возврат пускателя в исходное положение происходит за счет пружины, расположенной внутри эл.магнита.
Для устранения вибрации якоря используют К3 витки.
Высокий коэффициент возврата эл.магнитов переменного ток позволяет защищать двигатель от понижения напряжения сети (эл. магнит отпускает при U=(0,6÷0,7)Uн).
Для реверсивных приводов используют два пускателя взаимосблокированных электрически либо механически.
Выпускаются магнитные пускатели серии ПМЛ, ПМА, ПМ12 и типа ПМА-0000, ПМУ.
В технических данных пускателей указываются их номинальный ток и номинальная мощность двигателя при различных напряжениях, а также категория применения.
В пускателях серии ПМА на токи от 40 до 160А и напряжении 380-660 В эл.магнит может быть как переменного, так и постоянного тока.
Пускатели комплектуются эл.тепловыми реле типа ТРП (однофазное), ТРН (двухфазное), РТТ и РТЛ (трехфазное). Реле ТРП, РТЛ имеют комбинированную систему нагрева. Возврат реле в исходное положение после срабатывания производится кнопкой.
Пускатели могут комплектоваться ограничителями перенапряжений типа ОПН (рис.37), которые должны ограничивать коммутационные перенапряжения на катушках управления. На дугогасительной камере могут встраиваться дополнительные приставки: контактные типа ПКЛ или пневмоприставки ПВЛ, кнопки «Пуск» или «Стоп» и сигнальная лампа.

а) на R-C элементной базе б) на варисторной в) на диодной
элементной базе элементной базе
Рисунок 37. Схемы электрические принципиальные включения ограничителей перенапряжений.
Эл.тепловые реле подсоединяются непосредственно к корпусам пускателей.
В пускателях в сейсмостойком исполнении последовательно и параллельно включающей катушки включается стабилитроны.
Пускатели серии ПМЛ. Могут быть выполнены с трехполюсными реле РТЛ и комплектоваться ОПН. Величина пускателя по Iн 1-10А, 2-25А, 3-40А,
4-63А. Могут иметь дополнительные приставки: ПКЛ, ПВЛ, кнопки «Пуск», «Стоп», сигнальные лампы.
Контакторы пускателей имеют прямоходовую магнитную систему Ш-образного типа.
Пускатели типа ПМА-0000. Могут комплектоваться трехполюсными реле РТТ5-06, ОПН на R-C или варисторной элементной базе, кнопками управления и сигнальной лампой. Величина пускателя: 0- на 6,3А.
Пускатели имеют Ш-образную магнитную систему.
Пускатели серии ПМА. Предназначены для управления трехфазными АД с К3 ротором мощностью от 18,5 до 75 кВт. При наличии реле РТТ-2П, РТТ-3П или аппаратов позисторной защиты АЗП или УВТЗ-1М защищают двигатели от перегрузок недопустимой продолжительности.
Эл.тепловые реле с температурой компенсацией и ручным возвратом имеют диапазон регулирования тока несрабатывания (0,85-1,15)Iн.
Пускатели могут комплектоваться: ОПН, кнопками «Пуск», «Стоп», сигнальной лампой.
Величины пускателей: 3-40А; 4-63А; Д-80А; 5-100А; 6-160А. Номинальные напряжения включающих катушек переменного тока: 24-660 В; постоянного тока: 24-440 В.
Контакторы пускателей 3-й величины имеют прямоходовую Ш–образную магнитную систему.
Контакторы пускателей 4,5 и6-й величины имеют прямоходовую магнитную систему П–образного типа. В них вертикальное перемещение якоря с помощью Г–образного рычага преобразуется в горизонтальное перемещение траверсы, несущей подвижные главные контакты.
Пускатели серии ПМ12. Могут комплектоваться: ОПН, реле РТТ-5, кнопками «Пуск», «Стоп», сигнальной лампой.
Обозначение номинального тока: 004-4А; 016-16А; 025-25А; 040-40А;
063-63А.
Контакторы пускателей имеют прямоходовую Ш–образную магнитную систему.
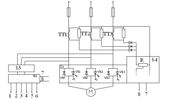
5.5 Тиристорный пускатель.
Один из вариантов схемы показан на рис.36.
|
|
Рисунок 36. Тиристорный пускатель.
Силовой блок Б1 содержит тиристоры VS1-VS3 и диоды VD1-VD3. При подаче сигнала управления на электроды 1-6 тиристоры открываются, и двигатель подключается к сети. В отрицательный полупериод, когда тиристоры закрываются, ток двигателя проходит по диодам VD1-VD3.
При снятии сигнала управления (перегрузка, потеря фазы, нажатие кнопки «Стоп») тиристоры закрываются. Следующий полупериод ток пропускается диодами.
Сигналы управления тиристорами формируется в блоке Б2, который получает напряжение от блока питания Б3.
При потере питания блока Б2 генерация импульсов прекращается.
В случае потери фазы в выходном напряжении блока питания появляется пауза. В эту паузу блок Б2 останавливается, что ведет к закрытию тиристоров. Блок Б4 защиты двигателя и силовых тиристоров от перегрузки питается от трансформаторов тока ТА1-ТА3.
Защита двигателя и силовых тиристоров от токов К3 осуществляется быстродействующими предохранителями. Промышленностью выпускаются пускатели бесконтактные реверсивные ПБР и ПБН. В качестве силовых элементов используются симисторы или тиристоры на токи от 4 до 160А. Пускатели предназначены для дистанционного управления АД с К3 ротором (включение, плавный пуск, остановка, регулирование, динамическое торможение, токовая и тепловая защита).
«Мягкий пуск» АД при плавном увеличении выходного напряжения пускателя позволяет регулировать Iп, улучшить динамику эл.привода.
5.6 Категории применения контакторов и пускателей в соответствии стандарта
МЭК 947-5.
В стандартных категориях применения определены величины тока в цепи, которую контактор должен быть способен замкнуть или разомкнуть. Эти величины зависят:
- типа включаемой нагрузки: АД с К3 ротором или АД с фазным ротором;
- условий, при которых происходит замыкание или размыкание цепи: запускаемый или работающий двигатель, реверсирование, торможение противотокам.
Применение по переменному току.
Категория АС-1. Эта категория применяется ко всем типам нагрузки по переменному току с коэффициентом мощности cos φ≥0.95. Лампы накаливания, тэны.
Категория АС-2. Эта категория применяется к запуску, торможению противотоком и толчковому режиму АД с фазным ротором. При замыкании контактор создает пусковой ток, который примерно в 2,5 раза выше номинального тока двигателя. При размыкании он должен разорвать пусковой ток при напряжении меньше или равном напряжению питания от сети переменного тока.
Категория АС-3. Эта категория применяется к АД с К3 ротором с размыканием цепи во время нормальной работы двигателя. При замыкании, контактор коммутирует пусковой ток, который в 5-7 раз выше номинального тока двигателя. При размыкании, он отключает номинальный ток двигателя; в этот момент напряжение на терминалах контактора составляет примерно 20 % от напряжения сети. Отключение цепи происходит легко. Примеры: все стандартные АД с К3 ротором.
Категории АС-4 и АС-2. Эти категории распространяются на торможение противотоком и на толчковый режим АД с К3 ротором и с фазным ротором.
Контактор замыкает цепь на пике тока. Который может быть в 5-7 раз выше номинального тока двигателя. При размыкании он отключает тот же самый ток при напряжении, которое тем выше, чем ниже скорость двигателя. Это напряжение может быть таким же, как и напряжение сети. Отключение цепи происходит в тяжелом режиме. Примеры: волочильные машины, подъемные краны и лебедки, металлургическая промышленность.
Применение по постоянному току.
Категория ДС-1. Эта категория применяется ко всем типам нагрузки по постоянному току с постоянной времени затухания
.
Категория ДС – 3. Эта категория применяется к запуску, торможению противотоком и толчковому режиму двигателей параллельного возбуждения. Постоянная времени ≤7,5 мс. При замыкании контактор создает пусковой ток, который примерно в 2,5 раза выше номинального тока двигателя. При размыкании он отключает ток в 2,5 раза выше номинального при напряжении, меньше или равном напряжению питания от сети.
Чем ниже скорость двигателя тем, соответственно ниже его противоЭДС и тем выше это напряжение. Размыкание происходит в тяжелом режиме.
Категория ДС-5. Эта категория применяется к запуску, торможению противотоком и толчковому режиму двигателей последовательного возбуждения. Постоянная времени ≤ 2 мс. При замыкании контактор создает пусковой пиковый ток, который может быть в 2,5 раза выше номинального тока двигателя. При размыкании он должен отключить тот же самый ток при напряжении, которое тем выше, чем ниже скорость двигателя. Это напряжение может быть таким же, как и напряжение сети. Размыкание происходит в тяжелом режиме.
Категория применения дополнительных контактов и реле управления.
Применение по переменному току.
Категория АС-14. Эта категория применяется к включению эл.магнитных нагрузок, мощность которых при включенном эл.магните меньше 72 ВА. Пример: включение рабочих катушек контакторов и реле.
Категория АС-15. Эта категория применяется к включению эл. магнитных нагрузок, мощность которых при включенном эл.магните больше 72 ВА. Пример: включение рабочих катушек контакторов.
Категории АС-14 и АС-15 заменяют категорию АС-11.
Применение по постоянному току.
Категория ДС-13. Эта категория предназначена для включения эл.магнитных нагрузок, для которых время, необходимое для достижения 95 % установившегося тока (Т=0,95 – продолжительность цикла: продолжительность эл. тока плюс время при нулевом значении тока), превышает в шесть раз время, затраченное на получение нагрузкой мощности P≤50 Вт. Пример: включение контакторов без экономического сопротивления. Категория ДС-13 заменяет категорию ДС-11.
Пускатели серии ПМУ.
Номинальный ток 9, 12, 18, 25, 32, 40, 65, 80, 95 А.
Тип контактора: ПМУ 09…ПМУ 95.
Тип реверсивного контактора с механической блокировкой ПМУР09…ПМУР95.
Количество полюсов 3 или 4.
Номинальное напряжение до 690В для ПМУ09-ПМУ32
до 1000В для ПМУ40-ПМУ95.
Температура окружающей среды от –5 до +55°, допустимая от –40 до +70°.
Номинальная мощность по категории АС-3: 2,2÷55 кВт.
Эл.тепловое реле с возвратом в ручном и автоматическом режиме.
Защита от коротких замыканий при помощи предохранителей U= 440 В.
Блоки дополнительных контактов: фронтальные до 4Н3 или 4Н0;
Боковые до 2Н3 или Н0;
С выдержкой времени, фронтальные 1Н0+1Н3;
Пылевлагозащищенные, фронтальные 2.
Модули ограничения коммутационных перенапряжений: варистор, диод, резистивно-емкостная цепь или двухнаправленный диод.
Цепь управления: переменный или постоянный ток.
Номинальное напряжение цепи управления на переменном токе 20-660 В.
Пределы напряжения цепи управления: срабатывания 0,8÷1,1 номинального напряжения; отпускания 0,3-0,6 номинального.
Дополнительный код пускателей с дополнительными контактами: ПМУ0910, ПМУ9511. первая цифра после номинального тока означает: 1-один дополнительный НО контакт.
Вторая цифра 0 означает отсутствие дополнительного Н3 контакта, а цифра 1 присутствие одного Н3 контакта.
Блоки дополнительных контактов типа ПКЛУ.
Дополнительные контакты мгновенного действия: 1НО+1Н3 ПКЛУ11; 2НО ПКЛУ 20; 2Н3 ПКЛУ 02.
Пускатели комплектуются трехполюсными эл.тепловыми реле перегрузки РТЛ1У, РТЛ2У, РТЛ3У. диапазоны уставок будут соответственно 0,1÷25А; 23÷40А; 17÷104А.
Рабочие характеристики. Повторный взвод. Ручной или автоматический режим. Выбор режима с помощью переключателя. Сигнализация. Индикатор срабатывания на передней панели. Функция «Остановка». Реле может быть заблокировано в положении «STOP». При нажатии кнопки «STOP»: изменяется положение НО контакта; не изменяется положение Н3 контакта.
Функция «тестирование». Приводится в действие нажатием отверткой на кнопку «ТЕСТ». При нажатии кнопки «TEST»: проверяются цепи управления; имитируется срабатывание реле при перегрузке (изменяются положения НО и Н3 контактов, срабатывает индикатор).






