6.1 Общие сведения
Релейным устройством называется аппарат, преобразующий аналоговый сигнал управления в дискретный выходной.
В зависимости от сигнала, поступающего на измерительный орган реле, их подразделяют на следующие виды: токовые реле, реле напряжения, мощности, направления энергии, времени, дифференциальные реле (реагирующие на разность двух токов), электротепловые реле и другие.
По принципу воздействия на управляемую цепь, реле делятся на контактные и бесконтактные.
По способу включения реле разделяются на первичные и вторичные. Первичные реле включаются в управляемую цепь непосредственно, вторичные – через измерительные трансформаторы.
Основные характеристики реле:
1. чувствительность. Минимальная потребляемая катушкой мощность при срабатывании. В зависимости от Рmin различают реле:
если Рmin≤0,01 Вт – высокочувствительные;
Рmin≤0,1 Вт – чувствительные;
Рmin>0,1 Вт – нормальные.
2. ток (напряжение) срабатывания – минимальные значения, при котором происходит срабатывание.
|
|
|
3. ток (напряжение) отпускания – максимальные значения, при котором происходит отпускания.
4. время срабатывания – промежуток времени с момента подачи тока в катушку до первого замыкания замыкающих (з) и размыкания размыкающих (р) контактов при срабатывании.
5. время отпускания – промежуток времени с момента отключения тока от катушки до первого замыкания размыкающих контактов при отпускании.
Реле считают (кроме реле времени) при
tср ≤ 0,001 с – сверхбыстродействующие;
tср ≤ 0,05 с – быстродействующие;
tср = 0,15 с – нормальные.
6. коэффициент запаса Кз – отношение рабочего параметра к параметру срабатывания.
7. коэффициент возврата Кв – отношение параметра отпускания к параметру срабатывания, характеризует ширину релейной петли.
Значение параметров срабатывания или отпускания, на которое отрегулировано реле, называется уставкой по входному параметру.
Эл. магнитные реле приводятся в действие эл.магнитами постоянного или переменного тока. На эл.магнитном принципе выполняются токовые реле и промежуточные реле напряжения.
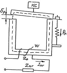
На рис.41 изображена схема включения токового реле. Сопротивление нагрузки ZНГ>>Z0, т.е. сопротивление реле Z0 практически не влияет на величину тока нагрузки Iнг. Ток нагрузки создает магнитный поток Ф и эл.магнитную силу Р притяжения якоря. Когда Р превысит противодействие возвратной пружины Рп, то реле срабатывает.

Рисунок 41. Схема включения токового реле.
Согласование тяговых и противодействующих характеристик (рис. 42).

Рисунок 42. Согласование характеристик эл. магнитного реле.
1 – статическая тяговая характеристика
при I=Iy=const
|
|
|
2 – статическая механическая характеристика возвратной пружины (линейна). Усилие контактных пружин не показано.
3 – динамическая тяговая характеристика
при срабатывании.
4 – статическая тяговая характеристика при отпускании I=Iотп=const.
5 – динамическая тяговая характеристика при отпускании.
Для срабатывания реле необходимо, чтобы характеристика 1 была выше характеристики 2 при любых зазорах.
Для отключения реле необходимо, чтобы характеристика 2 была выше характеристики 4 для любых зазоров.
Срабатывание реле определяется точкой «в», в которой Р>Рп. Для надежного срабатывания вводят коэффициент запаса превышения Р над Рп и обычно составляет Кз=1,4.
С ростом Кз тяговая характеристика поднимается, увеличивается тяговое усилие и ускорение якоря, сокращается полное время срабатывания. Однако при этом возрастают удары в механизме и вибрация контактов.
Для устранения залипания якоря, в магнитной системе всегда создается конечный зазор
.
При зазоре
тяговое усилие точка «а», значительно превышает противодействующее усилие точка «б».
При отпускании реле определяющей точкой является точка «δ», в которой Р<Рп.

Рисунок 38. Характеристика управления реле.

Рисунок 39.Выходной и входной параметры электромагнитного реле.
6.2 Токовые реле.
В схемах защиты широко применяется эл.магнитные реле тока серий РТ-40, РТ81, РТ-82, РЭВ570, ЭТ, РЭВ-300 и другие, рис.67.


Рисунок 67. Реле тока.
Магнитопровод реле РТ-40 шихтуется. Катушка реле разбита на две секции, которые могут быть соединены параллельно и последовательно. При переключении последовательного соединения секций на параллельное, ток срабатывания увеличивается в 2 раза.
Якорь Г-образной формы выполнен из тонкого листа эл.технической стали. С осью якоря связаны два мостиковых контакта с серебряными накладками.
Ток срабатывания регулируется изменением натяга спиральной противодействующей пружины. Натяг пружины и значение тока срабатывания (уставка) фиксируется указателем по шкале.
Реле выпускаются на токи от 0,1 до 200 А.
Серия реле РТ-81 применяется для защиты при перегрузках и К3 и исполняются для цепей переменного тока.
Реле является комбинированными и состоят из двух элементов: индукционного с диском, создающего выдержку времени, и эл.магнитного мгновенного действия, создающего «отсечку» при токах К3.
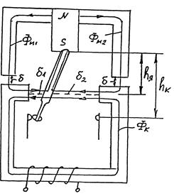
Принцип действия индукционных аппаратов рассмотрим на упрощенной схеме устройства однофазного счетчика переменного тока (рис.40).

Рисунок 40. Упрощенная схема однофазного счетчика и векторная диаграмма токов и потоков в счетчике.
Основными элементами являются: эл.магнит трехстержневой 1 с обмоткой напряжения 2 (большое число витков): П-образный эл.магнит 3 с токовой обмоткой 4 (малое число витков); алюминиевый диск 5, который может вращаться вокруг оси; постоянный магнит 7.
Обмотка 2 включается параллельно измеряемой цепи, а обмотка 4 – последовательно с этой цепью. Ток нагрузки Iн в катушке 4 создает поток Ф1, который дважды пересекает алюминиевый диск 5 и индуктирует в нем токи Iд1.
Ток I2 в обмотке 2 создает Ф2, который пронизывает диск и замыкается через скобку 6.
Построим векторную диаграмму. За основу берем вектор U. Ток Iн и U сдвинуты по фазе на угол φ1, величина которого определяется характером нагрузки Zн.
Ток I2 благодаря большой индуктивности обмотки 2 отстает по фазе от U на угол ≈90 градусов.
Потоки Ф1 и Ф2 совпадают по фазе с вызвавшими их токами Iн, I2.
Переменные потоки Ф1 и Ф2 индуктируют в диске эдс Е1 и Е2, отстающие по фазе от этих потоков на 90˚. Эти эдс вызывают в диске токи Iд1, Iд2, которые совпадают по фазе с вызвавшими их эдс (сопротивление этим токам чисто активное).
Эл.магнитные силы, действующим на диск с током
,
где к – коэффициент пропорциональности;
|
|
|
Ψ – угол сдвига фаз между потоком и током.
Из векторной диаграммы определим углы сдвига Ψ:




Следовательно, в создании момента, действующего на диск участвуют потоки Ф1 и Ф2 и соответствующие токи диска Iд2 и Iд1.

Ток Iд2 создается потоком Ф2 и ему пропорционален, а ток Iд1 – Ф1.

Поток Ф1 пропорционален току нагрузки Iн, а Ф2 – U.
,
где Р – активная мощность, потребляемая нагрузкой.
Для создания противодействующего момента предусмотрен постоянный магнит 7. При вращении диска поле постоянного магнита индуктирует в нем вихревые токи, которые в соответствии с законом Ленца противодействуют вращению диска.
Величина вихревых токов пропорциональна скорости вращения диска – n: Мпр=С0n.
Вращающий момент Мвр уравновешивается противодействующим моментам Мпр.
Мпр=Мвр, С0n=cP, 
Число оборотов N, которые диск создает за время t, будет пропорционально энергии W, полученной нагрузкой за это же время

Величина
называется постоянной счетчика и представляет собой эл.энергию, соответствующую одному обороту диска.
Счетчик снабжается счетным механизмом, связанным червячной передачей с осью диска.
Контактная система реле РТ-81 состоит из одного замыкающего контакта, срабатывающего от индукционного элемента с зависимой от тока выдержкой времени, а от эл.магнитного элемента мгновенно.
Реле снабжается указателем срабатывания с ручным возвратом.
Основными элементами индукционной системы реле является магнитопровод с катушкой, вращающийся диск, расположенный между полюсами эл.магнита. Часть полюса эл.магнита экранирована К3 витком. Результирующий поток экранированной части полюса сдвинут по фазе относительно потока неэкранированной части полюса.
Эти потоки наводят в металлическом диске вихревые токи. Перекрестное взаимодействие потоков с вихревыми токами приводит к появлению вращающего момента, действующего на диск. Вращающий момент пропорционален произведению потоков экранированной части полюса и sin Ψ, где Ψ – угол сдвига по фазе между потоками.
Так как потоки пропорциональны току, протекающему по катушке реле Iр, а угол Ψ=const,
, где к – постоянный коэффициент.
|
|
|
При определенной скорости вращения диска, т.е. при некотором значении тока катушки, происходит зацепление специального зубчатого сегмента с червяком, закрепленным на оси диска, и сегмент начинает поворачиваться вокруг своей оси. В определенном положении подвижный сегмент замыкает контакты реле.
Таким образом, время срабатывания реле зависит как от скорости вращения диск (тока катушки), так и от величины хода подвижного сегмента. Первоначальное положение сегмента устанавливается специальным движком. По шкале устанавливается время действия реле в независимой части характеристики.
Регулировка тока срабатывания реле, т.е. тока при котором происходит зацепление, производится путем изменения числа витков катушки эл. магнита, имеющей отпайки. Для увеличения тока срабатывания необходимо уменьшать число витков.
Изменение тока срабатывания отсечки производится регулировочным винтом, изменяющим, величину зазора между полюсами эл. магнита.
Серия реле РЭВ570 (постоянный ток). Iн=0,6-1200 А. Регулирование усилия пружины осуществляется корончатой гайкой. Ток срабатывания регулируется в пределах (0,7÷3)Iн.
Магнитопровод реле серии ЭТ шихтуется. Обмотка реле разбита на две части. Якорь выполнен из тонкого листа эл. технической стали и имеет Z-образную форму и укреплен на валу. Подвижный контакт мостикового типа шарнирно укреплен на рычаге, связанным с валом.
Для устранения вибрации контактов служит демпфер, связанный с валом реле. Противодействующая сила создается спиральной пружиной, деформация которой меняется рычагом.
Грубое регулирование тока срабатывания производится за счет изменения схемы соединения секций обмотки, а плавное – изменением начального натяжения пружины.
Максимальные реле тока серии РЭТ19 предназначены для защиты от перегрузок и токов К3 АД с фазным ротором и ДПТ.
Номинальные токи катушки от 2,5 до 320 А.
6.3 Реле промежуточные
Реле предназначены для применения в цепях управления эл. приводами постоянного и переменного тока, в низковольтных комплектных устройствах.
Реле серии РЭП18, РП21М, РЭП26 для применения в цепях переменного тока до 380 В и постоянного до 220 В.
Напряжение включающей катушки: постоянного тока, В: 6, 7, 12, 15, 24, 48, 60, 110; переменного тока, В: 12, 24, 40, 110, 220.
Реле могут иметь дополнительно механический указатель состояния реле (включено, выключено), ручной манипулятор для воздействия на подвижную систему от руки, эл. индикатор или защитный диод.
Реле серии РП20М для применения в цепях переменного тока до 380В и постоянного до 220В.
Реле серии РЭП15 – в цепях переменного тока до 660 В и постоянного до 220 В. Комплектуются ОПН, контактной приставкой ПКЛ.
Реле серии РЭП27 – в цепях переменного тока до 220 В. Реле комплектуются приставками контактными ПКЛ, пневматическими выдержки времени ПВЛ и ограничителя перенапряжений ОПН.
Пневмоприставка состоит из механизма выдержки времени и контактной системы.
Механизм выдержки времени содержит сильфон, пружину, клапан выпуска воздуха, диск с канавкой, регулировочную головку и металлокерамический фильтр.
Пневмоприставка устанавливается на камеру реле и запирается защелкой. Для приставки с выдержкой при включении, сильфон в нерабочем состоянии сжат. При срабатывании реле сильфон под действием пружины разжимается, медленно втягивает воздух через фильтр, канавку и отверстия диска и головки.
По заполнению сильфон приводит в действие контактную систему.
При исчезновении напряжения траверса реле сжимает сильфон, воздух быстро выходит через клапан, и контактная система возвращается в исходное состояние.
Для пневмоприставки с выдержкой при отключении принцип работы аналогичен, но происходит в обратном порядке.
Реле РП23 и 24 (постоянного тока) исполняются на напряжения 12, 24, 48, 110, 220В. РП24 снабжены указателями срабатывания с ручным возвратом.
Реле РП232, 233,255 (постоянного тока) имеют катушки: РП232 токовую (рабочую) и напряжение (удерживающую); РП233 напряжение (рабочую) и две токовые (удерживающую); РП255 напряжение (рабочую) и три токовых (удерживающую).
Реле РП 252 (постоянного тока) исполняется на напряжение 24, 48, 110 и 220 В.
6.4 Поляризованное реле.
Отличаются от обычных реле тремя особенностями: быстродействием, высокой чувствительностью и чувствительностью к полярности управляющего сигнала. Это достигается, благодаря включению в магнитную цепь реле постоянного поляризующего магнита. Широко применяются реле дифференциального и мостового типа, последние наиболее совершенны.
На рис.43 показана мостовая магнитная система и схема замещения поляризованного реле.
|
|
|
Рисунок 43. Магнитная система и ее схема замещения поляризованного реле.
Потоки постоянного магнита в зазорах δ1 и δ2
,
где Fп - мдс постоянного магнита;
- магнитное сопротивление зазоров δ1 и δ2, паразитного δ;
S – площадь рабочего зазора.
Магнитный поток, создаваемый катушкой
,
где Fк – мдс катушки
Результирующее усилие, действующее на якорь, равно разности усилий, создаваемых в зазорах δ1 и δ2:

Для определения потока срабатывания Фк.ср, создаваемое катушкой, воспользуемся предельным случаем, когда перед изменением знака усилие проходит через нулевое значение

Подставим значение потоков и магнитных сопротивлений

Чем ближе значение δ1 и δ2, тем меньше мдс срабатывания. Мощность срабатывания реле снижается до 10-6 Вт.
Контактное нажатие
обычно не превышает (1÷5)·10-2 Н.
Наиболее распространены реле типа РП, допускающие частоту переключений до 200 в с. При мдс срабатывания 1,5-2 А, длительный ток контактов 0,2 А, напряжение коммутируемой цепи 24 В.
Поляризованные реле имеют следующие преимущества перед нейтральными:
1. состояние контактной системы зависит от полярности управляющего импульса;
2. реле могут управляться кратковременными импульсами тока;
3. замкнутое состояние контактов сохраняется после окончания импульса, что позволяет использовать реле как элемент памяти;
4. после срабатывания не потребляется мощность для удержания якоря в притянутом положении;
5. высокая чувствительность и высокий коэффициент усиления по мощности;
6. за счет положения упоров можно осуществлять однопозиционную, нейтральную и двухпозиционную настройку реле.
Развитие конструкции эл. магнитных и поляризованных реле идет в направлении уменьшения массы, размеров, увеличения надежности и удобства монтажа на платах.
Микроминиатюрные реле имеют магнитные и контактные системы, располагаемые в герметичном кожухе. Штыревые выводы легко впаиваются в монтажные платы. Это реле типов РПС (поляризованные), РЭН, РПС, РЭС, РЛ и другие.
6.5 Электротепловые реле
Для защиты эл. оборудования от токовых перегрузок используют эл. тепловые реле с биметаллическим элементом. Биметаллический элемент при нагреве изгибается и переключает контактную систему.
Его нагрев может производиться за счет тепла, выделяемого током нагрузки в самой пластине или в специальном нагревателе, также обтекаемым током нагрузки. Лучшие характеристики получаются при комбинированном нагреве.
Биметаллическая пластина состоит из двух пластин. Термоактивная имеет больший температурный коэффициент расширения
, а термоинертная часть - меньший
.
В месте прилегания друг к другу пластины жестко скреплены либо за счет проката в горячем состоянии, либо за счет сварки.
Прогиб и усилие тем больше, чем больше величина
.
Основной характеристикой эл. теплового реле является зависимость времени срабатывания от тока нагрузки (времятоковая характеристика).
При К3 нагрев элемента идет без отдачи тепла. Время срабатывания при К3 больше, чем время термической стойкости при данном токе. Поэтому от К3 цепь и само эл. тепловое реле нужно защищать предохранителями.
Контакторы и магнитные пускатели комплектуются с однофазными – ТРП, двухфазными – ТРН или трехфазными – РТТ, эл. тепловыми реле. Выпускаются реле типа ТРТ и другие.
Реле типа ТРП имеет комбинированную систему нагрева и плавную регулировку тока несрабатывания в пределах ±25 % от номинального тока уставки.
Регулировка осуществляется ручкой, меняющей первоначальную деформацию пластины. Возврат реле в исходное положение после срабатывания производится кнопкой.
Реле серии PTT предназначены для защиты от перегрузок и обрыва одной из фаз. Реле имеет специальное исполнение для установки с пускателями ПМА. Номинальные токи: 25, 80 и 160 А.
Время срабатывания при токе 1,2Iн – 20 мин.
Реле имеет ускоренное срабатывание при обрыве одной из фаз, трехполюсное, температурную компенсацию, регулировку тока несрабатывания, свободное расцепление контактов при нажатии кнопки, ручной возврат.
Реле типов PTT5-100, PTT5-160 на Iн=100, 160 А предназначены для защиты АД с К3 ротором.
Реле могут крепиться к пускателям ПМ12.
Реле имеет: три полюса с устройством ускоренного срабатывания: температурный компенсатор; регулятор уставки токов несрабатывания, указатель срабатывания; ручной возврат и самовозврат.
Реле температурное ТРМ11, ТРМ12 предназначены для контроля температуры неагрессивной газовой (ТРМ12) или жидкой среды.
Реле ТРМ11 изготавливаются отрегулированными на одну из температур с уставкой в диапазоне от 25 до 200ºС через каждые 5ºС.
Контролируемые температуры реле ТРМ12: 50, 60, 63, 67, 70, 80, 85, 90, 95, 120ºС.
Реле имеют один размыкающий контакт.
Принцип действия реле основан на свойстве термомагнитного материала изменять свою магнитную проницаемость с изменением температуры.
В исходном положении реле, постоянный магнит притянут к термомагнитной скобе, контакт замкнут. При увеличении температуры магнитная проницаемость скобы уменьшается и при определенной температуре постоянный магнит под действием пружины отходит от скобы и толкатель размыкает контакты.
При понижении температуры термомагнитный материал восстанавливает свои магнитные свойства и магнит притянется к скобе и контакт замкнется.
6.6. Двигатели со встроенной температурной защитой
Защита обмотки от превышения температуры выше допустимой наиболее надежно обеспечивается с помощью термодатчиков, встраиваемых непосредственно в обмотку.
Термодатчик имеет определенную температуру срабатывания, которую изменить нельзя.
В качестве датчиков температуры применяют термисторы и позисторы.
Термисторы представляют собой резисторы с довольно большим отрицательным температурным коэффициентом сопротивления – ТКС. При увеличении температуры сопротивления термистора уменьшается.
Позисторы являются нелинейными резисторами с положительным ТКС. При достижении определенной температуры сопротивление позистора скачкообразно увеличивается на несколько порядков.
Защита с помощью позисторов является более совершенной. Типы позисторов СТ141, СТ142, температура срабатывания 105, 130, 145, 160ºС, время срабатывания 15 с.
Более простая система температурной защиты применение биметаллического микровыключателя, применяемая в однофазных АД.
В двигателях серии АИ для температурной защиты приняты позисторы.
6.7 Выбор реле
Максимально-токовых. Уставка реле по току срабатывания должна быть
,
где Iп – пусковой ток двигателя.
Для защиты двигателей с фазным ротором

Для защиты нескольких двигателей с фазным ротором
,
где
- номинальный ток двигателя наибольшей мощности
- сумма номинальных токов всех защищаемых двигателей.
Электротепловых. Номинальный ток нагревателя принимается равным
. Реле срабатывает при 20% перегрузке за время не более 10-20 мин.
Реле не срабатывает при пуске и кратковременных перегрузках.
Защита двигателей от снижения напряжения. Применяют реле напряжение. Номинальное напряжение для реле должно быть 
Напряжение срабатывания для контактора переменного тока должно быть
, для контакторов постоянного тока 
6.8 Герконовые реле
Общие сведения
Это герметичные магнитоуправляемые контакты. Простейшее реле изображено на рис.44.

Рисунок 44. Простейшее герконовое реле с симметричным замыкающим контактом.
Контактные сердечники КС изготавливаются из материала с высокой магнитной проницаемостью и ввариваются в стеклянный герметичный балон СБ. Балон заполнен азотом с 3% добавкой водорода. Инертная среда предотвращает окисление КС.
Для улучшения контактирования поверхности касания покрываются слоем 2-50 мкм золота, родия, палладия, рения, серебра.
Магнитный поток Ф, создаваемый ОУ проходит по КС через рабочий зазор δ между ними и замыкается по воздуху вокруг катушки. Поток создает силу Р, которая, преодолевая упругость КС, соединяет их между собой.
При отключении катушки под действием сил упругости КС размыкаются. КС одновременно выполняют функции магнитопровода, токопровода и пружины. Упругость КС обусловливает возможность их вибрации «дребезга» после удара, который сопутствует срабатыванию.
Контактное сопротивление 0,03-0,2 Ом и отличается стабильностью.
Управлять состоянием геркона можно с помощью постоянного магнита за счет перемещения ферромагнитного экрана.
В герсиконовых контакторах используются силовые герконы – герсиконы. Герсиконы типа КМГ12 выпускаются на Iн=6,3; 10 А, включающий ток до 180А, отключаемый ток 63А, максимальная мощность управляемого АД до 3 кВт.
Частота включений до 1200 в час.
Реле промежуточные герконовые серии РПГ.
Реле для печатного монтажа: РПГ –2, РПГ-3, РПГ –5, РПГ –6, РПГ12, РПГ17, РПГ21. В них используются замыкающие и переключающие герконы. Напряжение катушек – 5, 12, 15, 24, 48, 60, 110 В.
Реле РПГ12 с магнитной памятью с включающей и отключающей катушками. Реле управляется импульсами напряжения 5, 12, 15, 24 В с длительностью не менее 5 мс.
Память реле при обесточенной катушке – не менее 2000 часов.
Реле для навесного монтажа: РПГ –9, РПГ16, РПГ –4, РПГ –10, РПГ 14, РПГ19 в них используются замыкающие, размыкающие и переключающие контакты.
Напряжение катушек: постоянного тока 12, 15, 24, 48, 60, 110, 220 В и 24, 110, 220 В переменного тока.
Реле РПГ 16 и РПГ 19 имеют дополнительные функциональные элементы и узлы (рис.45).

Рисунок 45. Эл. схема дополнительных элементов, включаемых параллельно обмотке реле РПГ16 и РПГ19.
- индикатор единичный для индикации напряжения на катушке;
- помехоподавляющие элементы;
- резистор в цепи контактов.
Реле РМГ
С магнитной памятью. Содержит две двухобмоточные катушки. Управляется импульсами напряжения 12, 24 В с длительностью не менее 10 мc.
Память реле не менее 1700 часов.
Реле РТГ – реле тока герконовое
Имеет исполнение на токи Iн=1,6; 2,5; 4; 6,3; 10; 16; 25; 40; 63; 100; 400; 630; 1000 А.
Реле обеспечивают регулирование уставок тока срабатывания в пределах от 0,7 до 3,0 значения Iн при повороте колодки с герконом.






