Общие сведения.
Эл.магниты широко применяются в таких аппаратах как контакторы, пускатели, реле, автоматы, эл.магнитные муфты и т.д.
Конструктивное исполнение магнитной системы эл.магнитов приведено на рис.7.

δ
δ
δ α
Рисунок 7. Исполнение магнитных систем электромагнитов.
Подвижная часть магнитной цепи, создающая рабочее усилие, называется якорем.
Воздушный зазор δ, меняющийся при перемещении якоря, называется рабочим. Соответственно магнитный поток, проходящий через рабочий зазор, называется рабочим. Все остальные потоки в магнитной цепи, не проходящие через рабочий зазор, называются потоками рассеяния Фσ. Эл.магнитное усилие, развиваемое якорем, определяются магнитным потоком в рабочем зазоре δ. При большом ходе якоря – до 100 мм (длинноходовые эл.магниты) применяются броневыми магнитные системы 1-3 рис.7.
При малом ходе якоря – до 10 мм (короткоходовые эл. магниты) преимущественно применяются клапанные магнитные системы 4 и 5.
При угловом перемещении якоря используются магнитные системы 6 с поворотным якорем.
|
|
|
В системах 7 и 8 при симметричном положении якоря относительно центра катушки сила равна нулю. При выходе из этого положения сила меняет знак.
При расчете магнитной цепи используют законы Кирхгофа для магнитной цепи.
1. согласно первому закону Кирхгофа алгебраическая сумма потоков в любом узле магнитной цепи равна нулю: 
2. второй закон Кирхгофа следует из закона полного тока
,
где
- алгебраическая сумма мдс, действующих в контуре.
Т.к.
.
Магнитная проницаемость μ характеризует магнитную проводимость материала цепи.
Выражение
аналогично выражению для активного сопротивления элемента эл.цепи
.
Тогда закон полного тока можно представить в виде
,
где
- магнитное сопротивление участка длинной dl.
Когда поток в отдельных участках не меняется, интеграл можно заменить конечной суммой
.
Сумма падений магнитного потенциала по замкнутому контуру равна сумме мдс, действующих в этом контуре.
Из последнего равенства вытекает закон Ома для магнитной цепи
,
где RM – магнитное сопротивление участка цепи длиной l:
,
где ρм – магнитное сопротивление единицы длины цепи при сечении, также равным единицы м/Гн.
Магнитная проводимость участка 
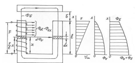
Магнитная проводимость воздушных зазоров.
Для прямоугольных и круглых полюсов при малом зазоре δ поле приближенно можно считать равномерным и проводимость определяется
,
где S – сечение потока в зазоре.
При больших рабочих зазорах у краев полюсов возникает дополнительный поток выпучивания. Расчет проводимости с учетом выпучивания связан с большими трудностями ввиду сложности картины магнитного поля. Для расчета используют:
|
|
|
- расчет по эмпирическим формулам;
- реальное поле разбивается на простые геометрические фигуры, для которых существуют расчетные формулы.

Рисунок 8. К расчету магнитной цепи без учета магнитного сопротивления стали.

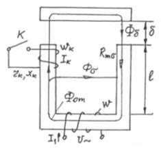
Рисунок 9. Магнитная цепь эл.магнита переменного тока с короткозамкнутой обмоткой.

Рисунок 10. Зависимость магнитного потока и тока от рабочего зазора.
Сила тяги электромагнитов.

а) б)
Рисунок 11. К расчету силы тяги электромагнита.
Расчет силы тяги эл. магнита постоянного тока.
Зависимость тяговой силы эл.магнита от рабочего зазора при неизменном токе в обмотке называется статической тяговой характеристикой эл.магнита
при I=const.
Сила тяги может быть рассчитана с помощью формулы Максвелла, полученной из анализа магнитного поля, действующего на поверхности полюсов. Если поле в рабочем зазоре равномерно и полюсы ненасыщенны, то для эл.магнита с одним рабочим зазором
,
где Вδ и Фδ – индукция и магнитный поток в рабочем зазоре;
S – площадь полюса.
Если клапанный эл.магнит имеет два рабочих зазора, то сила тяги удваивается.
Сила тяги эл.магнита переменного тока.
Допущения: магнитное сопротивление стали, активное сопротивление обмотки и потери в стали равны нулю, напряжение, ток и магнитный поток меняются синусоидально.
Мгновенное значение силы одного полюса однофазного эл.магнита
.
Таким образом, мгновенное значение силы в однофазном эл.магните изменяется от нуля до своего максимального значения
с удвоенной частотой питающей сети

Первый член представляет собой среднее значение силы за период, которое принимается как расчетное значение полезной силы.
Второй член представляет переменную составляющую силы. Наличие ее приводит к вредным явлениям вибрации якоря в эл.магните.

полностью совпадает по форме с уравнением силы в эл.магните постоянного тока.
Среднее значение силы на рис.12 показано пунктирной линией, которая проходит посередине между нулем и максимальным значением мгновенной силы.

Рисунок 12. Изменение силы в однофазном электромагните.
Т.к. однофазный эл.магнит имеет два полюса одинакового сечения, через которые проходит один и тот же поток, мгновенная сила действующая на якорь, равна

Для притяжения якоря необходимо, чтобы среднее значение силы тяги было больше противодействующего усилия пружины.
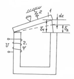
Для устранения вибрации якоря в однофазных эл.магнитах используются К3 витки. Наконечник полюса расщепляется, и на его большую часть насаживается К3 виток из меди или алюминия (рис.13,а). Магнитный поток Ф, создаваемый намагничивающей обмоткой, разветвляется на две части Ф`н и Ф`э через участок не охваченный К3 витком и участок, на котором расположен экранирующий виток. Противоэдс, наводимая в экране Еэ, вызывает ток в экранирующем витке Iэ, который создает дополнительный поток Ф`` и Ф``э.
На экранированной части сердечника потоки векторно вычитаются, а на неэкранированной – складываются. Так как дополнительный поток остается по фазе от потоков Ф`н и Ф`э, на участках полюса получаются разные по фазе потоки. Результирующая сила, действующая на якорь не ниже определенной минимальной величины Рmin (рис.13, г).
Благодаря чему уменьшается амплитуда пульсации силы. Величина угла сдвига фаз между потоком неэкранированной части полюса Фн и экранированной Фэ (рис.13, в) определяется уравнением
,
где Хмэ – реактивное магнитное сопротивление экрана;
Rδэ – магнитное сопротивление воздушного рабочего зазора под экранированной частью полюса. Чем больше зазор, а следовательно, и Rδэ, тем меньше угол Y. В связи с этим К3 виток отказывает положительный эффект только при малых зазорах.

а) б)
|
г) д)
Рисунок 13. Принцип работы электромагнита переменного тока с короткозамкнутым витком.
|
|
|
В трехфазном эл.магните при отсутствии насыщения, силы тяги, развиваемые под каждым полюсом.

Результирующая сила, действующая на якорь, равна сумме этих сил

Таким образом, в трехфазном эл.магните результирующая сила во времени не меняется.
Однако вибрация якоря полностью не устраняется. При прохождении магнитного потока в каждой фазе через нуль сила, развиваемая этой фазой, также равна нулю. В результате точка приложения равнодействующей силы тяги всех трех фаз перемещается по телу якоря. Поскольку точка приложения противодействующей силы неизменна, то из-за этого возникает вибрация якоря.
Сравнение статических тяговых характеристик эл.магнитов постоянного и переменного тока.
Для эл.магнитов постоянного и переменного тока с одним рабочим зазором сила тяги может быть рассчитана по выражению:

Если площади S полюсов одинаковы и одинаковы max значения индукции в зазоре, то max значения силы тяги эл.магнита переменного и постоянного тока равны.
Поскольку среднее значение силы при переменном токе
, то средняя сила развиваемая эл.магнитом переменного тока в 2 раза меньше силы эл.магнита постоянного тока.
Сравним статические тяговые характеристики Р=f(δ) эл.магнитов клапанного типа.

Сила тяги изменяется обратно пропорционально квадрату зазора.
В связи с этим эл.магнит постоянного тока либо имеет малый рабочий ход якоря, для обеспечения большой силы тяги, либо обмотка должна иметь большую мдс для создания необходимого потока при большом воздушном зазоре.
Для эл.магнитов переменного тока характерна слабая зависимость силы от величины рабочего воздушного зазора. Это объясняется тем, что с изменением зазора меняется индуктивное сопротивление обмотки.
.
Ток в обмотке 
.
Итак, с ростом зазора растет его магнитное сопротивление, но и растет ток в обмотке, так что поток в зазоре падает только за счет активного падения напряжения в обмотке.
В связи с этим эл.магниты переменного тока могут работать при относительно больших ходах якоря.
|
|
|
К недостаткам эл.магнитов переменного тока относится то, что слабо возрастающая по ходу якоря тяговая характеристика во многих случаях ограничивает возможности согласования ее с нагрузочной характеристикой.






