ПАРАМЕТРАМИ (ДЛИННЫЕ ЛИНИИ)
РАЗДЕЛ 6. ЦЕПИ С РАСПРЕДЕЛЕННЫМИ
К таким цепям относятся цепи, в которых длинна линии соизмерима или меньше длинны электромагнитной волны: l @ l. Это охватывает область высоких, сверх-высоких частот.
В таких цепях невозможно выделить участок цепи который обладал бы только одним физическим свойством: R, L, C.
Такой цепью является двухпроводная линия передачи:
Эти цепи часто называют «длинными» линиями.
Характер изменения напряжения и токов в линии определяется 2-мя параметрами: U(x,t), I(x,t).
Диф. уравн. для таких цепей записывается в частных производных. Все процессы можно описать уравнениями теории поля, однако в инженерных расчетах можно воспользоваться законами Кирхгофа.
В этом случае используется следующее приближение. Вся линия разбивается на бесконечное число бесконечно малых по длине Dx отрезков линий, соединенных между собой каскадно. Тогда каждый отрезок можно рассматривать в виде цепи с сосредоточенными параметрами.
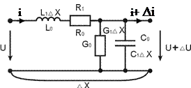
Схема замещения отрезка линии.
|
|
|
На основании физических рассуждений можно составить следующую схему отрезка.
При прохождении тока вокруг проводника образуется магнитное поле, которое можно моделировать индуктивностью L0. Она препятствует прохождению тока. Вместе с этим проводник обладает сопротивлением материала R0. Следовательно эти элементы должны быть соединены последовательно.
Проводники объединены конструктивно диэлектриком, который обладает конечной резистивной проводимостью G0.
Между проводниками линии создается разность потенциалов. Следовательно, вокруг проводников существует электрическое поле, накопление которого моделируется емкостью С0.
Элементы L0,C0,R0,G0 называются волновыми параметрами линии (отрезка линии). Однако каждый отрезок линии имеет конечную длину Dx, поэтому вводятся понятия погонных параметров:
L1=L0 /Dx, C1=C0 /Dx, G1=G0 /Dx, R1=R0 /Dx.
Различают два типа длинных линий:
1). Однородная – линия, у которой погонные параметры не меняются с изменением длины.
Пример: Два провода и диэлектрик сделаны из материалов, которые не меняет свои свойства по длине.
2). Неоднородная – линия, у которой погонные параметры меняются с изменением длинны. Например, расстояние между проводниками.
Если соединить эти бесконечно малые отрезки каскадно, то получиться сложная схема длинной линии.






