Ещё один метод расчета линейных электрических цепей называется методом наложения. В его основе лежит принцип наложения, который можно сформулировать следующим образом: ток в любой ветви равен алгебраической сумме токов, вызываемых каждой из Э.Д.С. схемы в отдельности.
![]() |
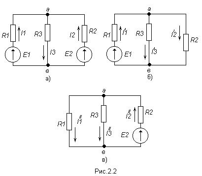
Рассмотрим применение данного метода на примере:
На исходной схеме (рис 2.2а) произвольно выбираем направления токов. Рассчитываем цепь от действия Э.Д.С. Е1, для чего мысленно закорачиваем (убираем) все остальные Э.Д.С., в нашем случае Э.Д.С. Е2 (рис 2.2б).
;
;
;
.
Рассчитываем цепь от действия Э.Д.С. Е2, для чего мысленно закорачиваем Э.Д.С. Е1 (рис 2.2в).
;
;
.
Действительные токи находим как алгебраическую сумму найденных частичных токов. Значения токов
и
берём со знаком минус, если они направлены в другую сторону, нежели ток на исходной схеме.
;
;
.







