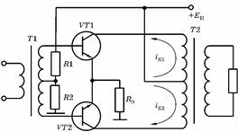
Во входной цепи включен трансформатор Tpl со средней точкой во вторичной обмотке. Это позволяет получить на базах транзисторов VT1 и VT2 два одинаковых по амплитуде и противоположных по фазе напряжения.


Когда на базы транзисторов будет подаваться положительное напряжение они будут находиться в открытом состоянии и через них будут протекать токи от плюса Ек, средняя точка Тр2, половина первичной обмотки Тр2, коллектор - эмиттерный переход транзистора, общий провод, минус Ек. Следовательно, в первичной обмотке Тр2 токи будут протекать от средней точки в разные стороны, за счет чего магнитные потоки в сердечнике и наводимые во вторичной обмотке магнитные поля, а значит, и ток в нагрузке будут вычитаться.
Ток в нагрузке будет иметь двойной размах по сравнению с каждым из токов транзистора, а следовательно, такая схема будет отдавать в нагрузку удвоенную мощность по сравнению с мощностью, рассеиваемой каждым из транзисторов.Эта схема используется для усиления больших мощностей.
|
|
|
Достоинства: малые нелинейные искажения, так как в сердечнике отсутствует постоянная составляющая магнитного потока и не происходит насыщение; схема не чувствительна к пульсациям напряжения питания.
Недостатки: все недостатки трансформаторных схем - узкий диапазон частот, повышенные габариты и вес трансформатора, большие частотные искажения.
Частично недостатки трансформаторных каскадов можно устранить, если на входе вместо трансформатора Tpl поставить фазоинверсный каскад (или каскад с разделенной нагрузкой), имеющий два выхода.







