Усилители постоянного тока (УПТ).
Усилителем постоянного тока называется устройство с гальванической связью между касадами, которое может усиливать не только переменную составляющую сигнала в некотором диапазоне частот, но и, самое главное, его постоянную составляющую. УПТ подразделяются на однокаскадные и многокаскадные.

Важной особенностью УПТ выступает то, что с выхода помимо переменной составляющей сигнала на вход следующего каскада поступает некоторая постоянная составляющая.
Операционным усилителем называется устройство, предназначенное для выполнения математических операций с аналоговыми сигналами, имеющее исключительно высокий коэффициент усиления, очень большое входное и малое выходное сопротивление и выполненное в микроэлектронном исполнении.
Операционный усилитель включает в свой состав один или несколько дифференциальных каскадов УПТ, генератор стабильного тока для питания этих каскадов и выходные эмиттерные повторители для увеличения входного и уменьшения выходного сопротивления.
|
|
|
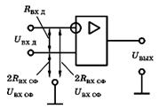
На принципиальных схемах, чаще всего, он обозначается следующим образом:


На рисунке обозначены три самых главных вывода ОУ - два входа и выход. Есть еще выводы питания. Два входа ОУ - инвертирующий и неинвертирующий названы так по присущим им свойствам. Если подать сигнал на инвертирующий вход, то на выходе мы получим инвертированный сигнал, сдвинутый по фазе на 180 градусов - зеркальный; если же подать сигнал на неинвертирующий вход, то на выходе мы получим фазово не измененный сигнал.