Простейшие цепи – это цепи с одним источником энергии и не очень сложной структурой, включающей либо последовательно, либо параллельно соединенные пассивные элементы.
Примерный порядок расчета.
1. Выбирают положительное направление токов ветвей и нумеруют все узлы схемы.
2. Начиная с самого удаленного от источника участка цепи, находят эквивалентные сопротивления участков с последовательным или параллельным соединением элементов. Процесс продолжают до тех пор, пока не получится одноконтурная схема.
3. В полученной схеме находят либо неизвестный ток Iвх, либо неизвестное напряжение Uвх в зависимости от источника схемы.
4. Двигаясь в обратной последовательности, рассчитывают неизвестные токи и напряжения, используя закон Ома и первый закон Кирхгофа.
5. Проверку правильности расчета режима цепи проводят по балансу мощностей или законам Кирхгофа.
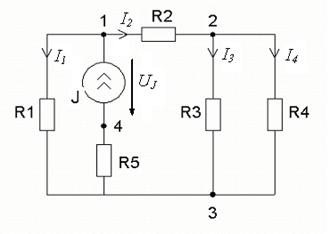
Пример: Дано:
,
или
. Найти:
.

Рис. 2.2.1
.

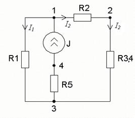
Рис. 2.2.2
.
Рис. 2.2.3
.

Рис. 2.2.4
.

Рис. 2.2.5
Неизвестное напряжение
находят по закону Ома:
.
Возвращаются к схеме рис. 2.2.4 и определяют неизвестные напряжения по закону Ома:
и
.
Переходят к схеме рис. 2.2.3 и вычисляют неизвестные токи:
,
.
По схеме рис. 2.2.2 определяют
, 
По схеме рис. 2.2.1 находим:
,
.
Проверка по балансу мощностей:
,
.






