Гидрозамком называется направляющий гидроаппарат, предназначенный для пропускания потока рабочей жидкости в одном направлении при отсутствии управляющего воздействия, а при наличии управляющего воздействия - в обоих направлениях.

Рис.7.23. Односторонний гидрозамок
а - подача рабочей жидкости к полости А; б - течение жидкости из полости А в полость Б;
в - подача рабочей жидкости в полость Б; г - течение жидкости из полости Б в полость А
при наличии управляющего воздействия; д - условное обозначение одностороннего гидрозамка

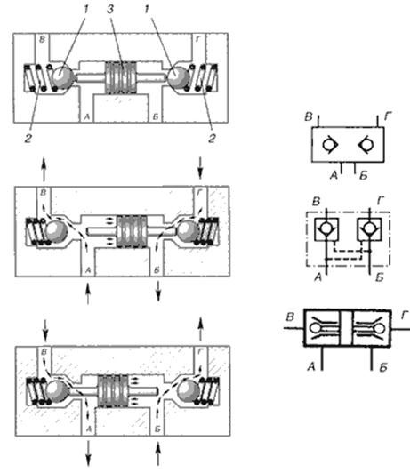
Рис.7.24. Двухсторонний гидрозамок:
а - нейтральное положение; б - положение толкателя при подводе
давления в канал А; в - положение толкателя при подводе давления в канал В;
г - условные обозначения

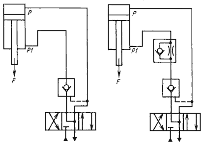
Рис.7.25. Схема установки одностороннего гидрозамка:
а - без дросселя с обратным клапаном; б - дросселем и обратным клапаном






