Принципиальная схема получения товарной нефти в НГДУ.
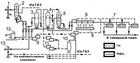
Система нефтегазосбора Бароняна иВезирова по сравнению с раздельной системой сбора нефти и газа обеспечила более высокую степень использования энергии пласта, централизацию сборат нефти и газа на одном промысловом сборном пункте, что дает возможность автоматизации технологического процесса, значительное уменьшение потерь нефти и газа благодаря герметизации системы и сокращение расхода металла и денежных средств (рисунок 2.2).

Рисунок 2.2 — Система сбора нефти и газа Бароняна – Везирова
1, 12, 13 — скважины; 2 — нефтегазовый сепаратор, Р=0.5 – 0.6 МПа; 3 — замерная установка; 4 — осушитель газа; 5 — сепаратор второй ступени, Р=0.1 МПа; 6 — отстойники; 7 — резервуары; 8 — очистка воды; 9, 11 — компрессор; 10 — сепаратор
К недостаткам данной системы сбора можно отнести:
сепарацию нефти от газа в одну ступень, т.к. при этом уменьшается объем отсепарированной нефти и ухудшаются ее товарные качества по сравнению с многоступенчатой сепарацией;
|
|
|
возможность запарафинивания труб при добыче парафинистой нефти.
Идея совместного сбора и транспорта продукции нефтяных скважин получила свое дальнейшее развитие в работах Грозненского нефтяного института, где была разработана высоконапорная однотрубная система сбора (рисунок 2.3). Ее отличительной особенностью является совместный транспорт продукции скважин на расстояние в несколько десятков километров за счет высоких (до 6 - 7МПа) устьевых давлений.

Рисунок 2.3 — Принципиальная схема высоконапорной одноторубной системы сбора
1 — скважины; 2 — нефтегазопровод; 3 — сепаратор первой ступени; 4 — сепаратор второй ступени; 5 — регелятор давления; 6 — резервуары
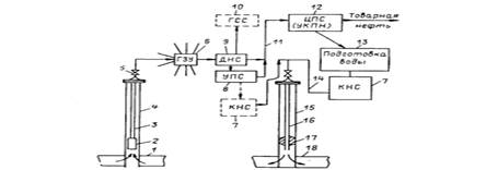
Технологическая модель современной системы сбора промысловой продукции, транспорта и подготовки нефти и воды состоит из девяти элементов, которые представлены на рисунке 2.7.Элемент 1. Участок от устья добывающих скважин до групповых замерных установок (ГЗУ), здесь продукция скважин в виде трехфазной смеси (нефть, газ, вода) по отдельным трубопроводам перекачивается до узла первичного замера и учета продукции.Элемент 2. Включает участок от ГЗУ до дожимных насосных станций (ДНС), где продукция скважин разделяется на жидкую и газовую фазы (первая ступень сепарации). На данном участке возможно образование достаточно высокодисперсной водогазонефтяной эмульсии, стойкость которой будет зависеть от физико-химических характеристик конкретной нефти и воды.
Элемент 3. ДНС — газосборная сеть (ГСС). В этом элементе нефтяной газ из булитов (емкостей), являющихся первой ступенью сепарации, отбирается в газосборную сеть под давлением узла сепарации.
|
|
|

Рисунок 2.7 — Схема сбора и подготовки продукции на промысле
1 — продуктивный пласт; 2 — насос; 3 — НКТ; 4 — обсадная колонна; 5 — устье добывающей скважины; 6 — ГЗУ; 7 — КНС; 8 — УПСВ; 9 — ДНС; 10 — газосборная сеть; 11 — нефтесборный коллектор; 12 — УКПН; 13 — узел подготовки воды; 14 — нагнетательный трубопровод; 15 — обсадная колонна нагнетательной скважины; 16 — НКТ; 17 — пакер; 18 — пласт
Элемент 4. ДНС — УКПН. Данный элемент включает участок от ДНС до установки комплексной подготовки нефти (УКПН). В некоторых нефтяных регионах такой узел называют «центральный пункт сбора продукции (ЦПС)».Элемент 5. ДНС — установка предварительного сброса воды (УПСВ). Часто данный элемент бывает совмещенным с одновременным отделением газа первой ступени сепарации; затем вода проходит доочистку до нужного качества.
Элемент 6. УПСВ – КНС. Отделившаяся вода необходимого качества и количества из емкостей УПСВ (отстойные аппараты) силовыми насосами подается на кустовую насосную станцию (КНС) для нагнетания в пласт.
Элемент 7. УКПН — установка подготовки воды. Этот элемент также является совмещенным, т.к. одна из ступеней используется для отделения и очистки водной фазы, а вторая – для разделения и разрушения эмульсии промежуточного слоя, которая накапливается в резервуарах товарного парка.
Элемент 8. Установка подготовки воды — КНС. Вся водная фаза (как сточная вода) с узла подготовки воды по отдельному трубопроводу транспортируется в этом элементе до кустовой насосной станции.
Элемент 9. КНС — нагнетательная скважина (пласт). На этом участке очищенная от мехпримесей и нефтепродуктов сточная вода силовыми насосами КНС закачивается в нагнетательную скважину и далее в пласт.