В цепях постоянного тока мощность можно измерить методом косвенной оценки - методом амперметра и вольтметра.
Амперметром измеряют силу тока I, вольтметром - напряжение U. Мощность, потребляемую нагрузкой R, вычисляют по формуле:

.
Рис. 74. Электрическая принципиальная схема включения амперметра и вольтметра для измерения мощности
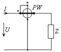
Мощность в цепи переменного тока измеряют приборами непосредственной оценки – ваттметрами с измерительным механизмом электродинамической системы. Схема включения ваттметра для измерения мощности в однофазной цепи показана на рис. 75.

Рис. 75. Электрическая принципиальная схема включения ваттметра для измерения мощности в однофазной цепи
На схеме обмотка тока условно показана линией большей толщины, а обмотка напряжения тонкой линией. Если ошибочно при подключении перепутать начало и конец любой из обмоток, то показания прибора будут неверными. Для исключения этого начала обмоток тока и напряжения на приборе обозначены значком «*». Эти зажимы называют генераторными зажимами, их всегда подключают со стороны источника энергии.
|
|
|
В электрических цепях, в которых сила тока превышает диапазон измерения прибора, обмотку тока подключают через измерительный трансформатор тока (рис. 76).

Рис. 76. Электрическая принципиальная схема включения ваттметра через измерительный трансформатор тока
Имеются особенности измерения мощности в трехфазной электрической цепи.
В четырехпроводной цепи применяют схему включения трех ваттметров (рис. 77). Каждый из ваттметров измеряет мощность, определяемую соотношением
, что соответствует мощности потребляемой одной фазой трехфазной нагрузки. Алгебраическая сумма показаний трех ваттметров равна мощности всей трехфазной нагрузки Z:

.
Рис. 77. Электрическая принципиальная схема включения трех ваттметров в трехфазной четырехпроводной цепи.
В трехпроводных цепях используют схему включения двух ваттметров (рис. 78). Активная мощность всей трехфазной нагрузки определяется алгебраической суммой показаний двух ваттметров:
.
Показания одного ваттметра, например PW 1, определяются соотношением:
,
здесь a - угол между фазным напряжением UAB и линейным током IA.

Рис. 78. Электрическая принципиальная схема включения двух ваттметров в трехфазной трехпроводной цепи.
Анализ приведенного выражения не позволяет определить его физический смысл, то есть можно сказать, что показание одного ваттметра физического смысла не имеют.
Можно показать, что алгебраическая разность показаний двух ваттметров равна реактивной мощности трехфазной нагрузки:
|
|
|
.
В производстве для измерения мощности используют двух- или трехэлементные ваттметры, в которых все измерительные механизмы взаимодействуют с одной подвижной частью.
Для измерения активной энергии используют счетчики активной энергии индукционной системы.






