Операционными усилителями (ОУ) представляет собой усилитель постоянного тока с высоким коэффициентом усиления, дифференциальным входом и малым значением напряжения смещения нуля и входного тока.. Кроме того, к ОУ предъявляются в большинстве случаев требование согласования входных и выходных напряжений по постоянной составляющей, что необходимо в тех случаях, когда ОУ охватывается обратной связью, пропускающий на вход постоянную составляющую выходного сигнала.
Термин "операционный усилитель" возник в аналоговой вычислительной техники, где подобные усилители с соответствующими обратными связями, применялись для модулирования различных математических операций (интегрирование, суммирование и т.д.).
По принципу действия ОУ сходен с обычным усилителем. Как и обычный усилитель, он предназначен для усиления напряжения или мощности входного сигнала. Однако, тогда как свойства и параметры обычного усилителя полностью определены его схемой, свойства и параметры ОУ определяются преимущественно параметрами обратной связи. ОУ выполняют по схеме усилителей постоянного тока с нулевыми значениями входного напряжения смещения нуля и выходного напряжения. Они характеризуются также большим коэффициентом
|
|
|
усиления, высоким входным и низким выходным сопротивлением.
В настоящее время ОУ выполняются, как правило, в виде монолитных интегральных микросхем и по своим размерам и цене практически не отличаются от отдельно взятого транзистора. Благодаря практически идеальным характеристикам операционных усилителей реализация схем на их основе оказывается значительно проще, чем на отдельных транзисторах.

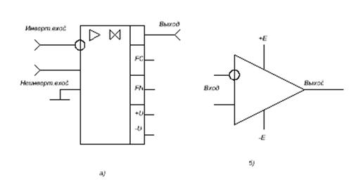
а) обозначение по ГОСТ;
б) обозначение в технической литературе
Рисунок 1.63 - Условное обозначение операционного усилителя
Операционный усилитель (условное обозначение которого показано на рисунке 1.63) имеет один или два входа. ОУ, имеющий два симметричных входа, выходной сигнал которого является функцией разности входного напряжения или тока,
называется дифференциальным., полусуммы входных напряжений называется синфазным входным напряжением. Один из входов (обозначается " о ") называется инвертирующим и характеризуется изменением фазы выходного сигнала на 180°. Второй вход ОУ называется неинвертирующим. Входной и выходной сигналы синфазны. Выводы +U, -U,┴ предназначены для подключения ОУ к двухполярному источнику электропитания. напряжения при отсутствии постоянного сигнала на входе. Выводы FC предназначены для коррекции частотной характеристики ОУ. Для компенсации смещения к выводам NC подключаются переменные резисторы.
|
|
|
Структурная электрическая схема приведена на рисунке 1.64.
Рисунок 1.64 - Структурная схема операционного усилителя (а) и его
передаточная характеристика (б)
Схема структурная ОУ определяется входным каскадом, построенным по схеме дифференциального каскада с эмиттерной связью и резисторами нагрузки. Поскольку входное сопротивление дифференциального каскада обратно пропорционально уровню рабочего тока Iоду, то этот ток выбирается на уровне десятков микроампер [ напомним, что при уменьшении уровня тока Iоду улучшаются дрейфовые и шумовые параметры дифференциального усилителя (ДУ) ]. Из-за малого уровня тока Iоду простой ДУ обладает малым коэффициентом усиления. Малое значение коэффициента усиления вынуждает использовать с схеме последующий каскад усиления напряжения (УН), а повышение постоянного уровня - влечёт за собой применение специального каскада для сдвига потенциалов из положительной области в отрицательную, чтобы затем получить двухполярный выходной сигнал. Схемы сдвига уровня, интегрирующее звено и формирователь выходного сигнала обычно совмещается в каскаде - усилитель амплитуды сигнала (УАС). Для перехода к низкоомной нагрузке практически все ОУ заканчиваются повторителями напряжения
(ПН),которые почти не участвуют в формировании коэффициента усиления, но
определяют нагрузочную способность ОУ. Каскады УН и УАС различаются тем, что первый работает в режиме малых сигналов, а второй - в режиме большого
сигнала. Условно можно сказать, что амплитуда сигнала в первом каскаде много меньше, чем во втором - соизмерима с уровнем питающих напряжений.+U и -U. Полный коэффициент передачи ОУ:
K∑=K1·K2·K3·К4 = S1 / w·Cк, (1.59)
где S1- крутизна первого дифференциального каскада;
w - частота переменного гармонического входного сигнала;
Ск - ёмкость коррекции.
Формула показывает, что с ростом частоты w коэффициент усиления ОУ понижается. Крутизна S1 дифференциального каскада и ёмкость коррекции Ск влияют на скорость снижения коэффициента усиления ОУ. В то же время этой формулой нельзя пользоваться, если частота w—>0, так как в этом случае К →∞. Иначе говоря, эта формула отражает на постоянном токе свойства идеального ОУ. Поэтому в реальном усилителе рост коэффициента усиления будет продолжаться до тех пор, пока он не станет равным значению K(w=0) на постоянном напряжении. График зависимости коэффициента усиления ОУ от частоты входного сигнала приведена на рисунке 1.65,а. Этот график построен в логарифмическом масштабе по формуле
K = 201g(S1/w·Cк) [дБ], (1.60)
где К [дБ]- коэффициент усиления в децибелах.
Пользуясь частотной зависимостью коэффициента усиления, можно определить предельную частоту ОУ, на которой коэффициент усиления становится равным единице (или К(wпр) = 0дБ):
Wnp = S1 / CK. (1.61)

Рисунок 1.65 – Графики частотной зависимости коэффициента усиления
ОУ (а) и максимальной амплитуды выходного сигнала (б)
Динамические свойства ОУ часто описывают при помощи скорости нарастания выходного напряжения VUвых. Следует отметить, что для определения скорости нарастания на вход ОУ необходимо подавать столь большое входное напряжение, чтобы дифференциальный каскад полностью переключался из одного состояния в другое. Ёмкость Ск должна быть настолько большой, чтобы усилитель имел устойчивый запас по фазе на частоте wnp (т.е. дополнительный набег фазы не превышает 90°). Это позволяет использовать ОУ с замкнутой обратной связью без опасности его самовозбуждения. Уменьшение ёмкости Ск приводит к увеличению усиления и максимальной скорости нарастания, однако это можно сделать только в том случае, если коррекция выполняется внешним элементом.
Применение ОУ. Неинвертирующий и инвертирующий усилитель.
|
|
|
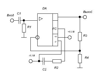
На рисунке 1.66 приведена схема неинвертирующего усилителя (не меняющего полярность усиливаемых сигналов), где сигнал подается на неинвертирующий вход ОУ через разделительную цепочку С1R1. Цепочка С2R2 служит для коррекции частотной характеристики устройства на высоких частотах и устраняет возможности самовозбуждения ОУ.

Рисунок 1.66 – Схема принципиальная неинвертирующего усилителя выполненного на
ОУ
Для стабилизации коэффициента усиления устройства, улучшения его характеристик, уменьшения коэффициента гармоник и т.д. с выхода ОУ на его инвертирующий вход подана последовательная обратная связь по напряжению. Глубина обратной связи определяется коэффициентом деления делителя R3 / R4. Коэффициент усиления такого устройства практически равен
Кuнеин. = 1 + R3 / R4. (1. 62)
И его можно изменять изменением сопротивления резистора R3.

Рисунок 1.67 - Схема принципиальная инвертирующего усилителя выполненного на ОУ
На рисунке 1.67 приведена схема инвертирующего усилителя (меняющего полярность усиливаемых сигналов), где сигнал подается на инвертирующий вход ОУ через разделительную цепочку С1R1. Цепочка С2 служит для коррекции частотной характеристики устройства на высоких частотах и устраняет возможности самовозбуждения ОУ. Для стабилизации коэффициента усиления устройства, улучшения его характеристик, уменьшения коэффициента гармоник и т.д. с выхода ОУ на его инвертирующий вход подана параллельная обратная связь по напряжению. Глубина обратной связи определяется коэффициентом деления делителя
R2 / R1. Коэффициент усиления такого устройства практически равен
Кu ин. = - R2 / R1. (1. 63)
И его можно изменять изменением сопротивления резистора R2.