Параметры, определяемые из передаточной характеристики.
1. Динамический диапазон по выходу, соответствующий максимальному размаху выходного сигнала Uвых м = U+ -U-при напряжении питания ±Е. Типичное отношение Uвых м / Е= 0,7…0,8 при Е= ±(5+15) В. Здесь и далее будут приводиться типичные параметры наиболее распространенных ОУ широкого применения.
2. Дифференциальный коэффициент усиления К Д, характеризующий наклон на линейном участке, КД = ∆UВЫХ /∆Uвх. Типичный КД≈≈ 105…104.
3. Напряжение смещения нуля UсмQхарактеризует асимметрию входного дифференциального каскада. Типичное Uсм0 ≈ 10-4…10-3 В. Смещение нуля ОУ наглядно проявляется в схеме разомкнутого ОУ с нулевым входным сигналом. Если Uсм0> 1 мВ, то расчетное значение Uвых = ±КД Ucm0 > ±100 В, а это значит, что ОУ «свалится» в насыщение.
147
Входные характеристики ОУ.
Входной дифференциальный каскад определяет входные характеристики ОУ, к которым относятся следующие:
1 Средний входной ток операционного усилителя Iср =0,5(I+вх + I- вх). Типичная величина Iср ≈ 10 -6…10-8 А.
|
|
|
2 Разность входных токов Iвх = I+вх + I- вх характеризует асимметрию ОУ по входу, а следовательно его качество и уровень технологии. Типичная величина
Iвх = (0,2…0,5) Iср.
3 Входное сопротивление гвх дифференциальному сигналу источника Ucс конечным выходным сопротивлением Rс . Для биполярных ОУ гвх ≈ 104…106 Ом, для униполярных ОУ гвх > 107…108 Ом.
4 Входное сопротивление синфазному сигналу гс (рисунок 1.69). Для биполярных ОУ rс > 107…108 Ом, для униполярных ОУ гс >109 Ом. Независимо от технологии гс > гвх.

Рисунок 1.69 - Входные и выходные цепи ОУ
Выходное сопротивление усилителя гвых0 (в схеме рисунок 1.69) определяется структурой выходных каскадов и в исходном (разомкнутом) состоянии типичное значение гвых0 ≈ 104 …103 Ом.
Усиление синфазной составляющей в сигнале также определяется асимметрией ОУ по входу.
Коэффициент передачи синфазного сигнала Кс = ∆UВЫХ/ЕС (в схеме рисунок 1.69) имеет конечное и отличное от нуля значение. В технических условиях на ОУ обычно приводится не величина Кс, а коэффициент ослабления синфазного сигнала в логарифмической форме
КОСС = 20 1g(Кд /Кс ). (1.64)
Типичное значение КОСС = 70…100 дБ. Этот параметр характеризует способность ОУ подавлять синфазные помехи.
Многие из перечисленных параметров ОУ (входные токи, сопротивления, коэффициент передачи по постоянному току, напряжения смещения нуля и т. д.) в сильной степени зависят от температуры, напряжения питания и других дестабилизирующих факторов.
Зависимость параметров ОУ от температуры.
1. Величина КД.в температурном диапазоне ∆T может изменяться в 3-5 раз. Например, если в ТУ указано, что КД > 105, то реально КДможет изменяться в диапазоне (1…5) • 105.
|
|
|
2. Изменение величины Uсм0 в температурном диапазоне аппроксимируется линейной зависимостью
UMС (T) = Uсмо + ТК(Uсм0) • ∆T, (1.65)
где ТК(Uсм0) = ∆Uсм0/∆Т — температурный коэффициент напряжения Uсм0. Типичная величина ТК(Uсм0) = (0,5…20) мкВ/°С. Например, если ∆T = 50 °С, то при ТК(Uсм0) = 20 мкВ/°С дополнительное изменение ∆Uсм0 = 1 мВ.
3. Аналогичную температурную зависимость имеет ∆Iвх. Типичное значение ТК(∆IВХ) = (10…100) нА/°С.
Зависимость параметров ОУ от напряжения питания.
Изменение напряжения питания Енаиболее значительно влияет на Uсм0.Это влияние в инженерных расчетах аппроксимируется линейной зависимостью
Ucm0(E) = Uсм0 + КВИП • Е. (1.66)
где КВИП = ∆UСм0/∆Е — коэффициент влияния источников питания на Ucm0. Типичные величины КВИП ≈ (50…150) мкВ/В. Например, если Е = ±(15 В ± 10%) и КВИП = 100 мкВ/В, то Uсм0(Е) = 1,5 • 100 • 10-6 = ±0,15 мВ. Величина КВИП в сильной степени уменьшается с частотой, что вызывает необходимость дополнительной фильтрации импульсных помех по цепям питания. Обычно это достигается установкой керамических конденсаторов на шины питания в непосредственной близости от микросхем ОУ.
Средний временной дрейф UСм0.
Этот параметр характеризует долговременную стабильность, нормируется только для прецизионных ОУ и составляет единицы мкВ/месяц.
Из обобщения рассмотренных параметров ОУ может быть составлена его эквивалентная схема, которая отражает основные статические параметры ОУ и систему его ошибок. Эквивалентная схема включает выходной идеальный усилитель К2 с усилением на постоянном токе КД= К0и выходным сопротивлением гвых0, входные цепи с сопротивлениями гд = гвх, гс и источниками входных токов Iвх, цепи формирования ошибок с Uсм0, источником КВИП и цепь передачи синфазного сигнала на идеальном усилителе К1.
Таким образом, на входе выходного каскада К2 присутствует и усиливается сигнал
Uс1 = UC + Uсм0 + (КВИП • ∆ Е) + ∆Iвх гс + Eс КC,, (1.67)
где только Uc— полезный сигнал, а все остальные термы выражения отражают погрешности ОУ, Rc - выходное сопротивление источника сигнала (по умолчанию Rс< гд = гвх· r с).
Предельные эксплуатационные режимы.
ОУ характеризуется также системой предельных эксплуатационных режимов,
в которых гарантируется соответствие ОУ параметрам, записанным в ТУ.
1. Рабочий температурный диапазон окружающей среды Токр.
По температурному диапазону различают три основные категории операционных усилителей с индексами С, I, М (США):
С — коммерческая аппаратура, Токр = (-10… +55) °С.
I — промышленная аппаратура, Токр =(-40… +85) °С.
М — военная аппаратура, Токр = (-55… +125) °С.
Примерно такие же температурные диапазоны существуют и в России.
2. Температурный диапазон хранения Тхр. Обычно Тхр>Токр
(Тхр макс<150°С). '
3. Предельно допустимые входные напряжения: дифференциальное Uдмакс и синфазное Ес макс. Обычно эти величины не превышают напряжения питания ОУ.
4. Максимальной ток нагрузки Iн макс. Типичные величины Iн макс =10…20 мA.
5. Максимально допустимая температура кристалла ( Ткр max < 150 °С для кремния).
6. Тепловое сопротивление «кристалл — корпус» Rθ1, позволяющее оценить температуру кристалла при потребляемой
мощности Р.
Ткр = ТокР + (Rθ1 + Rθ2) Р, (1.68)
где Rθ2— тепловое сопротивление «корпус — среда».
7. Допустимые механические нагрузки (вибрация, удары,
ускорения, акустический шум и др.).
Динамические свойства ОУ.
Все параметры ОУ в той или иной степени зависят от частоты входного сигнала. Различают два режима работы ОУ:
1. Режим малого сигнала, когда все каскады операционного усилителя работают в линейной области.
2. Режим большого сигнала, когда некоторые каскады уходят в насыщение и работают на пределе своих возможностей. Этому режиму соответствует, например, работа ОУ в режиме компаратора, когда весь ток источника I0 переключается в одно из плеч дифкаскада и заряжает емкость нагрузки Сн. При этом скорость нарастания напряжения на емкости будет ограничиваться величиной |dC/dt| < I0 /Сн.
|
|
|
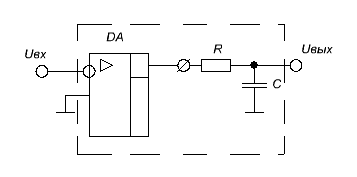
В простейшем случае ОУ в линейной области моделируется в виде звена первого порядка (рисунок 1.70), т. е. представляется в виде последовательности: идеальный (безынерционный) ОУ и.RC-цепочка, где R характеризует выходное сопротивление ОУ, а С — паразитные емкости внутри операционного усилителя.
Эта схема соответствует фильтру низких частот (ФНЧ) с передаточной функцией
W = К [ 1 /(1 + pτ)] (1.69)
где τ = RC, р = jw. Представляя передаточную функцию в комплексном виде и разделяя действительную а1и мнимую а2части, можно найти амплитудно-частотную (АЧХ) и фазо-частотную (ФЧХ) характеристики звена:
|W| = √ а21 +а22 = К / √ 1 +[w/wср]2, (1.70)
φ = arctg a2 /a1 = - arctg (w/wср)2, (1.71)
где w ср = 1/τ — частота среза, на которой модуль коэффициента передачи уменьшается в √ 2 раз (на 3 дБ), а фаза достигает -45°. За частотой среза АЧХ убывает с наклоном -20 дБ/дек, а фаза достигает -90°. На этой же диаграмме отмечена fТ — частота единичного усиления. Она характеризует предельные частотные возможности по усилению ОУ. Типичная величина fт = 1…100 МГц.

Рисунок 1.70 - Динамическая модель ОУ в области малого сигнала
В области большого сигнала используется понятие крутизны р = |dU/dt|макс,характеризующей максимальную скорость изменения выходного сигнала при подаче на вход ОУ ступенчатого сигнала Uc. Крутизна определяется на линейном участке переходной характеристики, как р = ∆UBbIX /∆t. Типичная величина
р ≈ 1…50 В/мкс.
Между областями большого и малого сигналов существует простая связь. Пусть на входе и выходе ОУ сигнал гармонический: Uвых = U0 • sin wt. Тогда максимальная крутизна сигнала (dUвых /dt ) = U0 w она не может превысить крутизну усилителя, т. е.
U0 w < р, (1.72)
Так как w = 2π • f, то неравенство (1.72) может быть записано в виде
U0 2π f < p. (1.73)
|
|
|
Неравенства (1.72) и (1.73) позволяют установить связь между амплитудой неискаженной передачи сигнала на данной частоте и крутизной ОУ, а также определить так называемую мощностную полосу fр пропускания ОУ, в которой реализуется полный динамический диапазон ОУ по выходу.
Вторым параметром, характеризующим быстродействие ОУ в режиме большого сигнала, является время установления выходного сигнала.
Время установления (tуст) выходного сигнала — максимальное время, за которое выходной сигнал входит в так называемую «трубку» допустимых отклонений ∆доп от установившегося значения Uуст. Время установления зависит от ∆доп и характера переходного процесса. Для экспоненциального переходного процесса
Uвых = Uуст • (1 – e-t/τ), (1.74)
tyст = τ • ln (1/δ), (1.75)
где τ — постоянная времени, δ — относительная погрешность установления выходного сигнала. Для δ = 0,1% типичное значение tyCT≈ 0,1…0,5 мкс. Этот параметр особенно важен для техники ЦАП/АЦП.
Время установления (крутизна ОУ) в общем случае обратно пропорционально частоте единичного усиления fт. В инженерной практике полезно также пользоваться приближенным соотношением для оценки времени установления по уровню 0,9 • Uвых,уст:
tycT < 0,3/fТ.(1.76)