Емкостные датчики используются для определения перемещения, ускорения, наклона, расхода, влажности и многих других параметров, например:
- датчики приближения для распознавания металлических и неметаллических объектов;
- датчики уровня (жидкость, сыпучие материалы, гранулы и т.п.); - датчики-переключатели для автоматических дверей поездов и лифтов и др.
Сигнализация заполнения емкостей из пластика или стекла;
контроль уровня заполнения прозрачных упаковок;

Сигнализация обрыва ленты, обмоточного провода и тд.
Поштучный счет любого вида продукции и др.
Двухтрубный газонаполненный амортизатор типа CDC (амортизатор с гидравлическим демпфированием) оснащен встроенным в поршень или установленным снаружи амортизатора электромагнитным клапаном, который позволяет изменять степень демпфирования амортизатора. Изменением тока, проходящего по обмотке электромагнитного клапана, можно в течение нескольких миллисекунд изменить его проходное сечение и, следовательно, сопротивление амортизатора в соответствие с текущей потребностью.
|
|
|
Рис. Амортизатор с регулируемым сопротивлением перетекания жидкости:
1 – дополнительные клапана; 2 – цилиндр амортизатора; 3 – корпус амортизатора; 4 – корпус клапана; 5 – кабель подвода тока; 6 – полый шток поршня; 7 – обмотка электромагнитного клапана; 8 – якорь; 9 – пружина клапана; 10 – главный клапан амортизатора; 11 – потоки рабочей жидкости
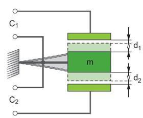
Принцип действия датчика ускорения:







