для увеличения разрядности входного кода (рис. 3).

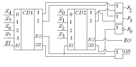
Рис. 3 Указатель старшей единицы (8 – 3)
на двух приоритетных шифраторах (4 – 2)
Указатель старшей единицы (8 – 3) состоит из старшего шифратора CD 1 (4 – 2), младшего шифратора CD 2 (4 – 2) и комбинационных элементов (рис.3).
В исходном состоянии, когда нет входных информационных сигналов Х 0… Х 7, а разрешение работы CD 1 имеется ( EI = 1 ), сигнал EO = 1 на выходе CD 1 разрешает работу CD 2.
Указатель старшей единицы находится в режиме ожидания и может считывать входную информацию (GS = 0; EO =1), код на его выходах: F 2 F 1 F 0 = 000.
Если подать информационный сигнал Х 0… Х 3 на младший шифратор CD 2, то он преобразуется в код младших разрядов F 1 F 0. Старший разряд F 2 = 0 равен инверсии значения кода на выходе EO = 1 шифратора CD 1, который в преобразовании не участвует из-за отсутствия входных информационных сигналов. Служебные выходы шифратора CD 2: GS = 1, EO = 0.
Указатель старшей единицы находится в режиме преобразования входной информации (GS =1; EO = 0), код на его выходах: F 2 F 1 F 0 = 0 ХХ (где Х значение 0 или 1).
|
|
|
После подачи любого из сигналов Х 4… Х 7 в старший шифратор CD 1, его выходы соответствуют режиму преобразования (GS = 1, EO = 0), код на информационных выходах: F 1 F 0 = ХХ.
Старший разряд F 2 = 1 соответствует инверсии состояния выхода EO, т.к. EO = 0, то работа младшего шифратора CD 2 данным сигналом блокируется. Изменение кодов F 1 F 0 при случайном нажатии клавиш Х 0… Х 3 исключается. Для шифратора CD 2: GS = 0, EO = 0; F 1 F 0 = 00.
Указатель старшей единицы находится в режиме преобразования входной информации (GS =1; EO = 0), код на выходах: F 2 F 1 F 0 = 1 ХХ (где Х значение 0 или 1).
Если EI = 0, то указатель старшей единицы в режиме запрета работы (GS =0; EO = 0), код на его выходах: F 2 F 1 F 0 = 000.
Для пояснения работы указателя старшей единицы (8 – 3) составлена таблица истинности (таблица 3). В разделе № CD указан номер активного шифратора, который формирует выходной информационный сигнал.
| Таблица истинности указателя старшей единицы (8 – 3) Таблица 3 | |||||||||||||||
| № | Служебные | № CD | Информационные | ||||||||||||
| вход | выходы | Входы | Выходы | ||||||||||||
| EI | GS | EO | X 7 | X 6 | X 5 | X 4 | X 3 | X 2 | X 1 | X 0 | F 2 | F 1 | F 0 | ||
| – | – | – | – | – | – | – | – | – | |||||||
| 1 и 2 | |||||||||||||||
| Х | |||||||||||||||
| Х | Х | ||||||||||||||
| Х | Х | Х | |||||||||||||
| Х | Х | Х | Х | ||||||||||||
| Х | Х | Х | Х | Х | |||||||||||
| Х | Х | Х | Х | Х | Х | ||||||||||
| Х | Х | Х | Х | Х | Х | Х |
|
|
|






