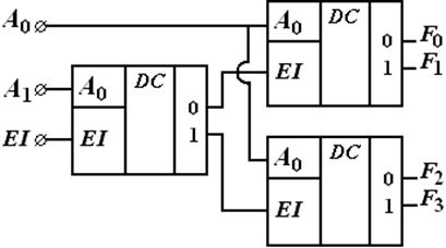
Для расширения возможностей применения дешифраторов возможно увеличение их разрядности за счет объединения нескольких микросхем (рис. 3.4). Работа дешифратора CD (3-8) основывается на уравнении (3.1) и поясняется таблицей истинности (3.3).

Рис. 3.4 Увеличение разрядности дешифратора

Таблица 3.3 Расширение разрядности DC (2-4) до DC (3-8)
| № | Входы | Выходы | ||||||||||||
| Сл-е | Информационные | Информационные | ||||||||||||
| / EI 2 | A 1 | A 0 | EI 1 | EI 3 | ||||||||||
| DC 1 | DC 2 | |||||||||||||
| X | X | X | X | |||||||||||
| X | Х | Х | ||||||||||||
Примечание: значком «/» обозначается инверсия.Значения EI 1 приведены с учетом инверсии.
|
|
|
Старший разряд A 3 используется для управления работой дешифраторов с помощью служебных входов EI 1 и EI 3.
Старшие разряды двоичного числа могут быть поданы на дешифратор, который преобразует их в сигналы разрешения EI для других дешифраторов, которые преобразуют младшие разряды. Это позволяет увеличить разрядность дешифратора (рис. 3.5).

Рис. Увеличение разрядности дешифратора






