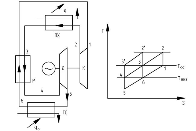
На рис. 15 показаны схема и цикл регенеративной газовой холодильной машины.

Рис. 15. Схема и цикл регенеративной газовой холодильной машины
В отличие от нерегенеративного цикла, в регенеративном воздух после сжатия в компрессоре (процесс
) и охлаждения в промежуточном холодильнике (процесс
) направляется не в детандер, а в специальный теплообменник – регенератор Р, где охлаждается до температуры
за счет идущего ему в противоток холодного воздуха, который при этом нагревается до температуры
. Из регенератора воздух с температурой
поступает в детандер, расширяется (процесс
), в результате чего удается получить низкую температуру
без увеличения степени расширения и сжатия.
Сопоставим циклы с регенерацией и без регенерации при одинаковой холодопроизводительности
и одинаковых температурах внешних источников, обозначив процессы в регенеративном цикле надстрочечной буквой Р.
Отведённая теплота:
.
Работа компрессора:
.
Работа детандера:
.
Работа цикла:
.
Холодильный коэффициент:
.
Холодильный коэффициент теоретического регенеративного цикла численно равен холодильному коэффициенту нерегенеративного цикла.
В реальном цикле если учесть влияние потерь в детандере и компрессоре, то машина, работающая по регенеративному циклу, оказывается более совершенной, так как степени сжатия и расширения в этом цикле меньше, чем в нерегенеративном и, следовательно, потери при расширении и сжатии будут меньше.
.
Или при одинаковых степенях повышения давления при регенерации можно получить более низкие температуры.
На действительный цикл работы машины и её характеристики существенно влияют потери, которые возникают в отдельных её элементах – детандере, компрессоре и теплообменной аппаратуре. Процессы сжатия и расширения в компрессоре и детандере отличаются от изоэнтропных.
В промежуточном холодильнике рабочее тело не охлаждается до температуры окружающей среды. В приборах охлаждения рабочее тело не нагревается до температуры холодного источника.
Покажем влияние необратимых потерь на холодильный коэффициент на численном примере.
При температуре окружающей среды 20 °С и температуре в конце процесса расширения в детандере
°C холодильный коэффициент теоретического цикла
.
В действительном цикле при КПД компрессора
; КПД детандера
и недорекуперации в теплообменных аппаратах
°C действительный холодильный коэффициент равен всего
. Значит 87 % потребляемой энергии расходуется на преодоление потерь. Сравнивая действительные холодильные коэффициенты различных типов холодильных машин становится очевидно, что при температурах ниже –
°C газовые холодильные машины становятся энергетически более совершенными, чем паровые холодильные машины. Именно в этой низкотемпературной области газовые холодильные машины находят всё большее применение.






