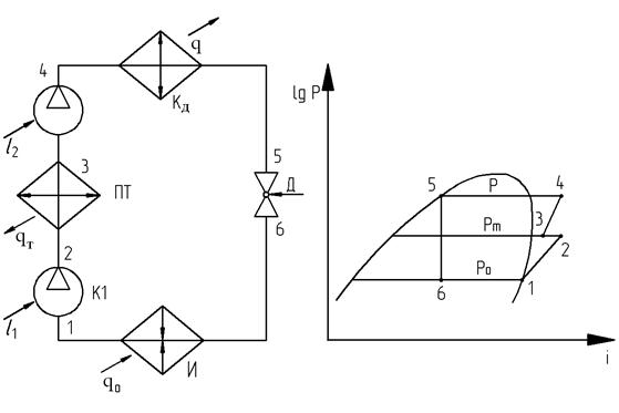
Выбор промежуточного давления рассматривается на примере двухступенчатой холодильной машины с однократным дросселированием, показанной на рис. 12.

Рис.12. Схема и цикл двухступенчатой холодильной машины
с однократным дросселированием
Рабочее тело с давлением
сжимается в первой ступени компрессора (процесс
) до давления
, охлаждается в промежуточном теплообменнике (процесс
), сжимается во второй ступени (процесс
) до давления Р, охлаждается и конденсируется в конденсаторе (процесс
), дросселируется с давлением Р до давления
в испаритель и кипит в испарителе (процесс
), осуществляя охлаждение.
Предположим, что в компрессорах первой и второй ступенях сжатия происходят изотропные процессы при
.
Работа цикла при двухступенчатом сжатии будет равна сумме работ ступеней:
.
Промежуточное давление для двухступенчатой схемы должно соответствовать наименьшей суммарной работе цикла:
.
Для идеального рабочего тела:
.
Тогда
.
Работа цикла при заданных начальных и конечных состояниях является функцией промежуточного давления
:
|
|
|
.
Найдём промежуточное давление
при минимальном значении работы цикла, для этого приравняем производную
к нулю:
;
;
;
;
или
,
то есть отношения давлений по ступеням должно быть одинаковым.
Отклонение от наиболее выгодного промежуточного давления
мало влияет на работу цикла. Результаты испытаний компрессоров показали, что потери давления в низких ступенях больше, чем в ступенях высокого давления. Отсюда следует, что отношение давлений в низкой ступени должно быть несколько выше.
Для циклов холодильных машин с компрессорами многоступенчатого сжатия промежуточное давление подбирается по равенству отношений давлений по ступеням.
8.2. Цикл двухступенчатой холодильной машины
с неполным промежуточным охлаждением
Схема такой машины состоит: из ступени низкого давления К1, ступени высокого давления К2, конденсатора Kд, первого дроссельного вентиля Д1, второго дроссельного вентиля Д2 и испарителя И.
На рис.13. представлена схема и цикл двухступенчатой холодильной машины с неполным промежуточным охлаждением.
Пар, образовавшийся в испарителе, сжимается в ступени низкого давления (процесс
), а затем смешивается с насыщенным паром, идущем из промежуточного сосуда (состояние
); образовавшаяся смесь (состояние 3) поступает в ступень высокого давления, где сжимается (процесс
). Из ступени высокого давления пар (состояние 4), направляется в конденсатор, где охлаждается и конденсируется (процесс
); жидкость из конденсатора (состояние 5) дросселируется в первом дроссельном вентиле (процесс
) и в состоянии влажного пара (6) поступает в промежуточный сосуд. В промежуточном сосуде происходит разделение влажного пара на жидкость состояние (7) и сухой насыщенный пар (
). Жидкость из промежуточного сосуда дросселируется во втором дроссельном вентиле (процесс
), а затем в состоянии 8 направляется в испаритель, где кипит (процесс
), вырабатывая холод.
|
|
|

Рис.13. Схема и цикл двухступенчатой холодильной машины с неполным промежуточным охлаждением
В данной схеме пар к ступени высокого давления поступает перегретым, а не насыщенным (состояние 3), и холодильная машина работает с неполным промежуточным охлаждением.
Расчёт машины производится на 1 кг рабочего тела, проходящего через испаритель.
Для расчёта задаются полной холодопроизводительностью
и источниками внешних температур, по которым определяют температуру кипения рабочего тела
и температуру конденсации t. По температурам и термодинамическим таблицам насыщенных паров и диаграммам определяют давление кипения
и конденсации P.
Рассчитывается промежуточное давление:
.
Наносят все узловые точки на диаграмму, кроме точки 3, по температурам кипения, конденсации и промежуточному давлению.
Количество рабочего тела, проходящего через испаритель:
или
.
Количество рабочего тела, проходящего через конденсатор, определяют из массового баланса промежуточного сосуда:
,
где
и
– количество жидкости и количество насыщенного пара соответственно, образовавшиеся после первого дросселирования.
Степень сухости пара в точке 6:
.
Количество жидкости, идущей в испаритель:
, тогда
.
Точку 3 – состояние рабочего тела перед второй ступенью можно найти из уравнения смешения потоков пара, идущих из промежуточного сосуда и первой ступени компрессора:
,
т. к.
,
то
.
По найденным величинам
и
определяют действительные объёмы пара, поступающие в первую и вторую ступени:
;
.
При правильном технико-экономически обоснованном выборе температур и промежуточного давления отношение объёмов:
.
Теоретические мощности ступеней:
;
,
значения энтальпий находятся из термодинамической диаграммы состояний.
Холодильный коэффициент теоретического цикла двухступенчатой машины:
.






