Любой источник энергии можно представить в виде источника ЭДС или источника тока. Источник ЭДС - это источник, характеризующийся электродвижущей силой и внутренним сопротивлением.Идеальным называется источник ЭДС, внутреннее сопротивление которого равно нулю.
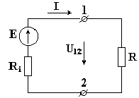
На рис. 1.3 изображен источник ЭДС, к зажимам которого подключено сопротивление R.
Ri - внутреннее сопротивление источника ЭДС.
Стрелка ЭДС направлена от точки низшего потенциала к точке высшего потенциала, стрелка напряжения на зажимах источника U12 направлена в противоположную сторону от точки с большим потенциалом к точке с меньшим потенциалом.
Рис. 1.3
тЙУ. 1.3
Ток 
(1.2)
(1.3)
У идеального источника ЭДС внутреннее сопротивление Ri = 0, U12 = E.
Из формулы (1.3) видно, что напряжение на зажимах реального источника ЭДС уменьшается с увеличением тока. У идеального источника напряжение на зажимах не зависит от тока и равно электродвижущей силе.
Возможен другой путь идеализации источника: представление его в виде источника тока.
Источником тока называется источник энергии, характеризующийся величиной тока и внутренней проводимостью.
Идеальным называется источник тока, внутренняя проводимость которого равна нулю.
Поделим левую и правую части уравнения (1.2) на Ri и получим
,
где
- ток источника тока;
- внутренняя проводимость.

У идеального источника тока gi = 0 и J = I.
Ток идеального источника не зависит от сопротивления внешней части цепи. Он остается постоянным независимо от сопротивления нагрузки. Условное изображение источника тока показано на рис. 1.4.
Любой реальный источник ЭДС можно преобразовать в источник тока и наоборот. Источник энергии, внутреннее сопротивление которого мало по сравнению с сопротивлением нагрузки, приближается по своим свойствам к идеальному источнику ЭДС.
Рис. 1.4
Если внутреннее сопротивление источника велико по сравнению с сопротивлением внешней цепи, он приближается по своим свойствам к идеальному источнику тока.






