Перечислите основные проблемы Восточно-Сибирского экономического региона.
Перечислите основные отрасли промышленности, которые концентрируются в Дальне-Восточном экономическом районе и дайте им краткую характеристику.
Перечислите основные проблемы Восточно-Сибирского экономического региона.
Перечислите основные отрасли промышленности, которые концентрируются в Восточно-Сибирском экономическом районе и дайте им краткую характеристику.
48. Какие республики, края, области и автономные округа входят в состав Дальне-Восточного экономического района и какое количество населения в нем проживает?
49. Каковы особенности Дальне-Восточного экономического района и какими природными ресурсами он обладает?
50. Какова особенность населения и трудовых ресурсов Дальне-Восточного экономического района?
Тесты составлены на основе лекций: 8,9,10
Все правильные ответы: А.
Составитель: БВТ-11-5. Ахметжанова З.М.
1. Электрический фильтр – это
А) устройство для усиления или ослабления отдельных частот или полосы частот, проходящих через это устройство.
Б) устройство для конвертирования отдельных частот или полосы частот, проходящих через это устройство.
В) устройство для наложения отдельных частот или полосы частот, проходящих через это устройство.
Г) устройство для сложения отдельных частот или полосы частот, проходящих через это устройство.
2. Что содержит в себе активный фильтр в отличие от пассивного, кроме резисторов и конденсаторов
А) операционный усилитель
Б) катушку индуктивности
В) они не отличаются
Г) транзистор
3. По пропускаемым (или подавляемым) частотам фильтры классифицируются на:
А) фильтр низких частот, фильтр высоких частот, полосовой фильтр, режекторный или заградительный фильтр
Б) фильтр Баттерворта, фильтр Чебышева, фильтр Бесселя
В)фильтры Саллена-Ки,
Г) АЧХ, ФЧХ
4. По графикам АЧХ, определите к каким фильтрам они относятся: 
А) а- низких частот, б-высоких частот
Б) а- высоких частот, б- низких частот
В) а- заграждающий фильтр, б- полосовой фильтр
Г) а- полосовой фильтр, б- заграждающий фильтр
5. По графикам АЧХ, определите к каким фильтрам они относятся:
а
б
А) а- полосовой фильтр, б- режекторный фильтр
Б) а- заграждающий фильтр, б- полосовой фильтр
В) а- низких частот, б-высоких частот
Г) а- высоких частот, б- низких частот
6. В режекторном фильтре если полоса подавления узкая fnд, то такой фильтр называется:
А) фильтр-пробкой
Б) фильтр-маплера
В) фильтр высоких частот
Г) фильтр низких частот
7. Достоинства активных фильтров
А)все перечисленное
Б) используются только конденсаторы и резисторы
В) усиление отфильтрованного сигнала;
Г) возможность увеличения каскадов фильтра для улучшения АЧХ;
8. Недостатки активных фильтров
А) наличие источника питания; рабочий диапазон частот ограничен максимальной рабочей частотой ОУ. (не более несколько мГц).
Б) относительно дорогие;
В) крупногабаритность
Г) рабочий диапазон частот неограничен максимальной рабочей частотой ОУ.
9. По графикам АЧХ, определите к каким фильтрам они относятся:

А) а – Баттерворта; б – Чебышева; в - Бесселя
Б) а – Полосовой; б – Заграждающий; в - Бесселя
В) а – Баттерворта; б – Высоких частот; в - Бесселя
Г) а – Высоких частот; б – Чебышева; в – Заграждающий
10. Какими параметрами характеризуются фильтры
А) порядок фильтра (число его полюсов); коэффициент затухания a; добротность Q
Б) АЧХ, ФЧХ
В) полоса пропускания, задерживания
Г) термостабилизация
11. Три последовательно соединенных фильтра второго порядка составляют один фильтр. Какого порядка он будет:
А) шестого
Б) пятого
В) четвертого
Г) третьего
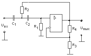
12. Каким фильтром является фильтр изображенный на рисунке 
А) Схема активного ФНЧ второго порядка Саллена-Ки
Б) Схема активного ФВЧ второго порядка Саллена-Ки
В) Схема активного полосового фильтра Саллена-Ки
13. Каким фильтром является фильтр изображенный на рисунке

А) Схема активного ФВЧ второго порядка Саллена-Ки
Б) Схема активного ФНЧ второго порядка Саллена-Ки
В) Схема активного полосового фильтра Саллена-Ки
14. Каким фильтром является фильтр изображенный на рисунке

А) Схема активного полосового фильтра Саллена-Ки
Б) Схема активного ФНЧ второго порядка Саллена-Ки
В) Схема активного ФВЧ второго порядка Саллена-Ки
Г) Схема активного ФВЧ 2-го порядка Чебышева
15. Каким фильтром является фильтр изображенный на рисунке

А) Схема активного ФВЧ 2-го порядка Чебышева
Б) Схема активного ФНЧ второго порядка Саллена-Ки
В) Схема активного ФВЧ второго порядка Саллена-Ки
Г) Схема активного полосового фильтра Саллена-Ки
16. Для чего предназначены цифроаналоговые преобразователи (DAC - Digital to Analog Converter)
А) для преобразования цифровых сигналов в аналоговые.
Б) для копирования сигналов цифровых
В) для преобразования параметров приборов в сигналы
Г) для преобразования аналоговых сигналов в цифровые
17. Где применяется ЦАП (цифроаналоговые преобразователи)
А) все перечисленное
Б) в измерительных приборах (вольтметры, генераторы, цифровые осциллографы и т. п.)
В) в компьютерных системах (формирование изображений на экранах дисплеев и т. п.)
Г) в радиолокационной технике
18. Что относят к основным параметрам ЦАП
А) разрешающую способность, время установления, погрешность нелинейности, погрешность смещения нуля и др.
Б) добротность, АЧХ, ФЧХ
В) время работы, частота, порядок преобразования
Г) все перечисленное
19. Как оценивают разрешающую способность ЦАП
А) величиной шага квантования
Б) величиной пропуска
В) порядком квантования
Г) шириной полосы пропускания
20. Что такое время установления tус в цифроаналоговых преобразователях
А) интервал времени от подачи кода на вход до момента, когда выходной сигнал войдет в заданные пределы, определяемые погрешностью.
Б) интервал времени от начала работы преобразователя
В) Интервал времени от начала работы до момента, когда выходной сигнал войдет в заданные пределы
Г) Время, за которое устанавливается сигнал в преобразователе
21. Что такое нелинейность?
А) максимальное отклонение выходного напряжения от идеальной прямой во всем диапазоне преобразования.
Б) коэффициент кривизны функции > 0
В) отсутствие линейных участков
Г) нелинейная зависимость выходного сигнала от входного кода
22. Что такое дрейф нуля?
А) значение выходного сигнала, когда входной код отсутствует.
Б) значение входного сигнала, при отсутствии выходного.
В) значение входного сигнала кода при нулевых условиях
Г) значение выходного сигнала кода при нулевых условиях
23) Какие ЦАП получили наибольшее распространение по принципу действия
А) с суммированием токов, делением напряжений и суммированием напряжений.
Б) с наложением токов, делением напряжений и умножением напряжений.
В) с уменьшением сопротивлений, делением напряжений и суммированием напряжений.
Г) с суммированием сопротивлений, делением напряжений и суммированием напряжений.
24) По характеру источника опорного напряжения различают ЦАП
А) с постоянным опорным напряжением и с изменяющимся опорным напряжением.
Б) с постоянным опорным током и с изменяющимся опорным напряжением.
В) с постоянным опорным напряжением и с изменяющимся опорным током.
Г) с постоянным опорным током и с изменяющимся опорным током.
25) По полярности выходного сигнала ЦАП подразделяют на
А) одно- и двухполярные.
Б) би- и полипреобразователи.
В) би- и триполярные.
Г) три- и двухполярные.
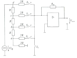
26) Чем является схема изображенная на рисунке

А) Схема ЦАП на основе резистивной матрицы R-2R
Б) Схема ЦАП на основе резистивной матрицы 2R-2R
В) Схема ЦАП на основе резистивной матрицы 10R-R
Г) Схема ЦАП на основе усилительной матрицы R-2R
27) Чем является схема изображенная на рисунке

А) Схема четырехразрядного ЦАП с матрицей R—2R
Б) Схема четырехразрядного ЦАП с матрицей 2R—2
В) Схема трехразрядного ЦАП с матрицей R—2R
Г) Схема четырехразрядного ЦАП с матрицей R—11R
28) Чему пропорционально выходное напряжение в ЦАП
А) произведению опорного напряжения на входной цифровой код
Б) сумме опорного напряжения на входной цифровой код
В) произведению опорного напряжения на входной аналоговый код
Г) произведению опорного напряжения на выходной цифровой код
29) Если на этот вход умножающего ЦАП подавать переменное напряжение, то на выходе ЦАП будет также переменное напряжение. Чем будет определяться его амплитуда?
А) цифровым кодом на входе ЦАП.
Б) аналоговым кодом на входе ЦАП.
В) цифровым кодом на выходе ЦАП.
Г) аналоговым кодом на выходе ЦАП.
30) Отличается ли скорость передачи данных в ЦАП с последовательной передачей от ЦАП с параллельной передачей данных.
А) да, в ЦАП последовательной передачей данных ниже, чем в ЦАП с параллельной передачей данных.
Б) да, в ЦАП параллельной передачей данных ниже, чем в ЦАП с последовательной передачей данных.
В) нет, в ЦАП последовательной передачей данных равна скорости в ЦАП с параллельной передачей данных.
Г) скорость передачи зависит только от параметров ЦАП
31) Что такое аналого-цифровые преобразователи (ADC — Analog to Digital Converter)?
А) это устройства, предназначенные для преобразования аналоговых сигналов в цифровые.
Б) это устройства, предназначенные для преобразования цифровых сигналов в аналоговые.
В) это устройства, предназначенные для распознавания аналоговых сигналов и дальнейшего их кодирования.
Г) это устройства, предназначенные для кодирования в аналоговом сигнале
32) Какие операции необходимо осуществить для преобразования аналогового сигнала в цифровой?
А) дискретизацию, квантование и кодирование.
Б) конвертирование, квантование и усиление.
В) дискретизацию, кодирование и наложение.
Г) дискретизацию, кодирование и формирование выходного сигнала.
33) Должна ли частота дискретизации превышать максимальную частоту в спектре преобразуемого аналогового сигнала x(t).
А) да, по меньшей мере, в два раза
Б) нет, они должны быть равны
В) да, в 1,5 раза
Г) нет, она не должна превышать, а наоборот быть меньше в 2 раза
34) Как называется расстояние между двумя соседними уровнями квантования?
А) шагом квантования
Б) амплитудой квантования
В) частотой квантования
Г) периодом квантования
35) Что изображено на графике

А) Дискретизация и квантование аналогового сигнала
Б) Дискретизация и модуляция аналогового сигнала
В) Дискретизация и декодирование аналогового сигнала
Г) Модуляция и квантование аналогового сигнала
36) Что представляет собой квантование? И чему равна максимальная погрешность квантования?
А) Квантование представляет собой округление аналоговой величины до ближайшего уровня квантования, т. е. максимальная погрешность квантования равна ±0,5h (h — шаг квантования).
Б) Квантование представляет собой округление цифровой величины до ближайшего уровня квантования, т. е. максимальная погрешность квантования равна ±1,0h (h — шаг квантования).
В) Квантование представляет собой округление аналоговой величины до ближайшего уровня квантования, т. е. максимальная погрешность квантования равна ±1,5h (h — шаг квантования).
Г) Квантование представляет собой округление цифровой величины до ближайшего уровня квантования, т. е. максимальная погрешность квантования равна ±2,0h (h — шаг квантования).
37) Увеличение разрядности кода на единицу вдвое увеличивает число уровней квантования, то есть:
А) вдвое снижает погрешность квантования.
Б) втрое снижает погрешность квантования.
В) вдвое увеличивает погрешность квантования.
Г) не изменяет погрешность квантования.
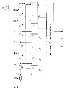
38) Схема АЦП с каким преобразованием на компараторах изображена на рисунке:

А) параллельным
Б) последовательным
В) смешанным
Г) сначала последовательным а затем параллельным
39) Схема АЦП с каким соединением изображена:

А) последовательным
Б) параллельным
В) смешанным
Г) схема сравнения
40) Что изображено на графиках:

А) время импульсного преобразования
Б) АЧХ
В) ФЧХ
Г) ВАХ
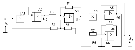
41) Какая схема изображена:

А) Структурная схема функционального преобразователя для формирования синусной (косинусной) функции
Б) Структурная схема функционального преобразователя для формирования тангенсной (котангенсной) функции
В) Структурная схема Компаратора
Г) Структурная схема дифференциального усилителя
42) Измерительные преобразователи, предназначенные для автоматического преобразования измеряемой аналоговой величины в дискретную, представленную в виде цифрового кода это
А) Аналого-цифровые преобразователи
Б) Дискретизаторы
В) Усилители
Г) Компораторы
43) Какие ОУ используются в схеме цифрового амперметра
А) все перечисленное
Б) в стабилизаторе напряжения DA1
В) в масштабирующем усилителе DA2.1 и повторителе DA2.2
Г) в кварцевом генераторе






