(прямое включение перехода).

=
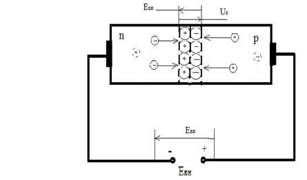
Если к p-n переходу подключить внешнее напряжение Eвн, полярность которого противоположна полярности контактной разности Uк потенциалов, то такое включение называется прямым (n-область подключается к отрицательному полюсу Евн, а p-область - к положительному полюсу Евн). При таком включении в p-n переходе появляется дополнительное внешнее электрическое поле, уменьшающее его внутреннее поле.
Суммарное поле Еε, действующее в переходе, будет определяться:
=
Под действием внешнего поля основные носители заряда будут двигаться к p-n переходу, уменьшая потенциальный барьер и ширину p-n перехода, которая будет определяться:

Появится приращение диффузионного тока, которое стало возможным благодаря увеличению энергии основных носителей заряда и уменьшению потенциального барьера. Это приведет к нарушению равновесию между диффузионными и дрейфовыми токами. С увеличением |Eвн| будет расти диффузионный ток.
При |Uк|=|Евн| толщина перехода стремится к нулю, т.к. внешнее напряжение почти полностью компенсирует Uк. При этом основные носители заряда начнут свободно диффундировать в области с противоположным типом электропроводности.
|
|
|
Через переход потечет ток, который называется прямым:
, поскольку
,
То
.
Процесс введения («нагнетания») носителей заряда через p-n переход в области, где они становятся неосновными носителями за счет уменьшения потенциального барьера, называется инжекцией.
В симметричных p-n переходах имеет место двухсторонняя инжекция. (Nn=Pp)
В несимметричных p-n переходах (Nd >> Na, Nn >> Pp; или Nd << Na, Pp >> Nn) концентрации основных носителей различаются на несколько порядков (
-
), поэтому концентрация инжектированных неосновных носителей будет гораздо выше в высокоомном слое, чем в низкоомном.
Инжектирующий слой с относительно малым удельным сопротивлением называется эмиттером; слой, в который инжектируются неосновные для него носители, называется базой. При прямом включении перехода электроны, перешедшие из n-области в p-область, перемещаются внутри этой области по причинам диффузии и дрейфа. Часть электронов при этом движении рекомбинирует с дырками p-области, а оставшаяся часть, захваченная полем внешнего источника, попадает на его положительный полюс, замыкая цепь.
Дырки, перешедшие из p-области в n-область, полностью рекомбинируют в n-области. Прямой ток Iпр через переход ограничивается омическим сопротивлением p- и n-областей и внутренним сопротивлением Евн, в результате чего Iпр может достичь значений, превышающих допустимые, что разрушит p-n переход. Для исключения этого, Iпр должен ограничиваться элементами, например, резисторами, включаемыми последовательно в цепь p-n перехода. Рассмотрим энергетические зонные диаграммы p-n перехода, находящегося в равновесном состоянии и смещенном в прямом направлении.
|
|
|
Диаграмма без смещения p-n перехода.

– квазипотенциал Ферми;
`n и
`p – квазиуровни Ферми для неравновесного состояния.
Энергетическая диаграмма p-n перехода при прямом смещении.
В отсутствии термодинамического равновесия принято вводить две новые величины
`n и
`p, которые заменяют
n и
p.
`n и
`p – называют квазиуровнями Ферми электронов и дырок соответственно.
;
- квазипотенциалы Ферми электронов и дырок.
Подача внешнего напряжения на p-n переход (прямого) приводит к смещению квазиуровней Ферми относительного равновесного положения. Если Евн > 0, то эта величина вычитается из Uк и ширина обедненной области уменьшается.
При прямом напряжении на переходе ток диффузии основных носителей заряда I0 = I диф увеличивается в exp (Евн/φТ) раз за счет снижения потенциального барьера и является функцией приложенного напряжения:
, где
– ток, протекающий через p-n переход в равновесном состоянии в прямом направлении.
Дрейфовая составляющая тока при приложении внешнего прямого напряжения остается практически без изменений Iдр = const. Но поскольку в равновесном состоянии |Iдиф| = |Iдр|, то Iдр = -I0. Знак минус указывает на то, что этот ток течет навстречу диффузионному току.
Но поскольку Iпр есть разность между Iдиф и Iдр, то

Ток I0 называется тепловым током или обратным током насыщения. Его значения для определенного полупроводника (с заданной концентрацией) зависят только от температуры и не зависят от приложенного напряжения.