Транзисторы.
В зависимости от принципа действия и конструктивных признаков транзисторы подразделяются на два больших класса:
· биполярные
· полевые (или униполярные, или канальные)
Термин «биполярный» указывает на то, что работа данного прибора основана на движении носителей зарядов обоих знаков (электронов и дырок).
Термин «полевой» указывает на то, что процессы в этом приборе происходят под действием управляющего поля и основаны на движении носителей заряда только одного знака (электронов или дырок)
Полупроводниковые приборы, содержащие два взаимодействующих
p-n перехода, образованных тремя слоями полупроводников, с чередующимся типом электропроводимости, обладающих усилительными свойствами и имеющих три вывода, называются биполярными транзисторами.
В зависимости от типа электропроводности наружных слоев различают транзисторы p-n-p и n-p-n типов.

транзистор p – n – p –типа транзистор n – p – n –типа
(или прямой проводимости) (или обратной проводимости)

Схема транзисторов, как совокупность диодов, не отражает всех свойств транзисторов.
Э – эмиттер – область транзистора, предназначенная для инжекции («впрыскивания») неосновных носителей заряда в базовую область;
Б – база – область транзистора, предназначенная для переноса (транспортировки) инжектированных носителей к коллектору вследствие диффузии или дрейфа;
К – коллектор – область транзистора, предназначенная для экстракции («вытягивания») неосновных носителей из базы за счет поля коллекторного перехода.

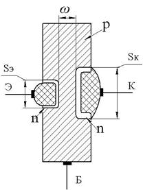
Структура сплавного транзистора.
![]() |
SЭ – площадь эмиттера;
SК – площадь коллектора; SК> SЭ
Эмиттер (Э) и коллектор (К) выполняются низкоомными, а база (Б) относительно высокоомной, поэтому удельные объемные сопротивления эмиттера (ρЭ), коллектора (ρК) малы, а базы (ρБ) – велико (до сотен Ом)
Но при этом: ρЭ<ρК, а ρБ>>ρЭ.
ω – толщина базы (типичное значение ω≈0,5мкм÷1,0мкм).
Кроме того ω<<L (диффузионная длина) – база тонкая.
Концентрация примесей (степень легирования) в базе значительно меньше, чем в эмиттере и коллекторе.
В зависимости от технологии изготовления транзисторов концентрация примесей в базе может быть распределена равномерно или неравномерно.
При равномерном распределении внутреннее поле в базе отсутствует, в результате неосновные носители в ней движутся за счет диффузии. Такие транзисторы называются диффузионными или бездрейфовыми.
При неравномерном распределении – в базе имеестя внутреннее электрическое поле, в результате неосновные носители движутся в ней как за счет дрейфа, так и диффузии, однако, дрейфовое движение превалирует. Такие транзисторы называют дрейфовыми.
В зависимости от выполняемой функции в электронных устройствах транзистор может работать в трех режимах:
- активный режим;
- режим отсечки;
- режим насыщения.
Каждый из режимов определяется соотношением полярностей напряжений, подаваемых на электроды транзистора.
Активный режим характеризуется прямым напряжением на переходе база-эмиттер (БЭ) и обратным напряжением на переходе коллектор-база (КБ).
Режим отсечки – обратное напряжение на переходе БЭ и обратное напряжение на переходе КБ.
Режим насыщения – прямое напряжение на переходе БЭ и прямое напряжение на переходе КБ.
Активный режим наиболее распространен и используется для усиления аналоговых сигналов.
Режимы отсечки и насыщения наиболее часто используются для усиления дискретных сигналов и при реализации ключевых устройств, в т.ч. в устройствах, выполняющих логические функции.
В любых схемах с транзисторами, как правило, образуются две цепи: входная и выходная, которым соответствуют условные обозначения для токов, напряжений и мощностей:
Iвх; Uвх; Pвх (или I1, U1, P1) – для входной цепи;
Iвых; Uвых; Pвых (или I2, U2, P2) – для выходной цепи.







