End
NOP
NOP
NOP
JNZ M5
POP B
JMP M4
NAT:
db 99h,0CBh,0E4h,0E4h,0CBh,0FDh,0E4h,0CBh,80h
include stack.asm
Организация интерфейса ввода/вывода данных
Способы организации ввода/вывода данных в микропроцессор.
Интерфейс – совокупность унифицированных технических и программных средств, необходимых для подключения внешних устройств к МП. Например, АЗУ, ПЗУ, устройства ввода/вывода.
Интерфейс ввода/вывода данных предназначен для следующих задач:
· синхронизация между МП и устройствами ввода/вывода данных.
· выбор направления и способа обмена данных между МП и устройствами ввода/вывода данных.
Направление - или ввод или вывод.
Способ передачи – параллельный или последовательный обмен.
· приведение в соответствие уровней и форм сигналов.
В микропроцессорной системе (МПС) организованы 2 способа организации ввода/вывода данных:
1) ввод/вывод данных только с использованием аккумулятора. 2) обмен данными, минуя аккумулятор и центральный микропроцессор.
Режим ПДП или обмен данными прямого доступа между запоминающим устройством и устройствами ввода/вывода данных. ПДП – прямой доступ к памяти.
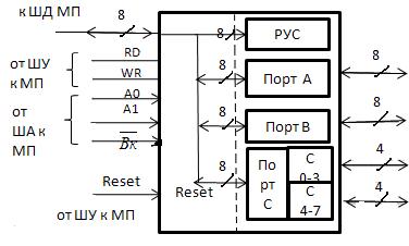
Параллельный периферийный адаптер (ППА) предназначен для обмена данными в оба направления параллельным способом.
ППА – программируемый адаптер, т.е. его настройка осуществляется на программном уровне.
Структура ППА:

РУС – регистр управляемого слова.


Работа ППА заключается в следующем:
Задание портов ввода/вывода путем засылки в регистр РУС управляющего слова (УСР).
УСР определяет порты ввода/вывода. Каждый порт имеет свой адрес, который определяется ША. Кроме того есть линия, по которой передаются сигналы чтения записи с портов (RD,WR). Линия ВК (разряд в ША), которая определяет выбор конкретного ППА.
Начало работы ППА осуществляется формированием управляющего слова режима УСР, которое на программном уровне засылается в РУС.






