Моментные двигатели

В моментных двигателях ротор, развивая необходимый момент, поворачивается лишь на весьма малые углы, составляющие долю его оборота. Таким образом, двигатель работает практически с неподвижным ротором или, как говорят, в режиме короткого замыкания.

В качестве моментных могут быть использованы двигатели различных типов как постоянного, так и переменного тока.

Например, у двигателя постоянного тока независимого возбуждения момент кроткого замыкания пропорционален приложенному напряжению. У асинхронного двигателя (трехфазного или двухфазного) момент определяется квадратом напряжения в цепи статора, причем в двухфазном двигателе достаточно регулировать ток в одной обмотке – обмотке управления и изменять момент за счет внесения асимметрии.

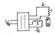
Наиболее рационально использование двухфазного синхронного двигателя с возбуждением от постоянного магнита и питанием обмотки статора постоянным током (рис.5.11). Изменяя соотношение токов от I1=max, I2=0 до I1=0, I2=max, можно обеспечить поворот ротора в пределах 900. При I1=max положение ротора будет совпадать с осью обмотки 1, при I2=max – с осью обмотки 2. В этом режиме по сути дела мы имеем двигатель постоянного тока, работающий без коллектора в пределах одного полюсного деления. В этом случае коллектор не нужен, так как нет необходимости в коммутации. Более того, коллектор крайне нежелателен, так как изменения сопротивления щеточного контакта приводит к нестабильности развиваемого момента и, как следствие, к колебаниям ротора около положения равновесия. В маломощных установках взамен синхронной машины можно применять поворотный трансформатор (без щеточного контакта). Если на обмотки статора подавать питание от дифференциального усилителя постоянного тока, а одну из обмоток ротора использовать в качестве обмотки возбуждения.


Рис.5.11

При необходимости поворота ротора на угол больше 900 уже требуется коммутатор. В этом случае целесообразно применять вентильный двигатель, коммутируя обмотки посредством полупроводниковых приборов за счет сигналов. Подаваемых от датчика положения оси ротора. Датчик может быть построен на тех же принципах, сто и рассмотренные выше датчики вентильного двигателя. Можно также использовать поворотный трансформатор.

Моментный двигатель в отличие от обычных (вращающихся) двигателей представляет собой в первом приближении не интегрирующее звено, а пропорциональное. Поэтому при необходимости иметь систему с астатизмом должны быть введены интегрирующие звенья. К пропорциональным звеньям следует также отнести и двигатели для микропремещений, рассмотренные в предыдущем параграфе.

Системы с моментными двигателями отличаются повышенным быстродействием. Так как двигатель не вращается, то его механическая энергия не оказывает влияния на динамику системы. Переходные процессы определяются в основном электромагнитной инерцией обмоток. Так как электромагнитная постоянная двигателя обычно существенно меньше электромеханической, то переходные процессы завершаются за боле короткие промежутки времени, чем при отработке перемещений.






Подборка статей по вашей теме: