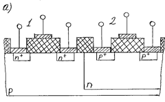
Конструкция такого транзистора представляет собой два гальванически связанных транзистора содержащих n и p каналы (см. рис.)


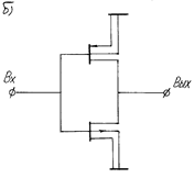
Комплиментарные транзисторы отличаются: малой потребляемой мощностью в статическом режиме (
) т. к. один из транзисторов постоянно закрыт, высоким быстродействием, что обусловлено поочередной работой транзисторов, высокой помехозащищенностью, достигающей 40% в режиме питания. Принцип работы заключается в том, что при подаче на вход положительного смещения работает транзистор 1, при подаче отрицательного смещения на вход нет необходимости рассасывать объемный заряд в области сток-исток для подготовки транзистора 1 к исходному состоянию, т. к. этот сигнал будет обслуживать транзистор 2. Отрицательный сигнал на затворе транзистора 2 притянет электроны к поверхности и создаст структуру
, пока работает транзистор 2, транзистор 1 успевает перейти в исходное состояние, для приема сигнала положительной полярности.






